Saturday, June 28th, 2014 AT 2:15 PM
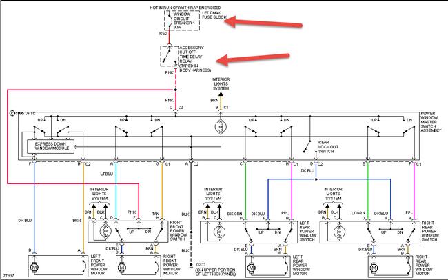
I bought a car a yr ago everything worked fine then a few months ago fuel issues had fixed starter issues had fixed trunk pull down issues fixed it myself but always power everything worked until a few weeks ago power windows all wont work nor sunroof but they all worked fine before that I checked all fuses in hood and in trunk all good is it a bad wore connection under carpet or a switch or what cant figure it out I know the motors are all fine please help and thank you.

