Friday, March 18th, 2011 AT 12:00 AM
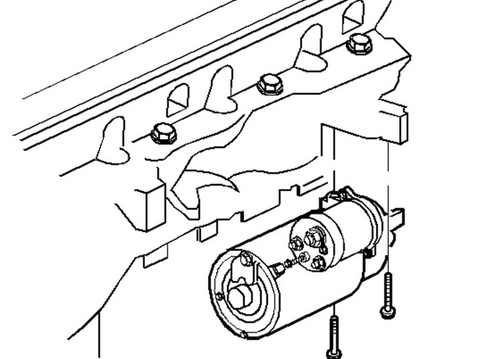
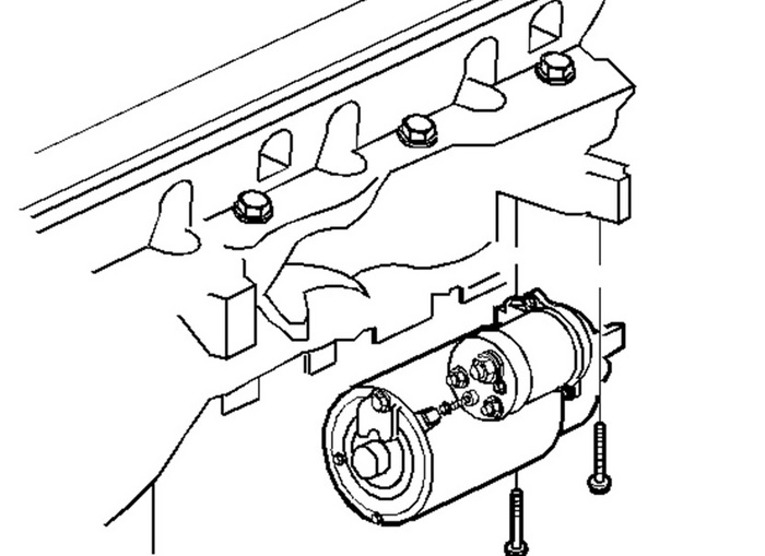
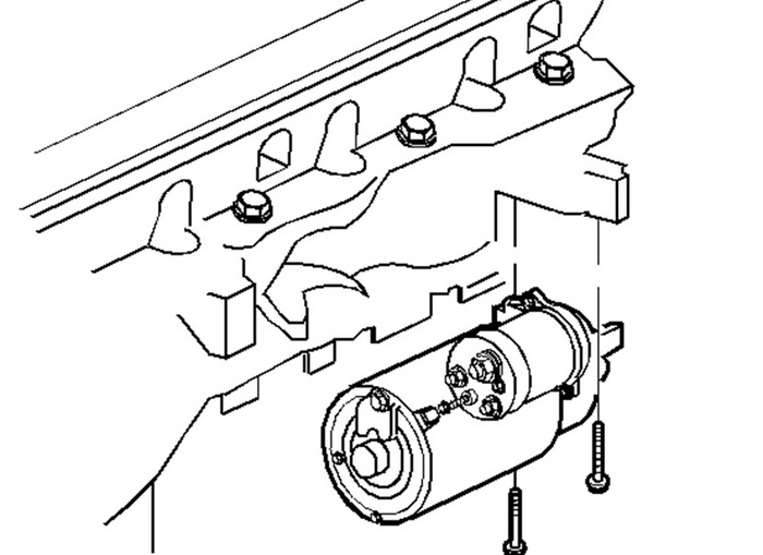
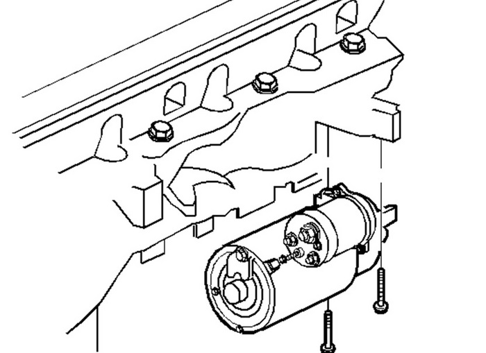
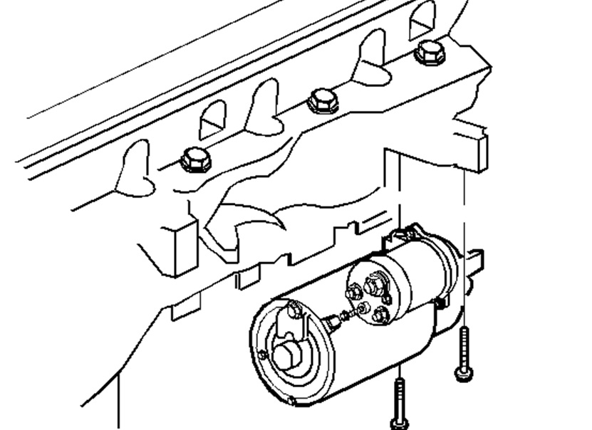
I'm replacing my starter on my 1996 Buick Park Ave. Ultra. I can not get the starter off of the engine. I can't get a wrench on the short primary bolt, and I can't see the long bolt. What am I doing wrong?



