How do I replace the blower motor in a 850 Volvo. What about precautions for the air bag system

Tiny
DANCASSIDY
  • MEMBER
  • 1995 VOLVO 850
  • 130,000 MILES
Would like a detailed description
Wednesday, January 18th, 2012 AT 6:24 PM

1 Reply

Tiny
RIVERMIKERAT
  • MECHANIC
  • 6,110 POSTS
A/C-HEATER SYSTEM - MANUAL -1995 Volvo 850
Page 1 of 1
BLOWER MOTOR

Removal & Installation

1.
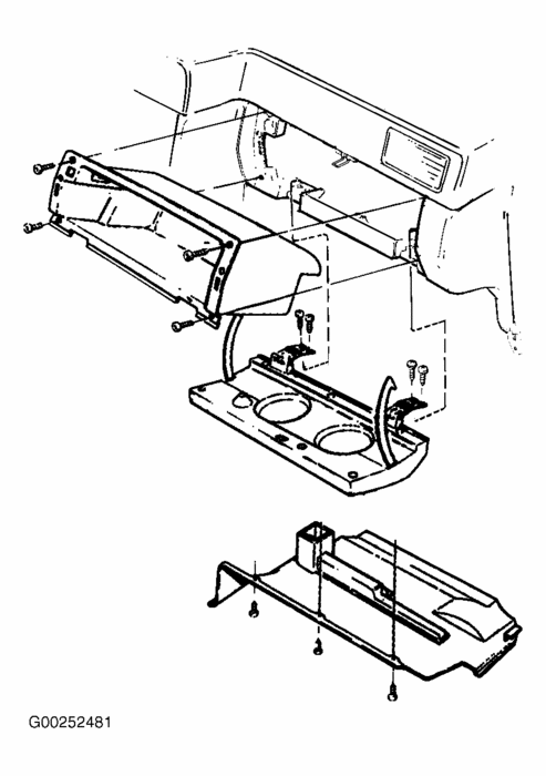
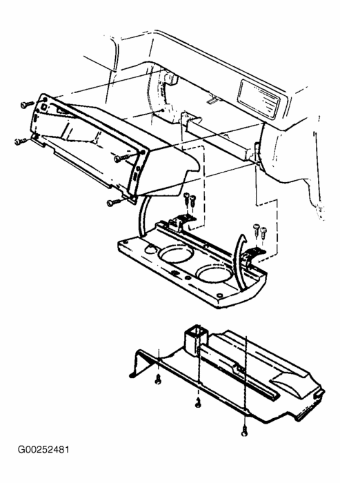
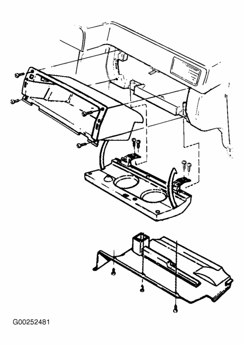
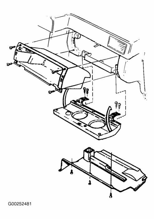
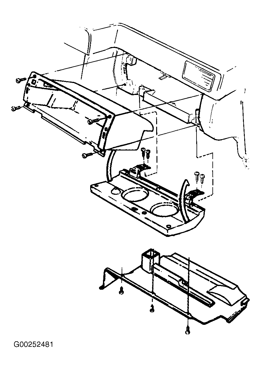
Remove 3 screws holding passenger side sound wall. Remove 4 screws holding glove compartment. Remove glove compartment. See Fig. 8.
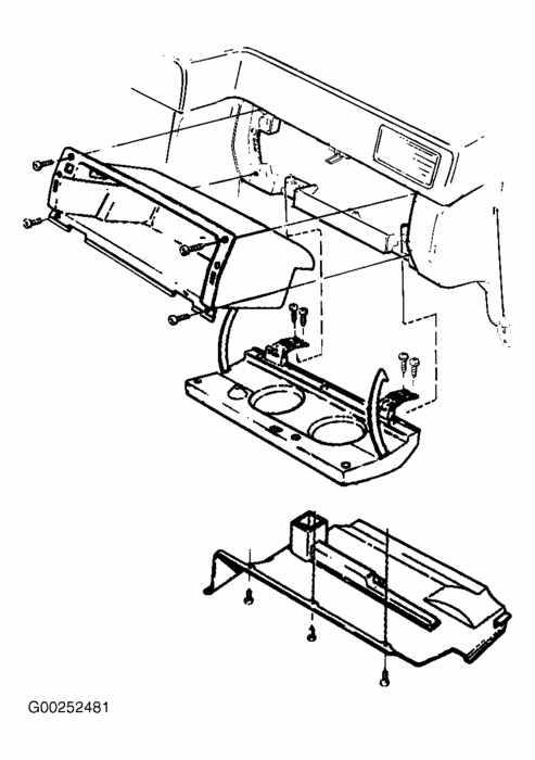
Disconnect fan motor connector (G3). Remove cable duct from motor and remove connectors from brackets. Remove 4 screws holding motor and remove motor. See Fig. 9.
Install in reverse order.
2.
3.
Fig. 8: Accessing HVAC Blower Fan
Courtesy of VOLVO CARS OF NORTH AMERICA.
Fig. 9: Removing Blower Fan
Courtesy of VOLVO CARS OF NORTH AMERICA.

1/18/2012
Was this
answer
helpful?
Yes
No
Wednesday, January 18th, 2012 AT 8:46 PM

Please login or register to post a reply.