HOME
ASK A QUESTION
REPAIR GUIDES
BECOME A MEMBER
LOG IN
Login with Facebook
OR
Remember me
NOT A MEMBER?
FORGOT PASSWORD?
CONTACT US
PRIVACY POLICY
TERMS AND CONDITIONS
☰
Home
Toyota
Landcruiser
Engine
Vacuum Hose Diagram
Engine vacuum diagram
BLACKMERC63
MEMBER
1995 TOYOTA LANDCRUISER
250,000 MILES
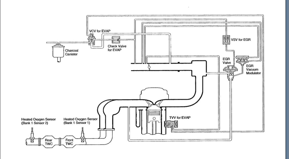
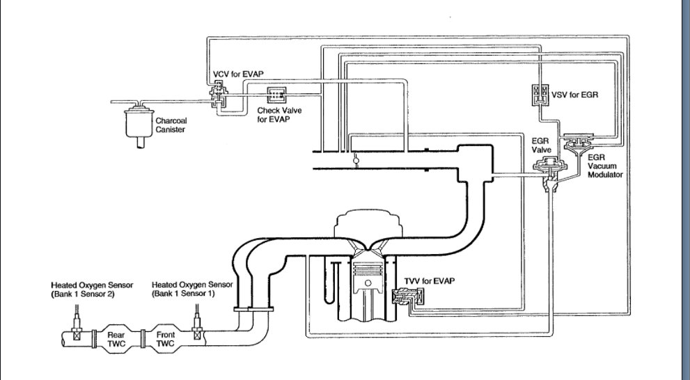
I can I please have a diagram please for 1HD-FT 1995 toyota land cruiser?
Monday, December 26th, 2011 AT 10:29 PM
1 Reply
KASEKENNY
MECHANIC
18,907 POSTS
No problem. I will attach a diagram below of this information.
However, here is a guide that will help with this as well in finding a vacuum leak:
https://www.2carpros.com/articles/how-to-use-an-engine-vacuum-gauge
Please see the info below and let me know what questions you have. Thanks
Images (Click to make bigger)
Was this
answer
helpful?
Yes
No
Thursday, March 3rd, 2022 AT 5:49 PM
Please
login
or
register
to post a reply.
Related Vacuum Hose Diagram Content
1997 Toyota Landcruiser Timing Belt
1997 Toyota Landcruiser Hello I Would Like To Know How Can I Reset Timing Belt Warning Pls Thankyou Twanny
Asked by
prado
·
1 ANSWER
1997
TOYOTA LANDCRUISER
2004 Toyota Landcruiser Turbo
Hi, My Landcruiser Has A Tapping Noise In The Turbo And I Can Feel It Grinding Through The Floor. There's A Lot Of Oil Around The Turbo...
Asked by
ally88
·
1 ANSWER
2004
TOYOTA LANDCRUISER
Gear Problem
Hi I Have A 99 Land Cruiser Colorado, 4x4, 3ltr Turbo, And 180000 Miles. When Driving In 4th And 5th And If I Give Some...
Asked by
gibbons_mick
·
1 ANSWER
TOYOTA LANDCRUISER
2000 Toyota Landcruiser Why Does This Light Appear?
This Is My Third Landcriser To Own. When I Get Around 130, 00 Miles On Them-check Engine Light Comes On. What Is Causing This To Happen In...
Asked by
Kay Bauch
·
1 ANSWER
2000
TOYOTA LANDCRUISER
Won't Stay In 5th Gear When Driving On The Highway....
Won't Stay In 5th Gear When Driving On The Highway. Does This Require A Complete Overhaul Of The Gear Box Or Is There A Alt Fix
Asked by
Anonymous
·
1 ANSWER
1986
TOYOTA LANDCRUISER
VIEW MORE
Ask a Car Question. It's Free!
Intermittent Misfire
How to Repair an Engine Cylinder Misfire
Vacuum Leak Symptoms