HOME
ASK A QUESTION
REPAIR GUIDES
BECOME A MEMBER
LOG IN
Login with Facebook
OR
Remember me
NOT A MEMBER?
FORGOT PASSWORD?
CONTACT US
PRIVACY POLICY
TERMS AND CONDITIONS
☰
Home
Subaru
Legacy
Exterior Light
Headlight
Switch
How do I troubleshoot the high beams
KIAWA
MEMBER
1995 SUBARU LEGACY
180,000 MILES
High beams on my 95 subaru legacy dont work on the high setting but does on the passing setting on the switch
Wednesday, February 22nd, 2012 AT 11:28 AM
3 Replies
RASMATAZ
MECHANIC
75,992 POSTS
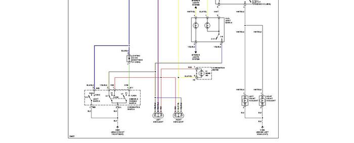
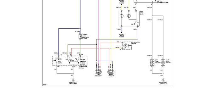
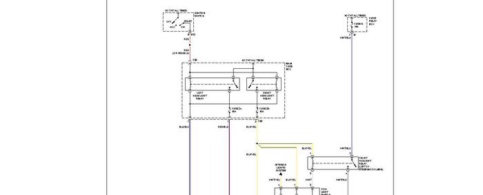
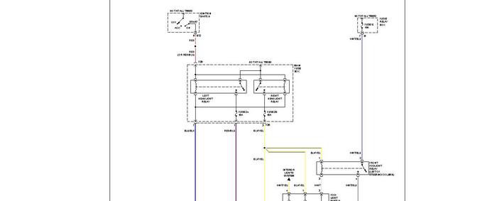
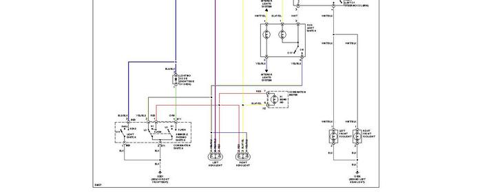
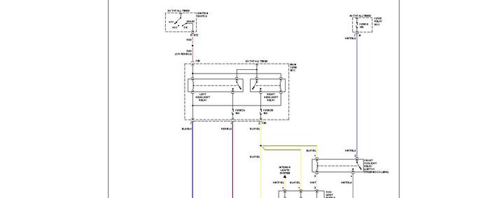
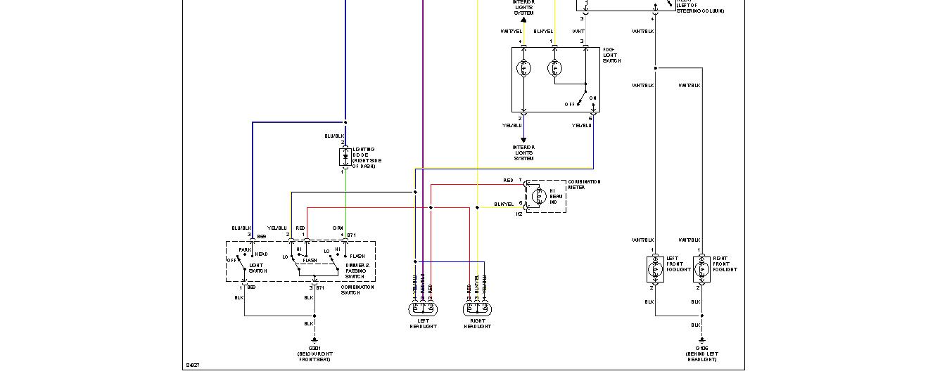
Inspect and test the combination switch-start here
Was this
answer
helpful?
Yes
No
-1
Wednesday, February 22nd, 2012 AT 11:40 AM
KIAWA
MEMBER
2 POSTS
This was on of the first things I tested
Was this
answer
helpful?
Yes
No
Wednesday, February 22nd, 2012 AT 11:50 AM
RASMATAZ
MECHANIC
75,992 POSTS
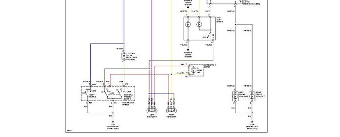
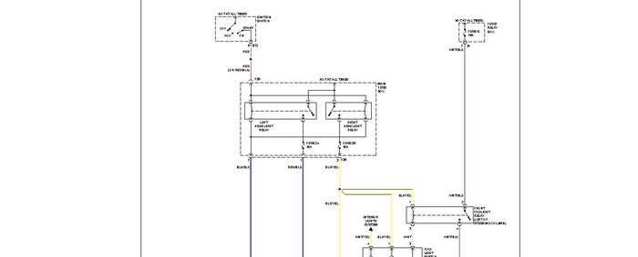
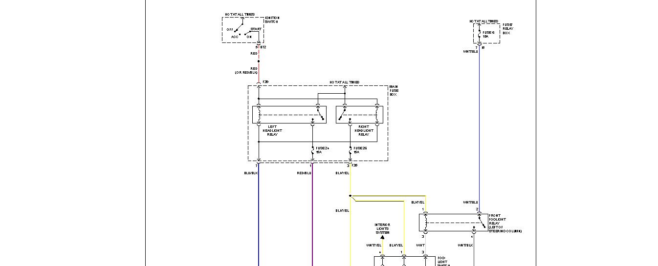
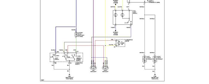
See EWD
Images (Click to make bigger)
Was this
answer
helpful?
Yes
No
Wednesday, February 22nd, 2012 AT 11:57 AM
Please
login
or
register
to post a reply.
Related Headlight Switch Content
Headlights Wouldn't Turn Off For A Month, Now They Won...
So The Headlights On My Car Have Been Constantly Running For The Past Month. They Would Be On As Long As The Car Was On. I Would Be Able To...
Asked by
Jemuel
·
10 ANSWERS
3 IMAGES
2001
SUBARU LEGACY
GUIDE
Headlight Switch
Manual headlight controls are executed by the driver or the body control computer auto is selected. The first position on a headlight switch is the running light ...
Headlamp Replacement
I Have A Burned Out Left Headlamp In My 1994 Subaru Legacy; How Do I Change The Bulb?
Asked by
Peggy Oestreich
·
4 ANSWERS
1994
SUBARU LEGACY
1999 Subaru Legacy Changing Out A Front Directional
Can You Help Me To Open/remove The Front Directional Housing So That I Might Change The Bulb. It Currently Works In A Limited Fashion. When...
Asked by
danndy123
·
3 ANSWERS
1999
SUBARU LEGACY
Headlight Adjustment
How Do I Adjust The Aiming Of The Headlights? Right Now They Light Up The Ground In Front Of The Car For Only About 5 Feet. I Need To Raise...
Asked by
davis123
·
1 ANSWER
2 IMAGES
1998
SUBARU LEGACY
When I Start My Car It Runs Fine For About 10 Min Then...
When I Start My Car It Runs Fine For About 10 Min Then The Battery Light Comes On And All My Lights Dim Including My Headlights. They Dim To...
Asked by
jacesmom
·
3 ANSWERS
1992
SUBARU LEGACY
VIEW MORE
Ask a Car Question. It's Free!
How to Use a Test Light
Headlight Dim or Dull
Have a Dim Headlight? - Try Replacing This!