1995 SAAB 9000 coolant temp on dash

Tiny
NTP
  • MEMBER
  • 1995 SAAB 9000
  • 2.3L
  • 4 CYL
  • TURBO
  • FWD
  • AUTOMATIC
  • 180,000 MILES
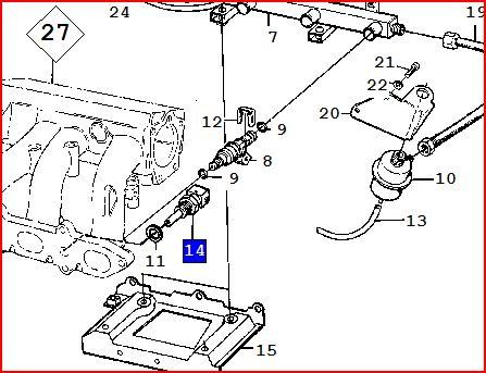
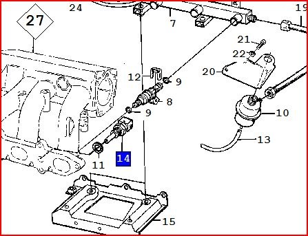
The coolant temperature gauge on dash indicates about 1/3 of full scale. Normal state, it is rises up about half-way. The relevant device is engine coolant temperature sensor. Then I changed for a new sensor but the gauge shows a little bit upper than before.
Is it need to calibrate or something to make the gauge indicates at almost half way. Or I have to do something to align the gauge. Thank you very much.
Sunday, July 20th, 2014 AT 9:43 AM

6 Replies

Tiny
CARADIODOC
  • MECHANIC
  • 34,468 POSTS
Sensors for coolant temperature gauges are notoriously inaccurate, and no two are the same. What you're watching for is when the gauge indicates differently than what you have come to know as "normal". I have four Dodge Grand Caravans. One always reads 1/4 scale unless I pull my really big tandem axle enclosed trailer, then it can get up to 3/4 scale. One of the other van's gauge always reads about 5/8 scale.

To know for sure what the coolant temperature is you have to connect a scanner to view live data. The Engine Computer uses a different temperature sensor that IS pretty accurate. If you find that is showing the correct temperature, what you see now on the dash gauge is your new "normal". If you really want the gauge to read the same as it once did, you'll have to buy a dozen sensors, then install them one at a time until you find the one that gives you the reading you like.

Some dash gauges did have mechanical adjustments for the pointer's position and for the "spread", or range it swept through from low to high. Those were adjusted at the factory and rarely needed to be readjusted after that. Your gauges should be computer-controlled, and the computer is going to place the pointer based on the sensor reading.
Was this
answer
helpful?
Yes
No
Sunday, July 20th, 2014 AT 8:50 PM
Tiny
NTP
  • MEMBER
  • 22 POSTS
Sir,
Thank you very much for the information. I still doubt for my phenomenon, once the system showed almost 1/2 scale of coolant temperature gauge and after awhile it points down at about 1/3 so I expect that the device associated, engine coolant temperature sensor, should work at not fully its efficient. And I think that the engine system i.E. Ecu and circumstance is still in perfect condition, this is my hypothesis because I cannot find any defect for the pathways from the sensor to ecu and dash. My opinion, it must be wrong/defect at a/some points then affect to the gauge. Could you give me the remarkable points that might be defected. As your information I should give up to improve the level of the gauge. Thank you again.
Was this
answer
helpful?
Yes
No
Monday, July 21st, 2014 AT 1:23 AM
Tiny
CARADIODOC
  • MECHANIC
  • 34,468 POSTS
Not sure what you're asking. It sounds like you don't have a problem. The temperature gauges are going to read differently on every car. All you have to do is become familiar with how yours reads now, so you'll recognize when it is warning you of a problem.
Was this
answer
helpful?
Yes
No
Monday, July 21st, 2014 AT 1:47 AM
Tiny
NTP
  • MEMBER
  • 22 POSTS
Sir,
I gave you my car's info(story) in additional. Once the gauge showed almost 1/2 scale which I define for myself that this is "normal" level, then after awhile until now might be i.E. 5000 km driving the temp gauge shows down to about 1/3 scale. Changing for a new coolant temp sensor wouldn't help just a small deviation of the gauge move up. I asked if there is/are some remarkable points for this abnormal condition. Sorry for my English that is not good. Thank you.
Was this
answer
helpful?
Yes
No
Monday, July 21st, 2014 AT 9:39 AM
Tiny
CARADIODOC
  • MECHANIC
  • 34,468 POSTS
Your best bet is to find a mechanic with a scanner, and look at the actual coolant temperature. If that is lower than it should be, suspect the thermostat. If it is normal, the gauge reading is what you'll have to go by from now on.
Was this
answer
helpful?
Yes
No
Tuesday, July 22nd, 2014 AT 12:05 AM
Tiny
NTP
  • MEMBER
  • 22 POSTS
Thank you very much.
Was this
answer
helpful?
Yes
No
Tuesday, July 22nd, 2014 AT 12:41 AM

Please login or register to post a reply.