HOME
ASK A QUESTION
REPAIR GUIDES
BECOME A MEMBER
LOG IN
Login with Facebook
OR
Remember me
NOT A MEMBER?
FORGOT PASSWORD?
CONTACT US
PRIVACY POLICY
TERMS AND CONDITIONS
☰
Home
Oldsmobile
Cutlass
Fuel System
Fuel leak
Car problems
LARONGO
MEMBER
1995 OLDSMOBILE CUTLASS
6 CYL
FWD
AUTOMATIC
219,000 MILES
My car has a gas smell coming from the engine
Tuesday, January 18th, 2011 AT 9:47 PM
1 Reply
WRENCHTECH
MECHANIC
20,761 POSTS
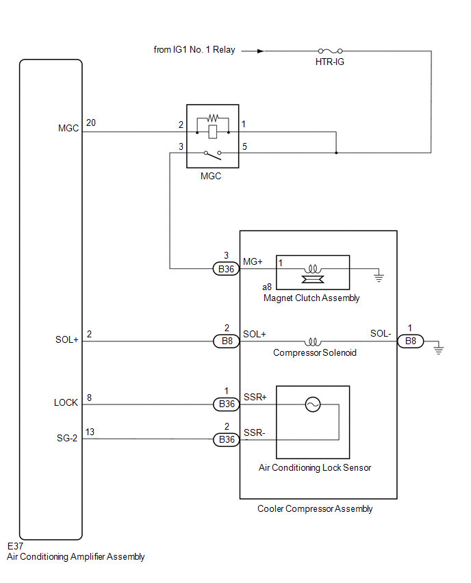
That means there is a fuel leak somewhere in the engine compartment. It could be a line, fuel rail or a fuel injector. You will have to locate the leak with the engine running as it will evaporate very quickly.
Images (Click to make bigger)
Was this
answer
helpful?
Yes
No
Tuesday, January 18th, 2011 AT 10:21 PM
Please
login
or
register
to post a reply.
Related Fuel Leak Content
1995 Oldsmobile Cutlass Strong Gas Odor Inside Car
Smells Problem 1995 Oldsmobile Cutlass 6 Cyl Front Wheel Drive Manual 3 Months Ago I Had The Gas Tank Changed Because It Was Leaking...
Asked by
Slinky
·
4 ANSWERS
1995
OLDSMOBILE CUTLASS
1986 Oldsmobile Cutlass Gasoline Smells
Smells Problem 1986 Oldsmobile Cutlass 6 Cyl Front Wheel Drive Automatic My Car, Sat In A Garage For About A Year, Until The Time...
Asked by
grantlaurenl
·
1 ANSWER
1986
OLDSMOBILE CUTLASS
1993 Oldsmobile Cutlass Fuel Pressure Regulator
Engine Problem 1993 Oldsmobile Cutlass 6 Cyl Wheel Drive Type Unknown Automatic 164k Miles I Just Took My Car To A Mechanic And He...
Asked by
mu4103
·
1 ANSWER
1993
OLDSMOBILE CUTLASS
1999 Oldsmobile Cutlass Changing Fuel Filter
1999 Oldsmobile Cutlass 6 Cyl Automatic 140000 Miles How Do You Pressurise The Fuel System Before Changing The Fuel Filter
Asked by
darreljul
·
1 ANSWER
1999
OLDSMOBILE CUTLASS
1991 Oldsmobile Cutlass Fuel Pump Power
Hi I Am Having An Issue With The Power To The Fuel Pump In This Car. When You First Turn The Key On And The Pump Should Run For A Fdew...
Asked by
sjf1075
·
1 ANSWER
1991
OLDSMOBILE CUTLASS
VIEW MORE
Ask a Car Question. It's Free!