Wednesday, June 1st, 2011 AT 7:20 PM
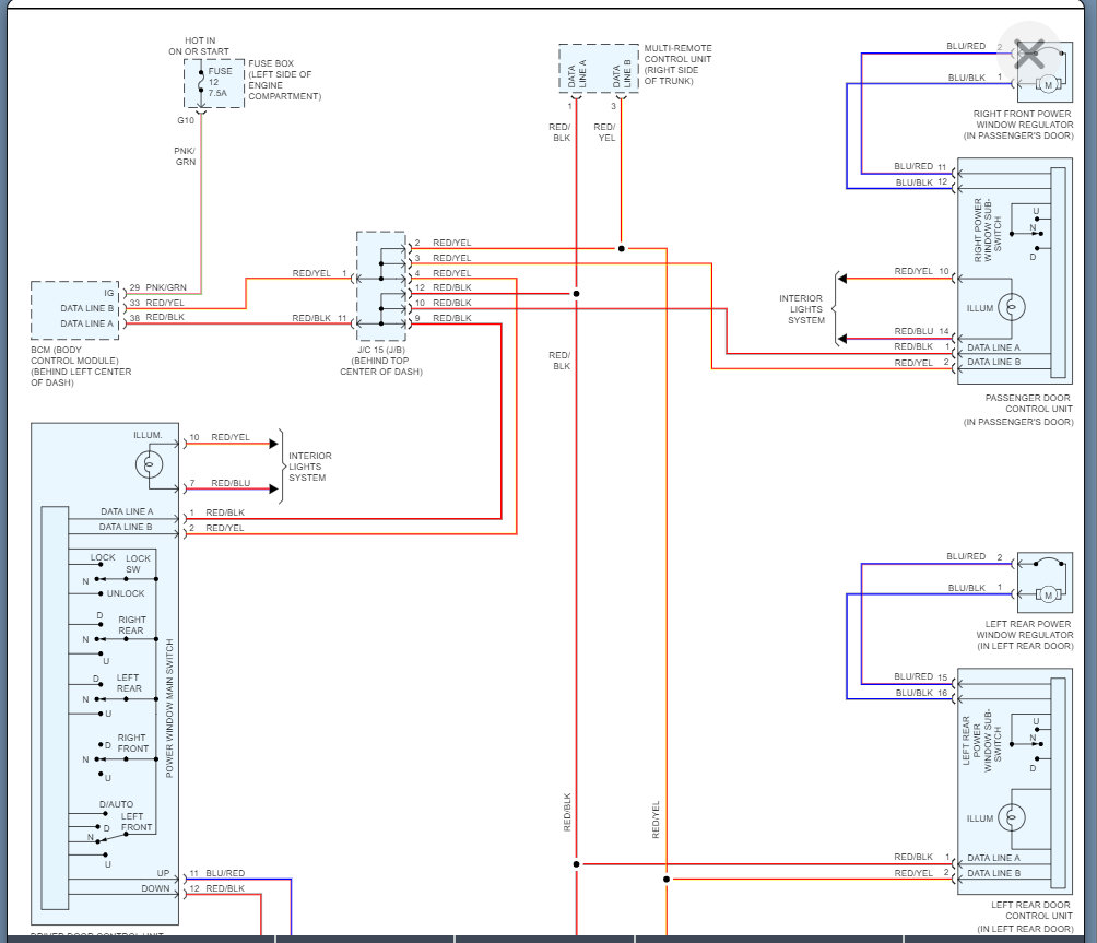
We have a 1995 nissan maxima with electrical issues. The power windows except the drivers side doesnt work. Also the radio, power locks, visor lights and security system stopped working, we have checked all the fuses with a multi meter- im not sure if this is relevant or not but my wife had to jumo the car off and the cables were put on wrong for just a second, and she switched them right away but this all happened shortly after that. Help! We have no idea what else to try.



