How do I tighten the timing chain on my car.

Tiny
IMPORTTUNER
  • MEMBER
  • 1995 NISSAN ALTIMA
  • 4 CYL
  • FWD
  • AUTOMATIC
  • 175,000 MILES
Its a little loose.
Friday, December 16th, 2011 AT 1:39 AM

1 Reply

Tiny
DRCRANKNWRENCH
  • MECHANIC
  • 3,380 POSTS
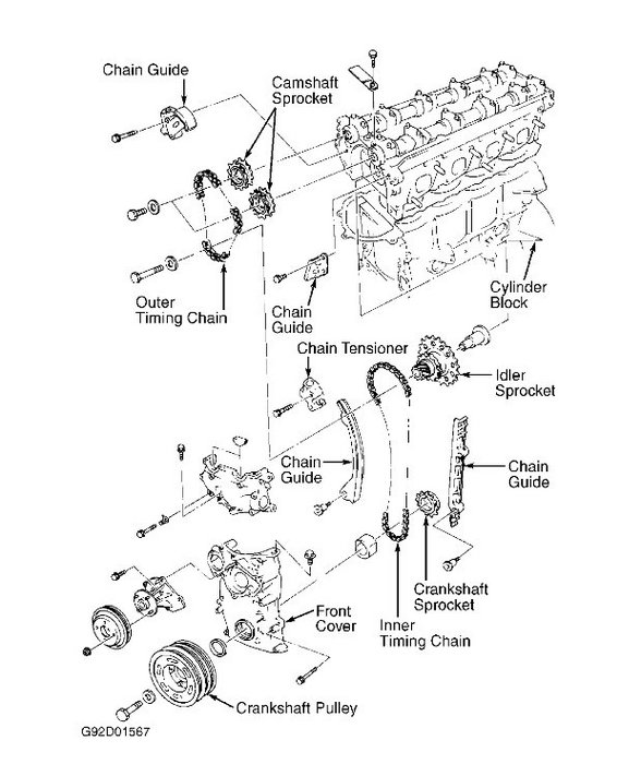
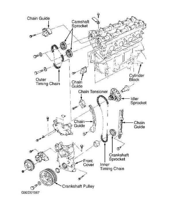
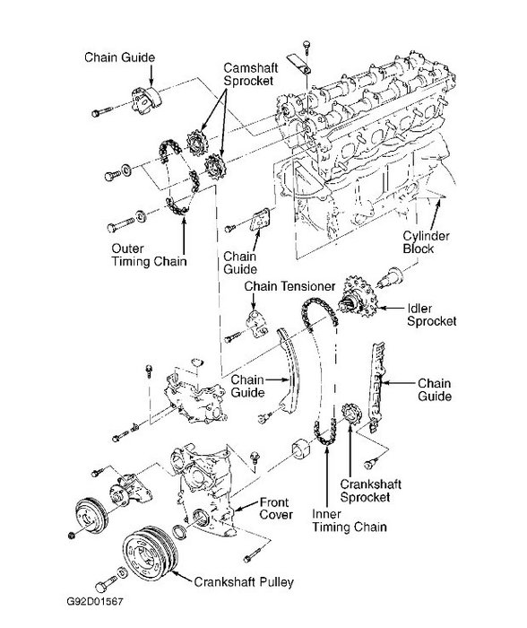
The timing chain tensioner does not appear to be adjustable and is hydraulically tensioned or static as there are not any adjustements mentioned in installation instructions.
There are 2 timing chains, inner and outer, and the inner only has a chain guide. If you have never done the timing chain or if it is over 70,000 miles since both have been replaced it is likely the chains and/or gears are in need of replacement.
I included a diagram of timing chain components so you could see how it is set up.
Was this
answer
helpful?
Yes
No
Thursday, February 25th, 2021 AT 11:49 AM

Please login or register to post a reply.