Do I even need the upper guide for my timing chain on my car?

Tiny
IMPORTTUNER
  • MEMBER
  • 1995 NISSAN ALTIMA
  • 4 CYL
  • FWD
  • AUTOMATIC
  • 175,000 MILES
My old guide broke at the bend.
Friday, December 16th, 2011 AT 1:30 AM

7 Replies

Tiny
RASMATAZ
  • MECHANIC
  • 75,992 POSTS
You need to replace it, it has its purpose being there
Was this
answer
helpful?
Yes
No
Friday, December 16th, 2011 AT 1:37 AM
Tiny
RASMATAZ
  • MECHANIC
  • 75,992 POSTS
--
Was this
answer
helpful?
Yes
No
Friday, December 16th, 2011 AT 1:39 AM
Tiny
IMPORTTUNER
  • MEMBER
  • 91 POSTS
Do I need to pull the motor out just to replace it.
Was this
answer
helpful?
Yes
No
+1
Friday, December 16th, 2011 AT 1:41 AM
Tiny
RASMATAZ
  • MECHANIC
  • 75,992 POSTS
You don't need to pull the engine
Was this
answer
helpful?
Yes
No
+1
Friday, December 16th, 2011 AT 1:43 AM
Tiny
IMPORTTUNER
  • MEMBER
  • 91 POSTS
What ele has to come off besides the valve cover?
Was this
answer
helpful?
Yes
No
Friday, December 16th, 2011 AT 1:44 AM
Tiny
RASMATAZ
  • MECHANIC
  • 75,992 POSTS
Are you trying to fix this without a repair manual if so I advised you to get one-you got a long way to go other than the valve cover

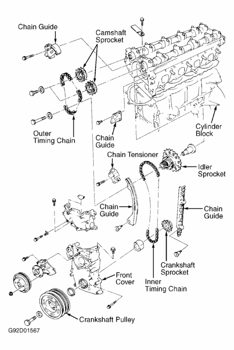
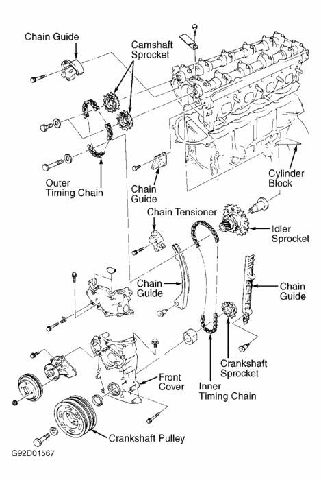
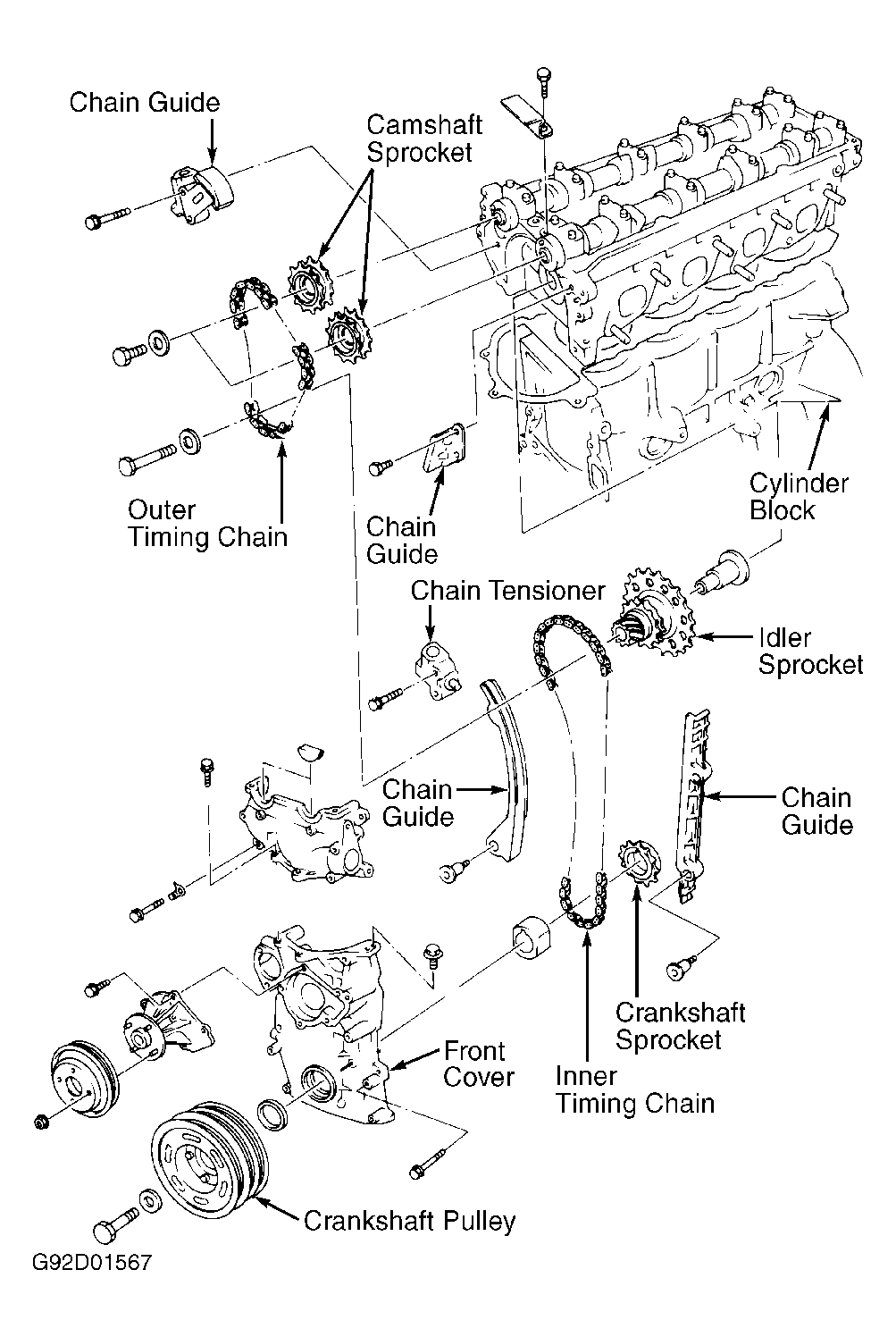
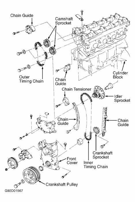
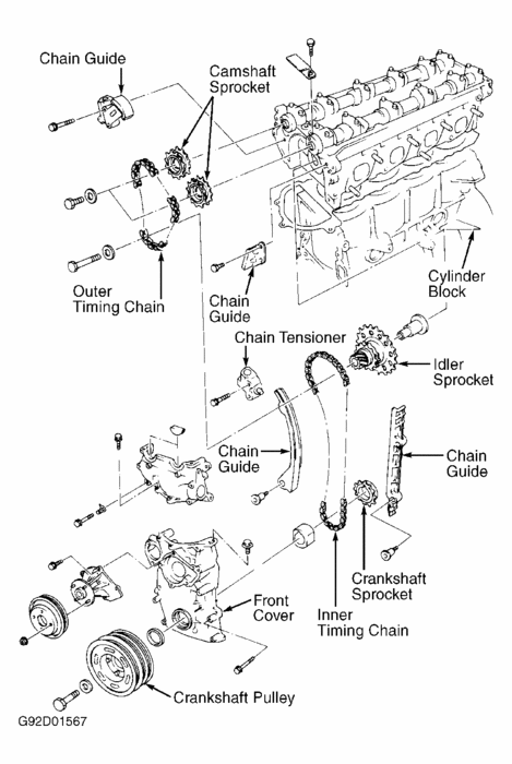
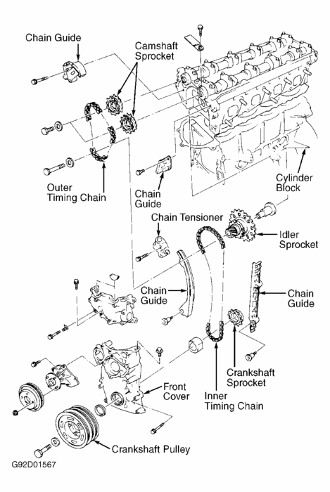
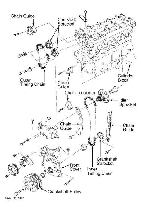
TIMING CHAIN
Tips Click a link to view tip
Tip: Timing Chain Removal and installation

CAUTION:If cylinder head is installed and timing chain is disconnected, DO NOT rotate camshaft or crankshaft; valves will contact pistons, resulting in bent valves.

NOTE:Following procedure has been revised per Technical Service Bulletin NTB98-093. Refer to 1993-99 ALTIMA TIMING CHAIN/FRONT COVER REVISED SERVICE PROCEDURE.

Removal
Release fuel pressure. See FUEL PRESSURE RELEASE. Drain coolant from radiator and cylinder block. Drain engine oil. Disconnect all necessary coolant hoses, electrical connectors, vacuum hoses, fuel lines and control cables.
Remove front exhaust tube. Remove intake manifold collector supports, and intake manifold. Remove exhaust manifold with catalytic converter. Remove air injection valve pipe. Remove intake air duct. Remove radiator fan and shroud. Remove injectors and fuel rail as an assembly. Remove distributor cap and spark plugs.
Set cylinder No. 1 at TDC of compression stroke, ensuring marks on crankshaft pulley and front cover align, and distributor rotor points to spark plug wire No. 1 on cap. Remove cylinder head cover. Remove distributor.
NOTE:It is not necessary to install a stopper to prevent inner or outer timing chains from disengaging sprockets.

Prevent camshafts from turning, and remove camshaft sprocket bolts. Remove camshaft sprocket. See Fig. 13. Mark and remove camshaft bearing caps in reverse order of installation. See Fig. 16. Remove camshafts.
Loosen cylinder head bolts in 2 or 3 steps, in reverse order of tightening sequence. See Fig. 11. Remove camshaft sprocket cover. Remove outer (upper) chain tensioner and guide. Remove outer timing chain. Remove idler sprocket bolt. Remove cylinder head.
Remove oil pan and oil strainer. See OIL PAN. Remove accessory drive belts. Remove A/C compressor idler pulley (if equipped). Remove crankshaft pulley. Remove front cover. Remove chain tensioner, tensioner arm and chain guides. Remove inner (lower) timing chain and idler sprocket. Remove oil pump drive spacer and crankshaft sprocket.
Was this
answer
helpful?
Yes
No
+1
Friday, December 16th, 2011 AT 1:55 AM
Tiny
IMPORTTUNER
  • MEMBER
  • 91 POSTS
Know were I can get one?
Was this
answer
helpful?
Yes
No
Saturday, December 17th, 2011 AT 12:25 AM

Please login or register to post a reply.