ford probe alarm disarming

1995 FORD PROBE
200 MILES
Avatar
FRAMMER
  • MEMBER
  • 1 POST
my alarm seems to always be on and I have to boost the car to start it - I would like to disable the alarm system
Jan 3, 2012 at 6:21 PM
Advertisement
Avatar
DRCRANKNWRENCH
  • CAR REPAIR CONTRIBUTOR
  • 3,380 POSTS
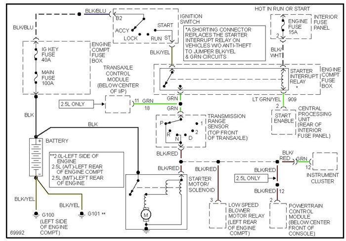
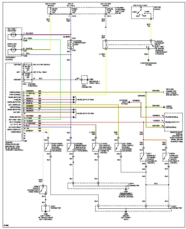
I am giving you 2 wioring diaramgs that show that starting allow realy, "I may have gotten the name wrong", it has a yeallow and green wire going into the relay and into a green wire and the other side, small side of really, there is a black and white going to a light green and yellow connector on the same realy. The second diagramn gives a brief description of how cars without anti-theft bypass the relay. I think you could use the 15 AMP fuse on the Yellow Green side and get a switch to engage and dis/engage as you plaese. I think you can remove the whole relay and put the wires on left together and switch the 15 AMP wires iob the right and call it good. However, you might want to switch it back one day if you sell it. It will probably work better at fooling a thief thatn the stock set up.
Jan 4, 2012 at 4:39 AM
Advertisement
Avatar
DRCRANKNWRENCH
  • CAR REPAIR CONTRIBUTOR
  • 3,380 POSTS
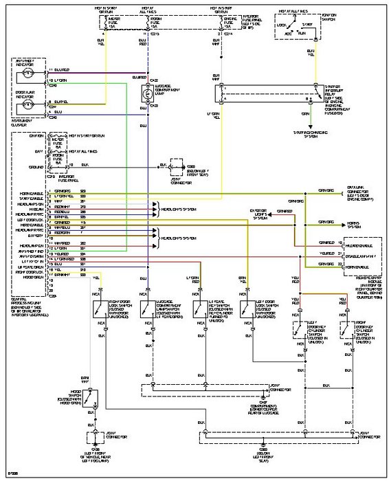
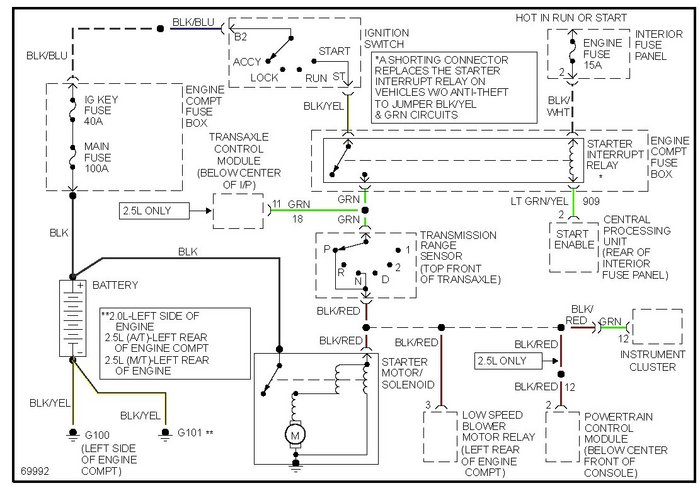
I forgot second woring diargram
Jan 4, 2012 at 4:40 AM
Avatar
DRCRANKNWRENCH
  • CAR REPAIR CONTRIBUTOR
  • 3,380 POSTS
Forgot second wiring diagram
Jan 4, 2012 at 4:41 AM
Repair Safety Notice: This information is for general instructional purposes only. Vehicle repair can be dangerous. Verify all information, follow manufacturer service procedures, use proper tools and safety equipment, and consult a qualified repair shop when needed.