I recently changed out my starter and battery.

Tiny
KEVIN007
  • MEMBER
  • 1995 FORD BRONCO
  • 139,000 MILES
I recently changed out my starter and battery cables. I reinstalled it and hooked it up to the battery positive first but I am not getting any power to the vehicle. I took the batter to autozone for a test and it is 100% charged. I reinstalled the battery and still no power. I later checked the fuses and all are okay. I don't know much about the relay's and I assume that is the problem. Prior to deinstalling the starter I did a complete electrical check and all are okay. I am out of trouble shooting and other tests. Any thoughts?
Thursday, February 21st, 2013 AT 12:30 AM

3 Replies

Tiny
CJ MEDEVAC
  • MECHANIC
  • 11,005 POSTS
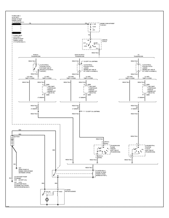
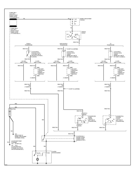
OK FELLER

FAILED TO MENTION YOUR ENGINE

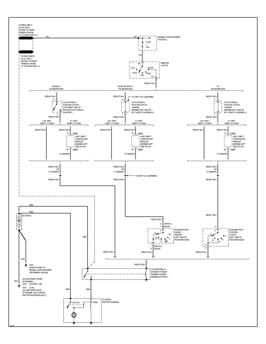
I GOT THE 5.0L (PIC 1)

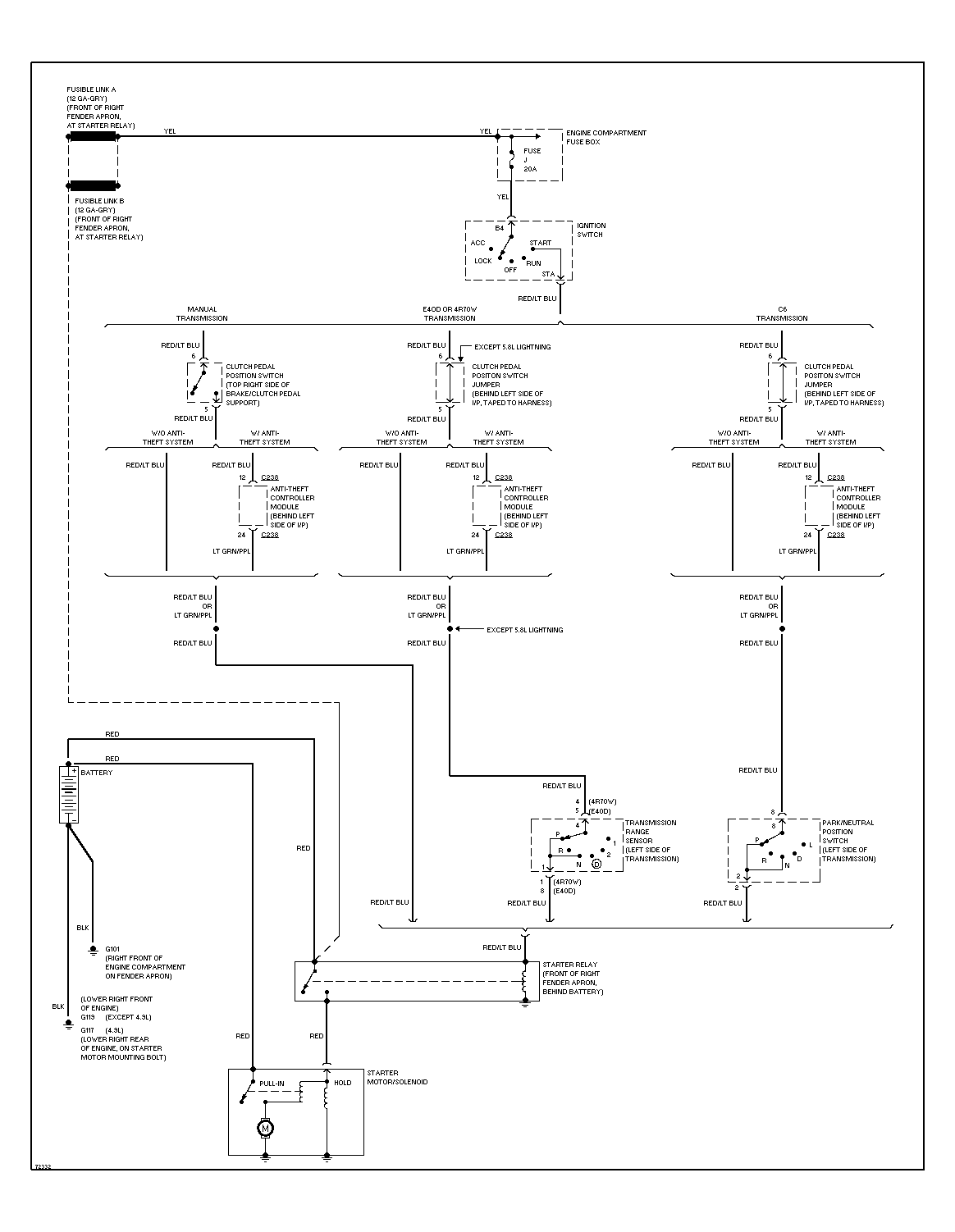
AND THE 5.8L (PIC 2)

STARTING CIRCUIT DIAGRAMS FOR YOU

THIS SHOULD TELL YOU WHAT'S IN THE CIRCUIT AND MOST LIKELY WHERE TO FIND IT

BEFORE YOU START GOING CRAZY----INSURE THE "S" WIRE (EVENTUALLY MAKES IT'S WAY BACK TO THE IGN SWITCH) IS ON THE "S" TERMINAL ON YOUR STARTER RELAY

THE OTHER TERMINAL IS "i" (SOMETIMES NOT USED) IT IS A 12V OVERRIDE TO THE COIL WHILE THE KEY IS IN THE START POSITION---LIKE ON MY CJ 5 AND WILLYS JEEPS

YOU CAN SEE "S" EMBOSSED NEXT TO THE LITTLE TERMINAL, ON THE PLASTIC, ON THE SOLENOID IN THIS LINK

http://shop.advanceautoparts.com/webapp/wcs/stores/servlet/product_starter-solenoid-bwd_5972833-p?searchTerm=solenoid+starter

THIS IS NORMALLY THE PROBLEM THAT IS MOST COMMON WHEN IT COMES TO CONNECTIONS

READ AND ACTUALLY DO THIS STUFF...........AGAIN, IF YOU THINK YOU HAVE BEEN THERE DONE THAT!

https://www.2carpros.com/questions/1996-chevrolet-tahoe-wont-start-sounds-dead-battery-jumpbox-get-same-reults

NOW THEN

SHOULD YOU FIND THAT YOU NEED PARTS---$30 ON UP---LET ME KNOW BEFORE YOU JUMP ON 'EM, I CAN SHOW YOU HOW TO SAVE SOME $$$ .......NOW AND IN THE FUTURE

DIAGRAM 1 IS THE 5.0L DIAGRAM 2 IS THE 5.8L OTHER PICS ARE PROOF OF WHERE YOU WENT WRONG!

KEEP US INFORMED....LEMME KNOW IF YOU CAN READ 'EM OR NOT

THE MEDIC

Was this
answer
helpful?
Yes
No
Thursday, February 21st, 2013 AT 1:37 AM
Tiny
KEVIN007
  • MEMBER
  • 2 POSTS
Sorry to mention that but thanks for the diagram. Its snowing now so I will get to it when it stops. No garage here.

I also failed to mention the cabin light is not on also so. Thanks for the help
Was this
answer
helpful?
Yes
No
Thursday, February 21st, 2013 AT 1:40 AM
Tiny
CJ MEDEVAC
  • MECHANIC
  • 11,005 POSTS
IF YOU HAD A JEEP

YOU'D CRAWL NECK-ED OUT THERE TO HIM TO MAKE HIM ALL BETTER!

BUT REALISTICALLY, YOU COULD JUST STAY IN THE HOUSE. THEY SELDOM GET SICK!

WERE YOU ABLE TO READ THE DIAGRAMS. THEY LOOK GREAT IN MY DOWNLOADS WHEN I GET 'EM (I KEEP 'EM A WEEK OR SO, IN CASE I HAVE TO TAKE ANOTHER ROUTE TO GET 'EM TO YOU)

I NEVER KNOW IF THEY WILL BE LEGIBLE OR NOT TILL I POST 'EM AND LOOK AT 'EMI HAVE A 32 INCH TV FOR A MONITOR. MAY NOT LOOK THE SAME TO YOU. LEMME KNOW

MY MONEY'S ON THE TOUGH LOVE LINK!

KEEP US INFORMED

THE MEDIC
Was this
answer
helpful?
Yes
No
Thursday, February 21st, 2013 AT 2:00 AM

Please login or register to post a reply.