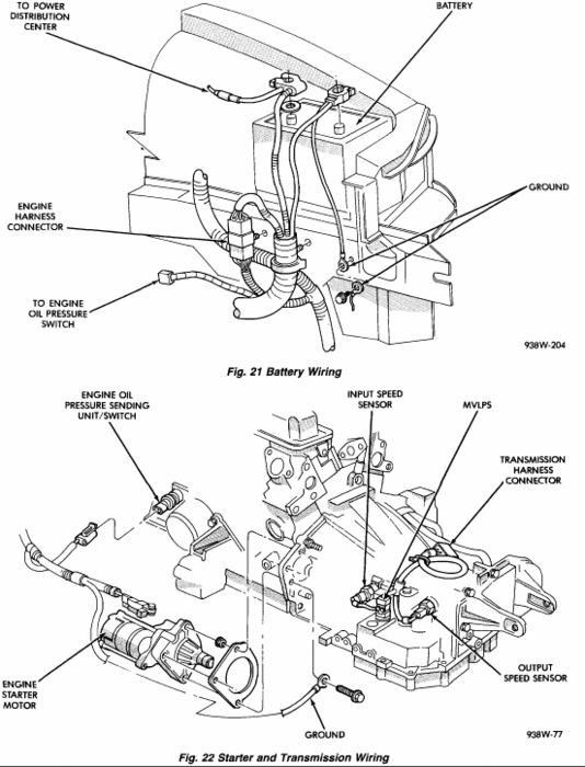
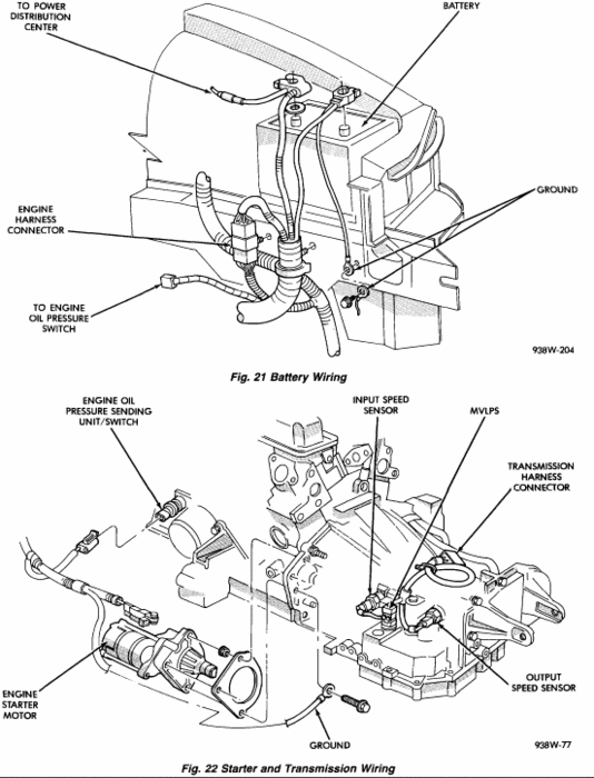
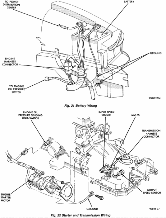
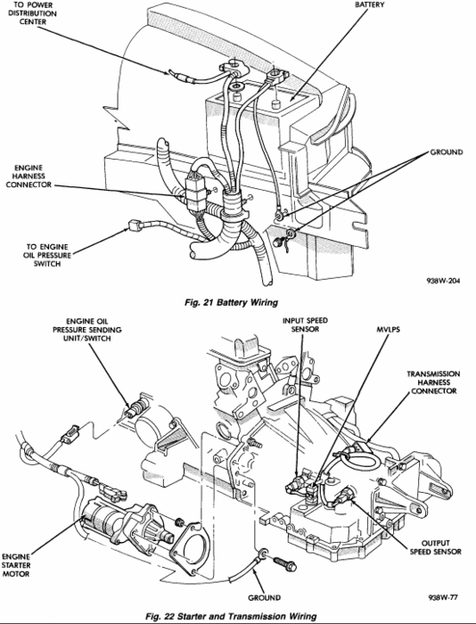
Starter

Tiny
RENEGADE
  • MEMBER
  • 1995 CHRYSLER NEW YORKER
  • 6 CYL
How do I change the starter on a 1995 chrysler new yorker
Monday, March 7th, 2011 AT 6:16 AM

1 Reply

Tiny
RASMATAZ
  • MECHANIC
  • 75,992 POSTS
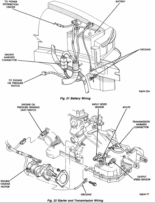
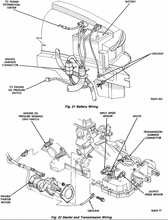
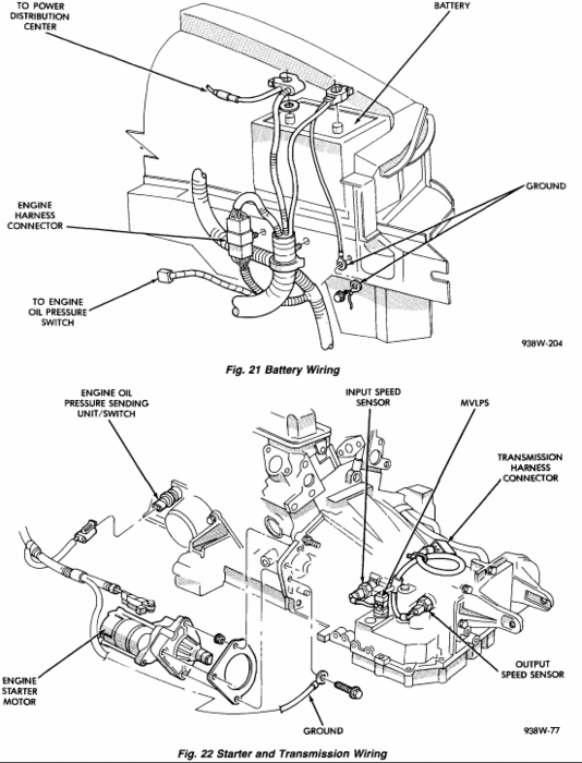
Disconnect battery ground cable.
Raise and support vehicle.
Remove three bolts from starter.
Remove starter assembly from engine.
Disconnect electrical connections from starter solenoid.
Reverse procedure to install.
Was this
answer
helpful?
Yes
No
+1
Monday, March 7th, 2011 AT 6:31 AM

Please login or register to post a reply.