Saturday, July 13th, 2013 AT 8:40 PM
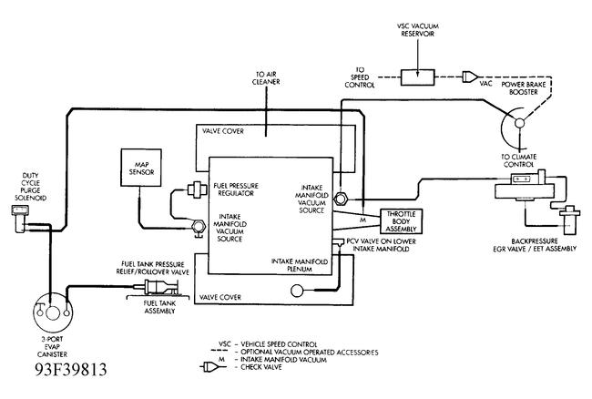
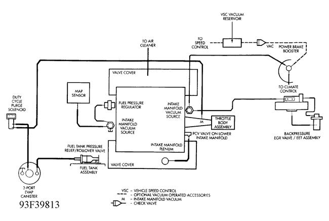
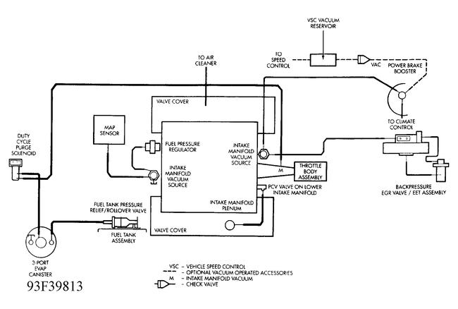
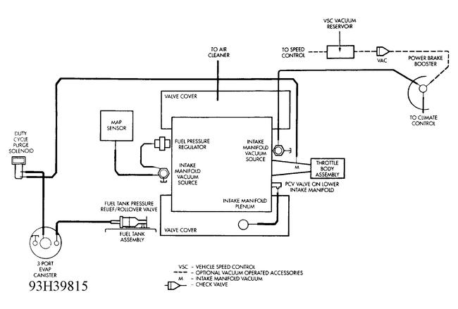
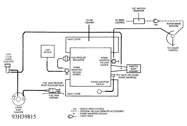
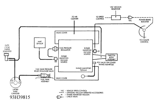
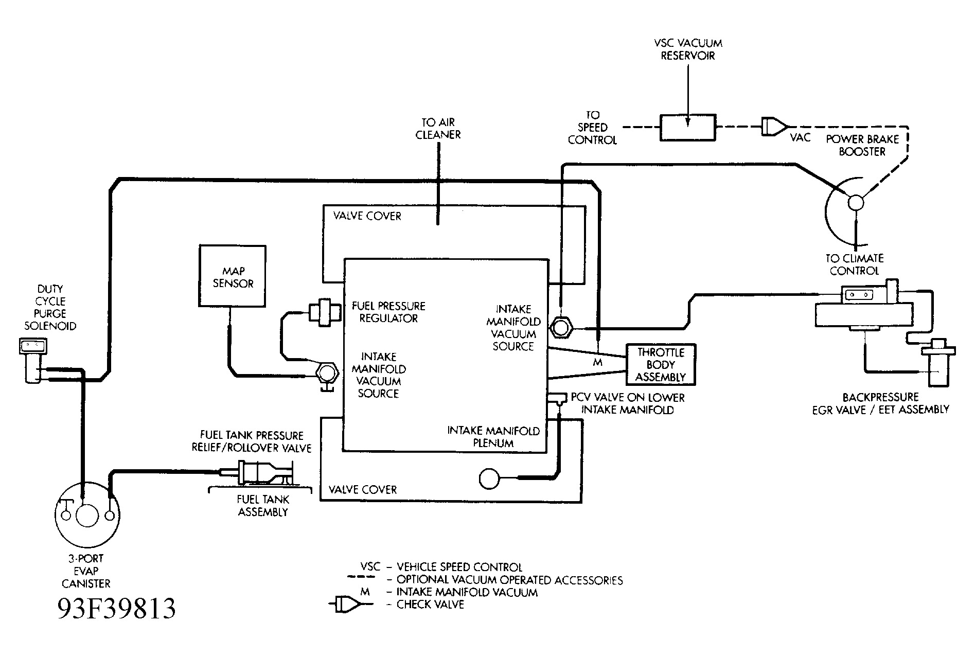
1995 Chrysler LeBaron V6 3L engine, 94000 miles. A friend had to take apart the manifold and disconnect vacuum lines to do a repair. The vacuum line that is responsible for climate control did not get re-connected. I can see it on the vacuum diagram and have located where it should be connected under the hood, but am not sure where it connects to climate control. There is a three way intersection. One vacuum line goes to the braking assist and then on to the cruise control, one to the climate controls and one to the manifold for intake. I am trying to figure out where the vacuum line should be so that I can use my heater controls again. This line controls the ability to switch between panel, bi-level and floor heating/cooling. Thank you!




