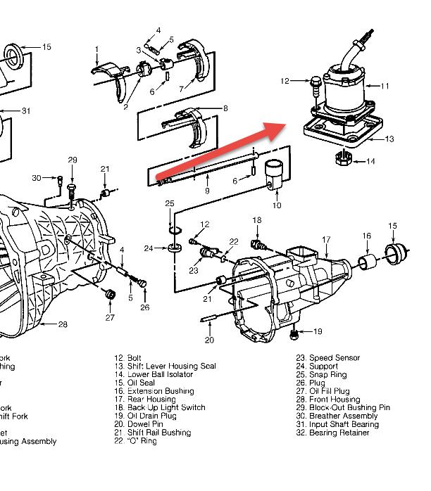
Saturday, May 24th, 2014 AT 10:44 AM
Was having trouble getting the shifter to get in gear. Feels bent or something. I shoved it into forst now its stuck in first no neutral or anything. Clutch feels fine and I have plenty of fluid in the res.



