HOME
ASK A QUESTION
REPAIR GUIDES
BECOME A MEMBER
LOG IN
Login with Facebook
OR
Remember me
NOT A MEMBER?
FORGOT PASSWORD?
CONTACT US
PRIVACY POLICY
TERMS AND CONDITIONS
☰
Home
Chevrolet
Blazer
Body
Window
Latch
95 4door Blazer, rear window latch won't open, can hear the servo
DOUGJULS
MEMBER
1995 CHEVROLET BLAZER
200,000 MILES
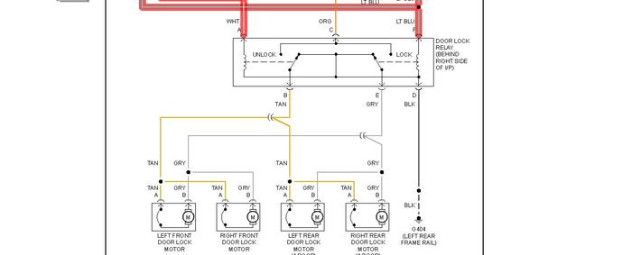
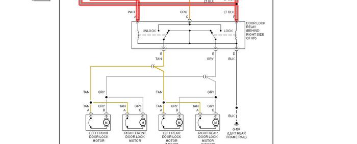
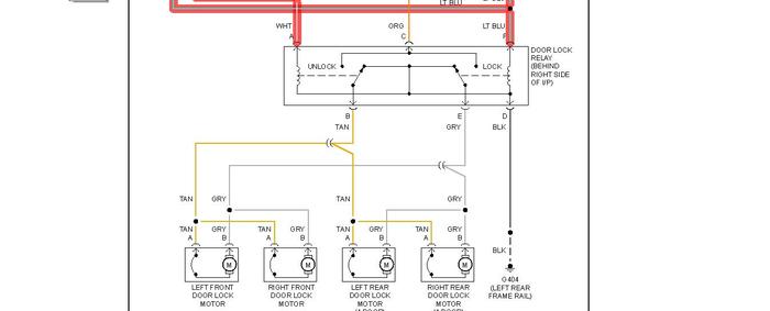
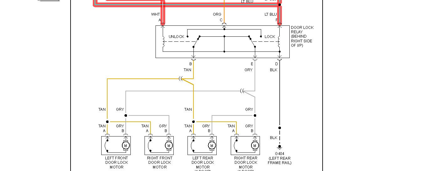
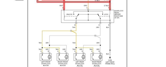
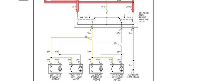
Where can I find scematic
Saturday, March 24th, 2012 AT 11:29 PM
3 Replies
RASMATAZ
MECHANIC
75,992 POSTS
See below
Images (Click to make bigger)
Was this
answer
helpful?
Yes
No
Saturday, March 24th, 2012 AT 11:51 PM
DOUGJULS
MEMBER
5 POSTS
Thank you, found out it is a broken lever arm on the latch motor
Was this
answer
helpful?
Yes
No
Sunday, March 25th, 2012 AT 12:35 AM
RASMATAZ
MECHANIC
75,992 POSTS
Your welcome and TY for coming back with the fix-
Was this
answer
helpful?
Yes
No
Tuesday, March 27th, 2012 AT 1:16 AM
Please
login
or
register
to post a reply.
Related Window Latch Content
Window Fuse Location?
Where Can I Locate Fuse For Power Windows And Identify Fuse?
Asked by
Anonymous
·
1 ANSWER
3 IMAGES
1998
CHEVROLET BLAZER
Power Window Not Working
The Driver's Side Front Power Window Has Completely Stopped Working. It Does Not Go Up Or Down. All Other Windows Work Fine. Do I Need A...
Asked by
bjm
·
5 ANSWERS
2002
CHEVROLET BLAZER
1993 Chevy Blazer Power Window Off Of Track
When I Took Off The Door Panel Of My Chevy Blazer I Noticed That There Is A Bar Bent Back Quite A Ways And The Window Is Off The Track....
Asked by
bob418
·
1 ANSWER
1993
CHEVROLET BLAZER
Door Window?
How Do I Get The Door Panel Off To Change The Window Regulator? Are There Special Tools? I Am Mechanically Inclined, An Electrician And I...
Asked by
bobdoss
·
27 ANSWERS
1 IMAGE
2004
CHEVROLET BLAZER
1991 Chevy Blazer Window Switch
Electrical Problem 1991 Chevy Blazer Four Wheel Drive Automatic I Have A 91 S-10 Blazer That The Automatic Window Quite Working When...
Asked by
a mechince iam not
·
3 ANSWERS
1991
CHEVROLET BLAZER
VIEW MORE
Ask a Car Question. It's Free!
Window Switch Replacement and Test
Door Panel Removal
Door Lock Replacement