Heater fan

Tiny
DOUGM
  • MEMBER
  • 1995 CHEVROLET ASTRO
  • 6 CYL
  • 2WD
  • AUTOMATIC
  • 150,000 MILES
Heater fan works one day and not the next. It is a plain jane model 2 wheel dr auto v6 with ac
Monday, January 31st, 2011 AT 6:43 PM

1 Reply

Tiny
JDL
  • MECHANIC
  • 16,098 POSTS
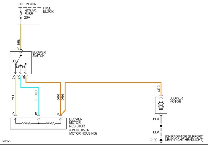
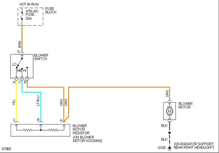
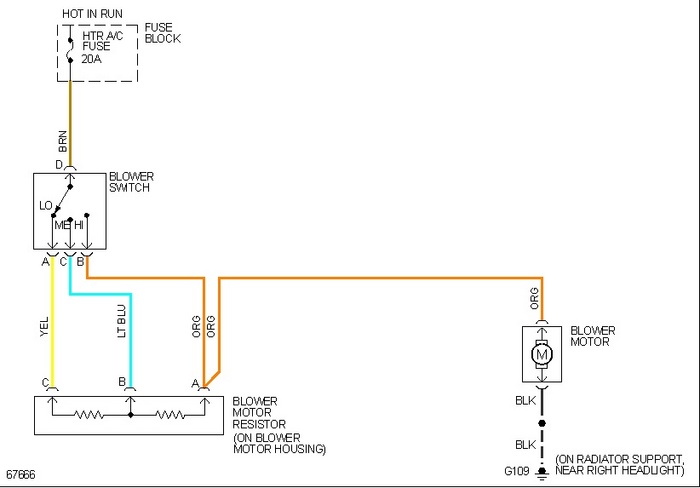
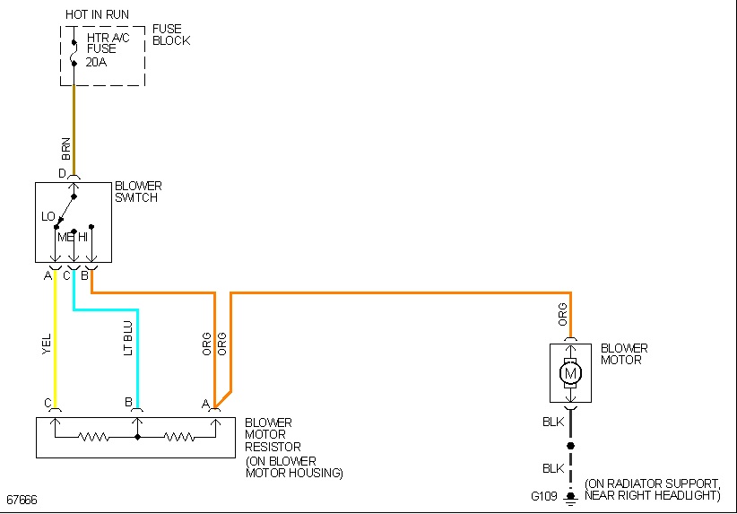
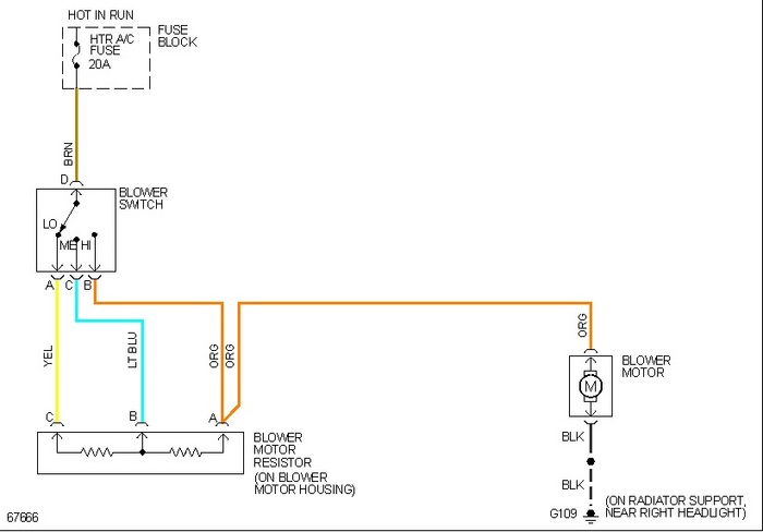
I'd have to check the wiring at the blower motor, when the problem is ongoing. Take connector loose from blower motor, key on, hvac on, use a voltage tester and check for voltage and ground at the wiring harness connector. Orange wire is voltage, black is ground. I've seen faulty blower motors that would work intermittently. Sometimes you can tap on it and it starts working. Wiring info below.
Was this
answer
helpful?
Yes
No
Monday, January 31st, 2011 AT 6:53 PM

Please login or register to post a reply.