Hello, I was wondering if I could get.

Tiny
HEATHEROLSON
  • MEMBER
  • 1995 BUICK RIVIERA
  • 95,000 MILES
Hello,
I was wondering if I could get the wiring diagram for the headlights to the headlight switch in the car? I can't find one anywhere.

It is a 1995 Riviera with a floor shifter if that helps. Thank you!

Thank you!
Friday, November 23rd, 2012 AT 3:44 AM

15 Replies

Tiny
HEATHEROLSON
  • MEMBER
  • 9 POSTS
The low beams quit working today, but the high beams still work. I just need the wiring diagram for troubleshooting. Thank you!
Was this
answer
helpful?
Yes
No
Friday, November 23rd, 2012 AT 3:47 AM
Tiny
SATURNTECH9
  • MECHANIC
  • 30,869 POSTS
With daytime running lights or twilight sentinel or without?
Was this
answer
helpful?
Yes
No
Friday, November 23rd, 2012 AT 4:16 AM
Tiny
HEATHEROLSON
  • MEMBER
  • 9 POSTS
My Uncle bought it used like 2 days ago, sorry. Is there a way to tell which one it would be? I don't think running lights kicked on automatically at all that I know of as of yet. Would the running lights come on automatically with this model?

Thank you!
Was this
answer
helpful?
Yes
No
Friday, November 23rd, 2012 AT 4:20 AM
Tiny
SATURNTECH9
  • MECHANIC
  • 30,869 POSTS
Do. You have the head lights lighting up during the day?Or the head light switch has a delay control position etc other then the on off position?
Was this
answer
helpful?
Yes
No
Friday, November 23rd, 2012 AT 4:59 AM
Tiny
HEATHEROLSON
  • MEMBER
  • 9 POSTS
No, it doesn't have a dealy control position and the headlights don't run during the day at all. The headlights are always off unless you manually turn them on. Hope this helps and thank you for helping me! :)
Was this
answer
helpful?
Yes
No
Friday, November 23rd, 2012 AT 5:06 AM
Tiny
SATURNTECH9
  • MECHANIC
  • 30,869 POSTS
Alright at the low beam bulbs the black wire should have 2 ohms or less to ground?With the low beams on the tan wires to the low beam bulbs should have battery voltage?
Was this
answer
helpful?
Yes
No
Friday, November 23rd, 2012 AT 5:14 AM
Tiny
HEATHEROLSON
  • MEMBER
  • 9 POSTS
I can find out on Saturday I will be going back out to his house and I will bring a voltmeter. Tan wires are the lowbeam wires? Thought black was the ground? Really hoping for a wiring diagram to try to isolate the cause instead of throwing parts at it.
Was this
answer
helpful?
Yes
No
Friday, November 23rd, 2012 AT 5:25 AM
Tiny
SATURNTECH9
  • MECHANIC
  • 30,869 POSTS
Where not throwing parts at anything were testing right now yes the black wire to the low beams is ground thats why I said it should be 2 ohms or less to ground also the tan wire has battery voltage to the low beam bulbs with the low beams on.I will do my best to get you a wire diagram but when I try to post it you wont be able to read it.I cant blow up the whole wire diagram. Just parts of it.
Was this
answer
helpful?
Yes
No
Friday, November 23rd, 2012 AT 5:37 AM
Tiny
HEATHEROLSON
  • MEMBER
  • 9 POSTS
Sorry, I wasn't implying that you were suggesting that we throw parts at something. I asked a question on here before and some guy replied and diagnosed me wrong 3 times and I had to spend over $200.00 that I didn't need to. I just didn't want that to happen again so that is why I just wanted the wiring diagram- my apologies if I sounded that way- that wasn't my intention. Do you know if the blinker stick (combination switch) is before or after the headlight switch in the path to the low beam?
Was this
answer
helpful?
Yes
No
Friday, November 23rd, 2012 AT 5:44 AM
Tiny
SATURNTECH9
  • MECHANIC
  • 30,869 POSTS
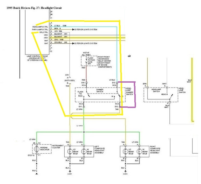
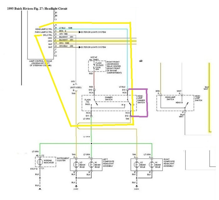
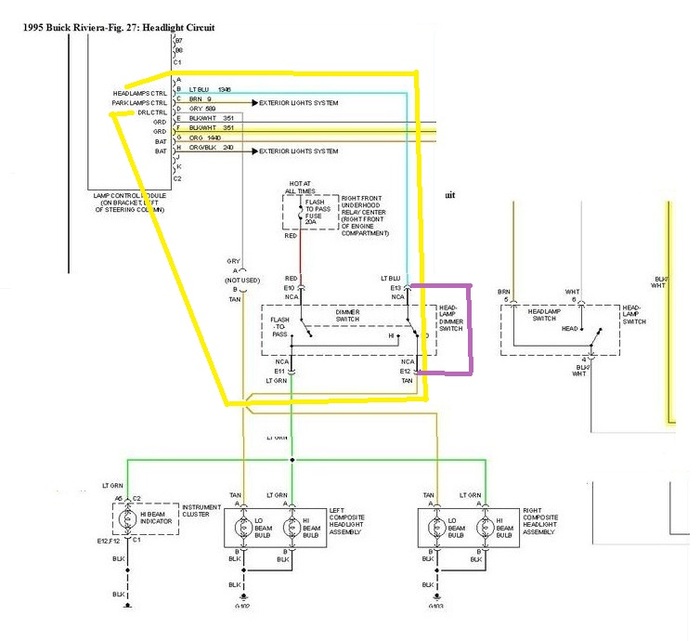
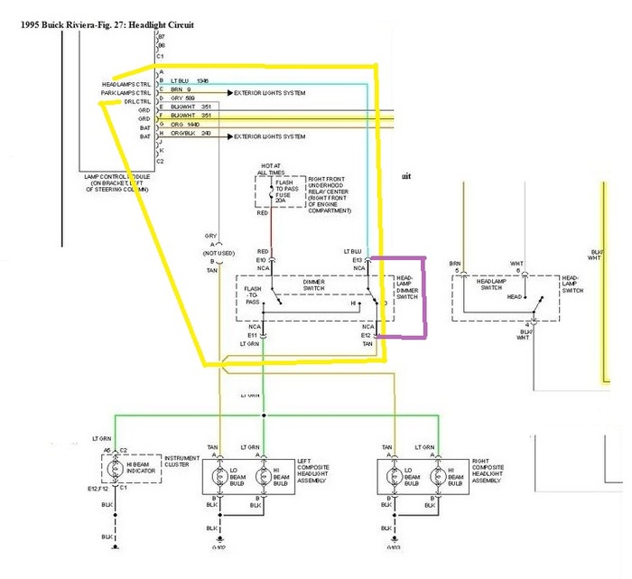
Theres some wire diagram.
Was this
answer
helpful?
Yes
No
+2
Friday, November 23rd, 2012 AT 5:45 AM
Tiny
HEATHEROLSON
  • MEMBER
  • 9 POSTS
The car is actually 40 miles away from me (we are getting a snowstorm tonight through Saturday morning) and my Uncle doesn't have internet so I have to return home to post troubleshooting answers. So I had just hoped to have the diagram to troubleshoot it as efficiently on gasoline/time as possible. Thank you!
Was this
answer
helpful?
Yes
No
Friday, November 23rd, 2012 AT 5:46 AM
Tiny
SATURNTECH9
  • MECHANIC
  • 30,869 POSTS
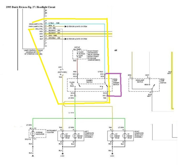
I hope the wire diagrams I posted helps as you can see the light blue wire feeds power to the switch to the low beams from the head light control module. You can see if that light blue wire feeds power into the switch like the diagram shows.
Was this
answer
helpful?
Yes
No
Friday, November 23rd, 2012 AT 5:51 AM
Tiny
HEATHEROLSON
  • MEMBER
  • 9 POSTS
So from the Lamp Control Module, testing for continuity from Lt blue to gray gray wires make a closed circuit should indicate if the switch in the combination switch (multifunction blinker stick) or wires to it are the root of the evil

Also testing for continuity from E12 to E13 on the combination switch (multifunction blinker stick), should help confirm or isolate the problem. (I hope they are labeled on the connector).

Sorry for attached image, wasn't sure if I explained it well enough, yellow for the LCP, purple for the combo switch.
Was this
answer
helpful?
Yes
No
Friday, November 23rd, 2012 AT 7:05 AM
Tiny
HEATHEROLSON
  • MEMBER
  • 9 POSTS
LCM* not LCP.

Thank you for the provided diagrams, helped a lot to have a visual.
Was this
answer
helpful?
Yes
No
Friday, November 23rd, 2012 AT 7:07 AM
Tiny
SATURNTECH9
  • MECHANIC
  • 30,869 POSTS
The way I explained it is simpler let me know what you find.
Was this
answer
helpful?
Yes
No
Friday, November 23rd, 2012 AT 7:12 AM

Please login or register to post a reply.