Thursday, January 17th, 2013 AT 9:12 PM
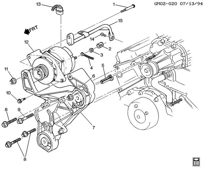
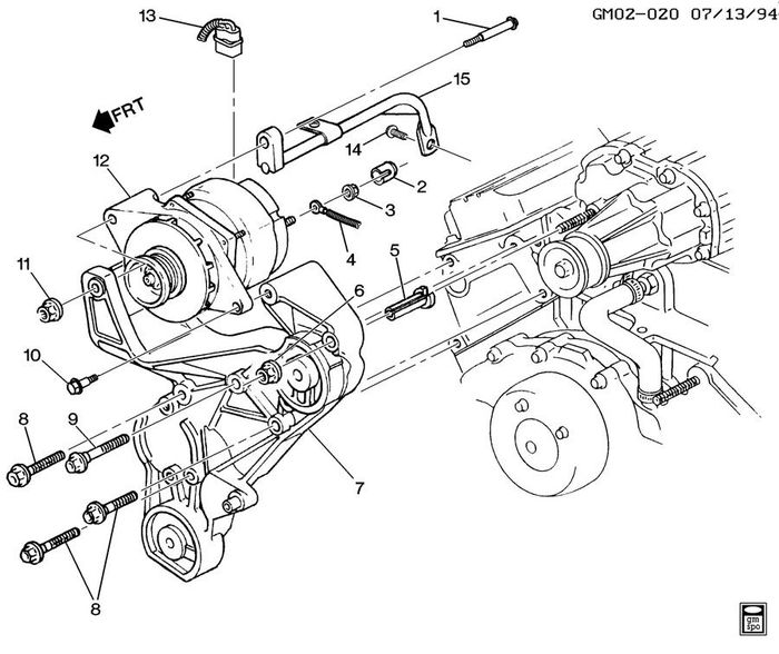
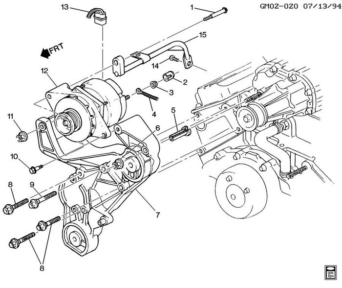
Supercharger serpentine belt grooved idler pulley broke all to pieces and took out the stud that both the smooth pulley and the grooved pulley mount on. Can the bracket that the stud is on be replaced? It looks to me like the stud is part of the power steering pump mounting bracket, but it's hard to tell unless I remove the alternator, power steering pump and maybe more. I'd like to find out if it's replaceable before I go to all the trouble of taking the front of the engine off.






