Looking for taillight wiring diagram

Tiny
EWOODY04
  • MEMBER
  • 1994 PONTIAC FIREBIRD
  • 140 MILES
The owner of the vehicle before me cut the wires for the tail lights. I am looking for a diagram that shows how the wires should go so that I can repair them.
Please let me know if you have such a diagram.

Thank You,
E. Woody
Sunday, June 17th, 2012 AT 11:53 PM

3 Replies

Tiny
CJ MEDEVAC
  • MECHANIC
  • 11,005 POSTS
ENGINE SIZE?---WITH OR WITHOUT DAYLIGHT DRIVING LIGHT?

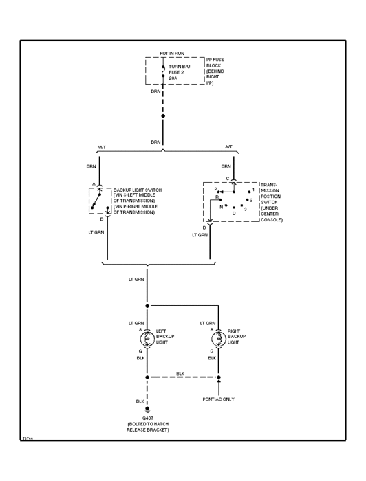
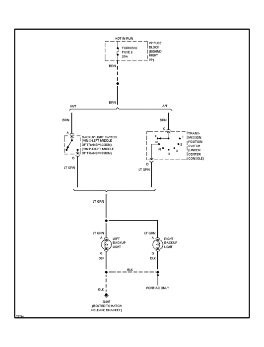
BACK-UP LIGHTS TOO?

THE MEDIC
Was this
answer
helpful?
Yes
No
Monday, June 18th, 2012 AT 12:12 AM
Tiny
EWOODY04
  • MEMBER
  • 2 POSTS
It is a 5.7 and yes the backup lights too not sure about daytime running lights have fog lights but no fog light relay and the lamps my be blown
Was this
answer
helpful?
Yes
No
Monday, June 18th, 2012 AT 2:24 AM
Tiny
CJ MEDEVAC
  • MECHANIC
  • 11,005 POSTS
I CAN GET OTHER DIAGRAMS IF YOU NEED THEM AND IF THEY ARE AVAILABLE. FOR A SPECIFIC SYSTEM IS THE BEST WAY TO TELL ME WHAT YOU WANT

THESE ARE DOWNLOADED ON MY COMPUTER NOW, AND AR EZ TO SEE (I SAVE 'EM ABOUT A WEEK, THEN DELETE THEM)

I DON'T KNOW HOW THEY LOOK ON 2CAR TILL I POST THEM

IF YOU CANNOT READ THEM, PLEASE TELL ME IN A RESPONSE---I CAN SAFELY GET THEM TO YOU WITHOUT "YOU" BLURTING OUT YOUR PERSONAL INFO, ON OPEN FORUM! JUST TELL ME!

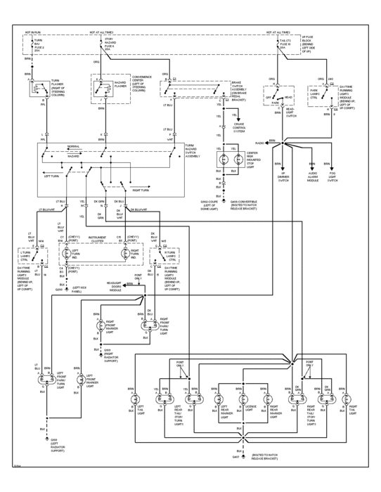
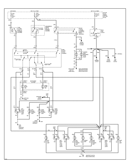
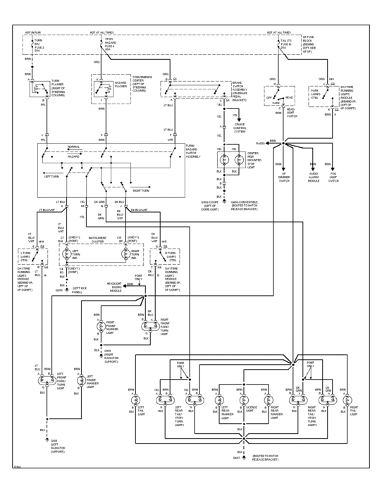
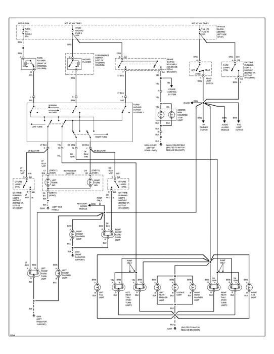
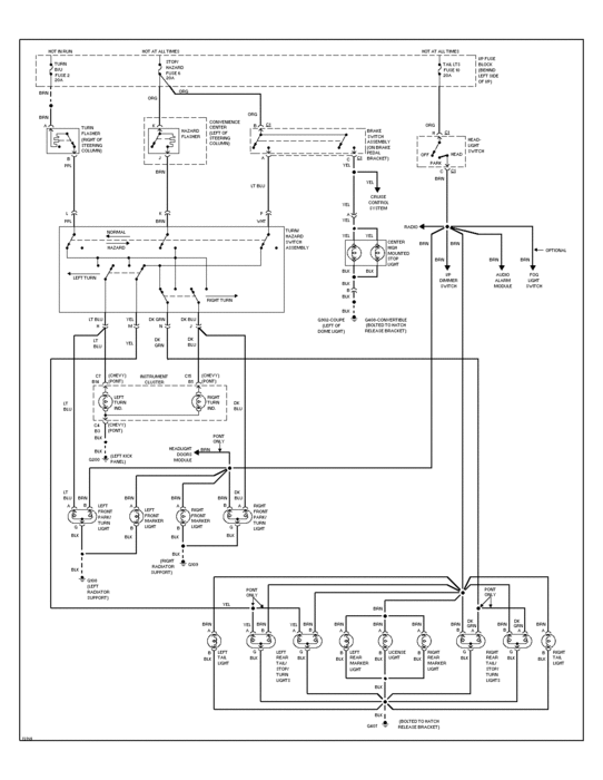
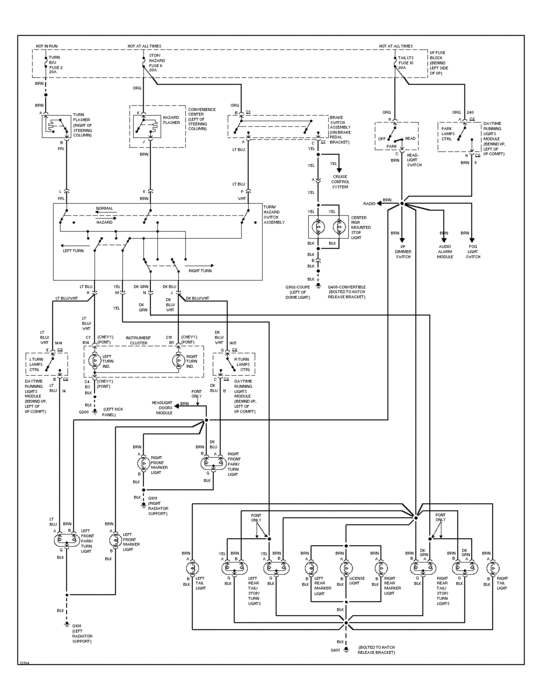
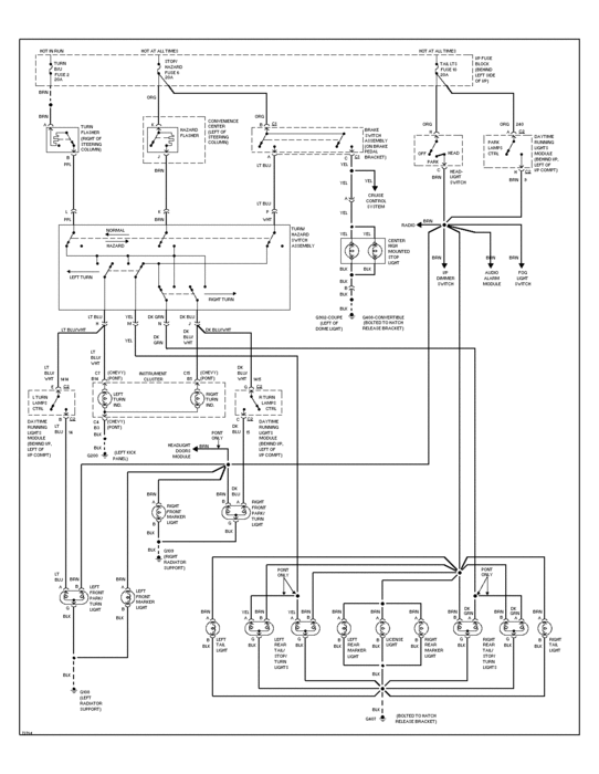
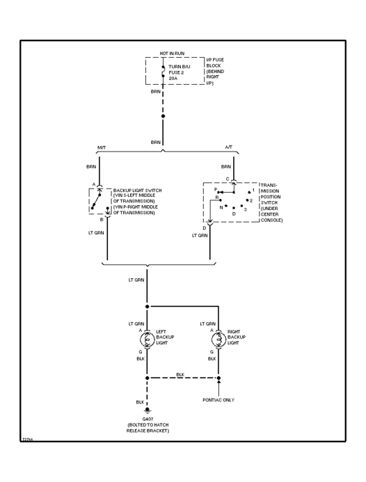
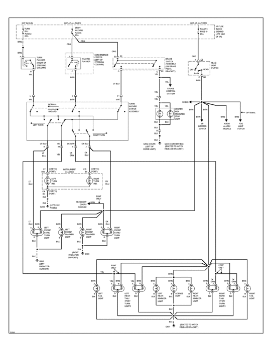
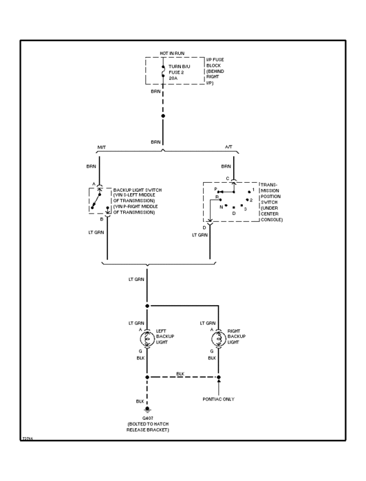
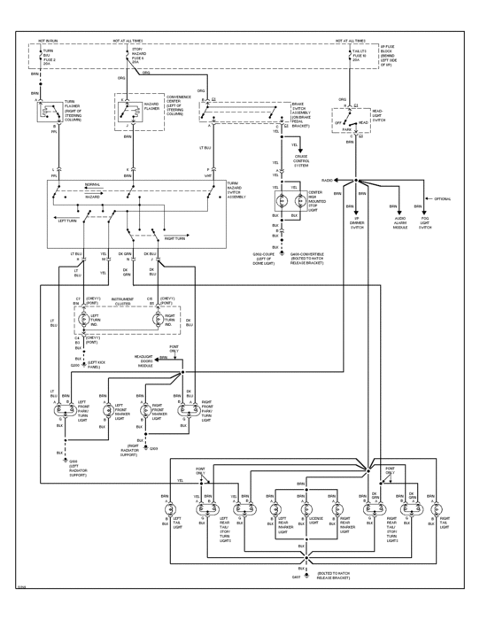
DIAGRAM

1) BUCK-UP

2) WITH DAYLIGHT RUNNING LIGHTS

3) WITHOUT DAYLIGHT RUNNING LIGHTS

YOUR TURN

THE MEDIC
Was this
answer
helpful?
Yes
No
+1
Monday, June 18th, 2012 AT 2:53 AM

Please login or register to post a reply.