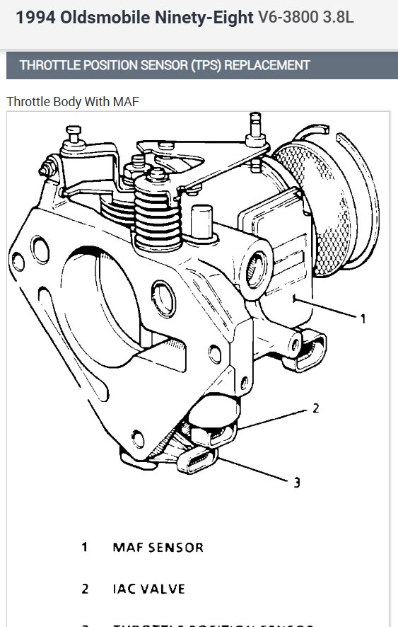
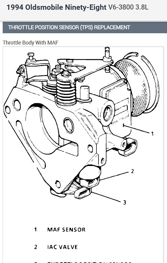
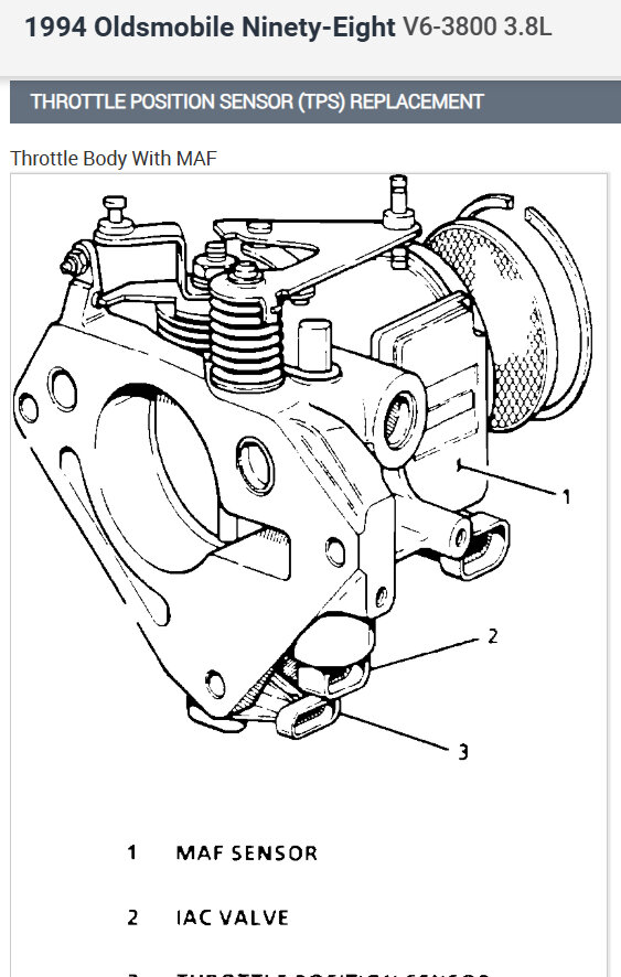
I need to know how to remove and install a throttle position sensor on my 1994 olds 98. I recently replace the plug going into the sensor and now the engine is running very fast.
Thank you
Ray
Thank you
Ray
Dec 6, 2012 at 6:16 PM

