Oil filter location

Tiny
CRASH54
  • MEMBER
  • 1994 HONDA CIVIC
  • 4 CYL
  • 2WD
  • AUTOMATIC
  • 235,000 MILES
I can not locate the oil filter on my 1994 honda civic ex
Monday, January 24th, 2011 AT 8:50 PM

5 Replies

Tiny
RASMATAZ
  • MECHANIC
  • 75,992 POSTS
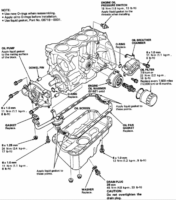
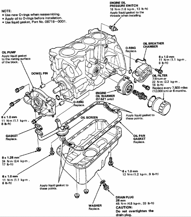
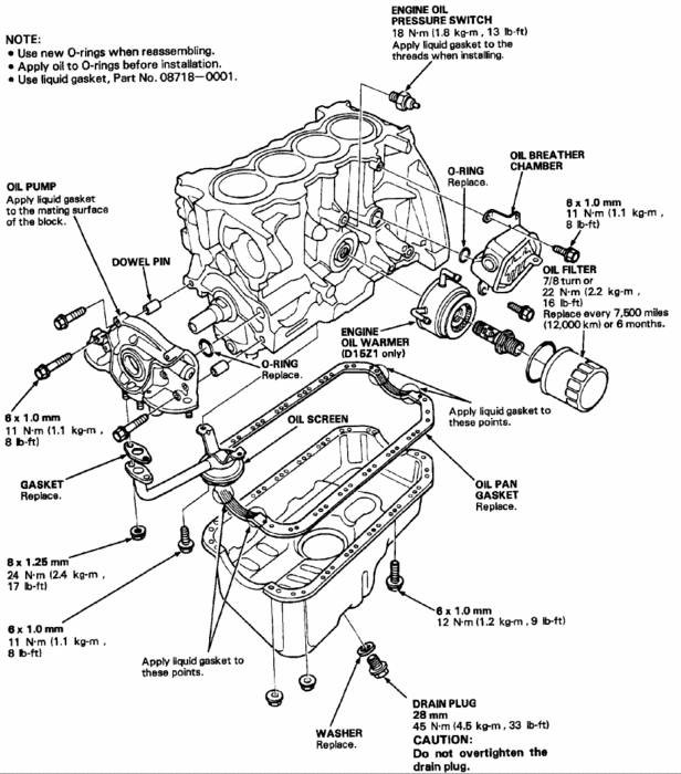
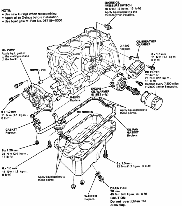
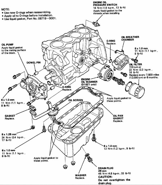
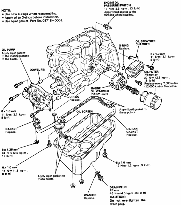
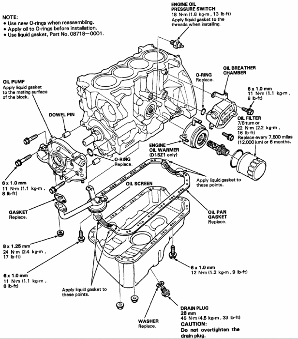
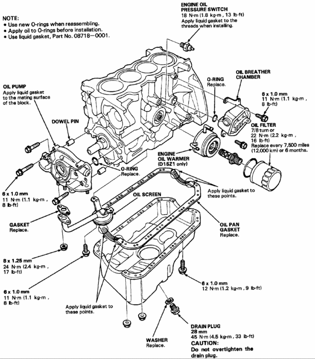
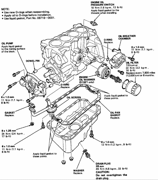
The oil filter is on the left side of the engine under the intake here is a video showing the job being done and a diagram below.

https://youtu.be/HYmp8Oh3FyQ

Check out the diagrams (Below). Please let us know if you need anything else to get the problem fixed.
Was this
answer
helpful?
Yes
No
+1
Monday, January 24th, 2011 AT 10:00 PM
Tiny
ALEA2709
  • MEMBER
  • 3 POSTS
  • HONDA CIVIC
Make and Model of your car: Honda Civic LX 1995
Current odometer reading: 204000 km
Automatic Transmission
front wheel drive

What kind of engine oil do I need to use and how much?
Also, what kind of oil filter do I need?

Thank you in advance.
Was this
answer
helpful?
Yes
No
-1
Monday, October 8th, 2018 AT 11:41 AM (Merged)
Tiny
SERVICE WRITER
  • MECHANIC
  • 9,123 POSTS
There is a selection of filters here:
https://www.2carpros.com/forum/change-oil-and-oil-filter-vt59034.html?highlight=

I would use 5w30 or 10w30 weight oil, it will take 3.5 quarts. After you change it. run it for a minute, shut it off and recheck the level after a few minutes.

Alos, when you take off the old filter, make sure the gasket comes off to. Lube the new gasket that is on the filter with a litle oil before installing it.
Was this
answer
helpful?
Yes
No
Monday, October 8th, 2018 AT 11:41 AM (Merged)
Tiny
JACKARL
  • MEMBER
  • 1 POST
  • 1997 HONDA CIVIC
  • 4 CYL
  • FWD
  • AUTOMATIC
  • 80,000 MILES
How to change my oil and oil filter
Was this
answer
helpful?
Yes
No
Monday, October 8th, 2018 AT 11:41 AM (Merged)
Tiny
KHLOW2008
  • MECHANIC
  • 41,814 POSTS
Jack of front of vehicle.
Put oil receptacle under engine.
Remove oil drain plug.
Allow oil to drain.
Remove oil filter with filter wrench.
Install new filter after applying a coat of engine oil to the gasket.
Hand tighten the filter as hard as you can get it to.
Install drain plug.
Lower jack.
Fill engine oil to maximum mark, overfill by about 4 mm.
Start engine.
Stop engine.
Recheck engine oil.
Top up if necessary
Was this
answer
helpful?
Yes
No
+1
Monday, October 8th, 2018 AT 11:41 AM (Merged)

Please login or register to post a reply.