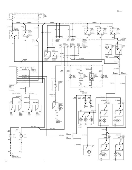
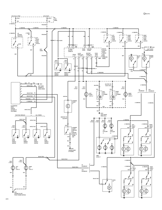
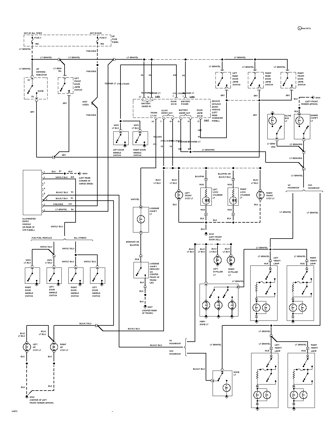
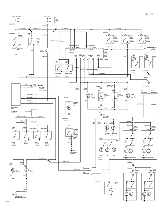
Monday, February 25th, 2013 AT 8:28 PM
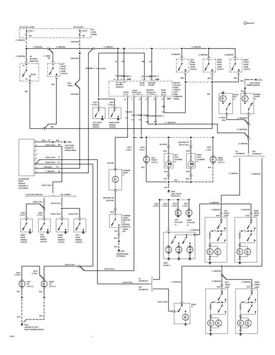
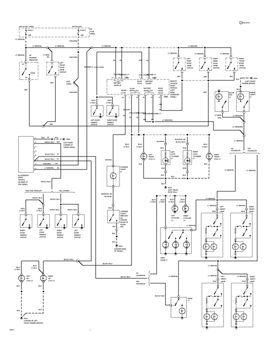
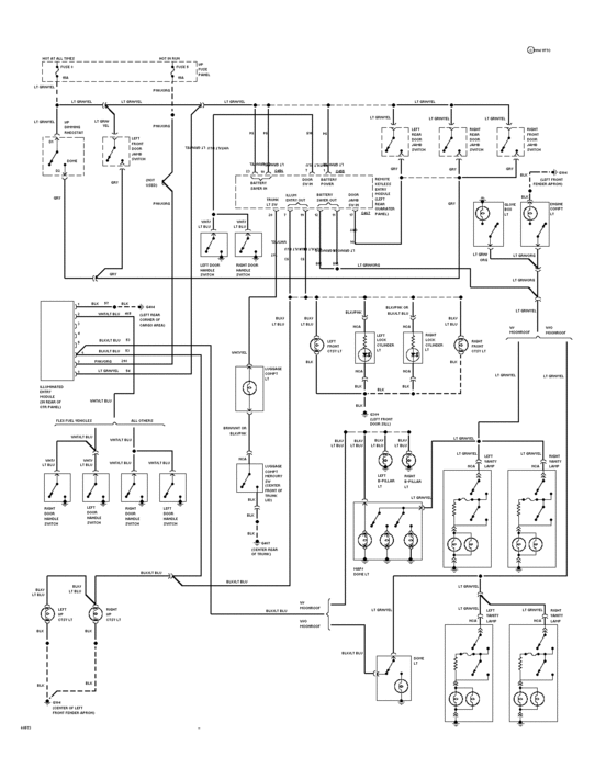
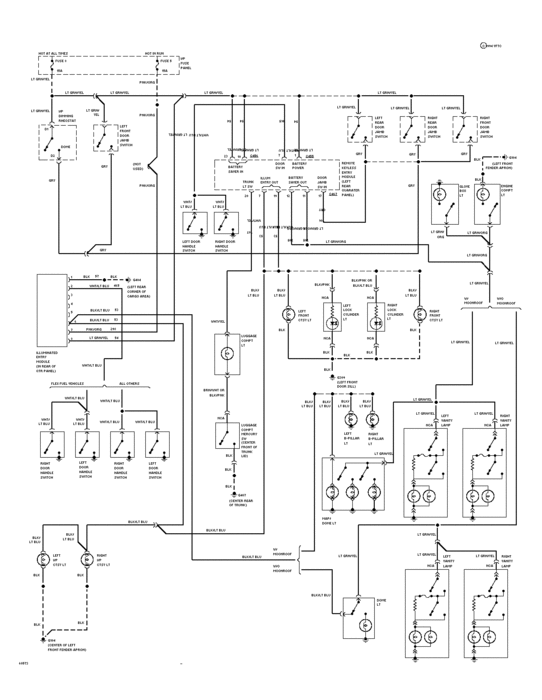
I have a 1994 ford taurus sho and the radio Dome light Horn keyless entry moonroof mirrors and door chime doesnt work. I checked the fuses and none are blown. I am wondering what could cause this. A broken circut from a fused link or circut breaker? Any input would be helpful. And appreciated. Thank you.
