HOME
ASK A QUESTION
REPAIR GUIDES
BECOME A MEMBER
LOG IN
Login with Facebook
OR
Remember me
NOT A MEMBER?
FORGOT PASSWORD?
CONTACT US
PRIVACY POLICY
TERMS AND CONDITIONS
☰
Home
Ford
Explorer
Engine
Starter
Solenoid
How do I hook up a solenoid switch on my 94 Ford Explorer 2WD?
TERESAKAYSEXTONSANDS
MEMBER
1994 FORD EXPLORER
Im trying too hook up a starter solenoid switch on my 94 ford explorer 2wd cansome one help
Friday, September 14th, 2012 AT 10:54 PM
3 Replies
ALLPRO
MECHANIC
48 POSTS
So you want to replace an existing faulty soleniod with a new one?
Or does it not have on at all? Im confused.
So clarification from you would help alot, then I can point you in the right direction.
Was this
answer
helpful?
Yes
No
Friday, September 14th, 2012 AT 11:01 PM
TERESAKAYSEXTONSANDS
MEMBER
3 POSTS
Well I put a new one on and didnt pay attention to the wiring and I hooked it up wrong I think
Was this
answer
helpful?
Yes
No
+2
Friday, September 14th, 2012 AT 11:10 PM
JDL
MECHANIC
16,098 POSTS
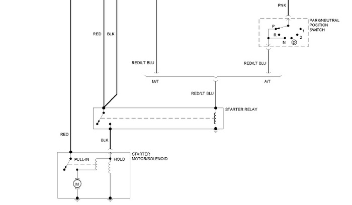
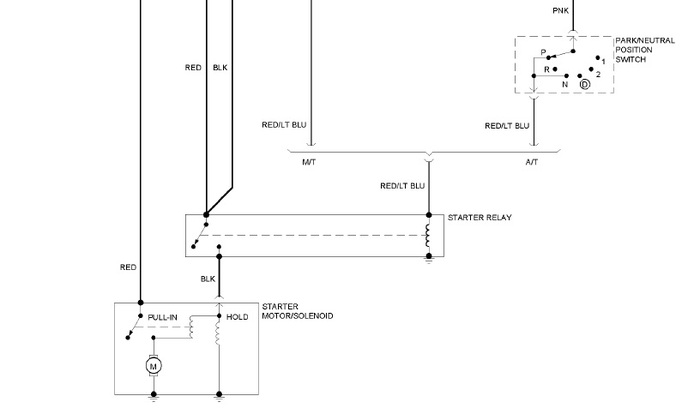
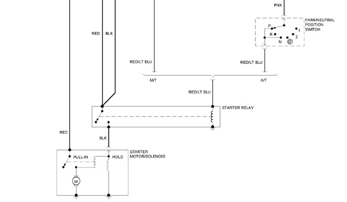
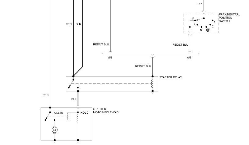
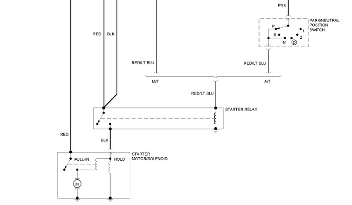
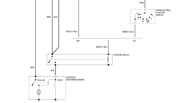
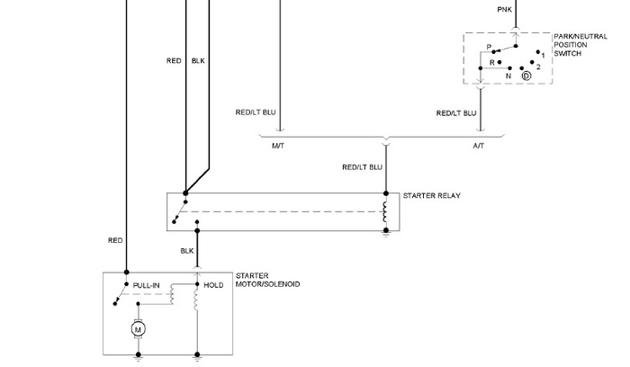
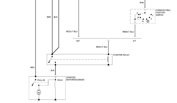
I found this wiring diagram. Everybody have a good day.
Image (Click to make bigger)
Was this
answer
helpful?
Yes
No
+1
Saturday, September 15th, 2012 AT 7:08 PM
Please
login
or
register
to post a reply.
Related Starter Solenoid Content
1996 Ford Explorer Starter, Solenoid Or What??
1996 Ford Explorer 1996 Ford Explorer, Battery Fully Charged, But When You Turn The Ignition, Starter Engages For About A Half...
Asked by
DHauff
·
2 ANSWERS
1996
FORD EXPLORER
No Power!
I Have A 1997 Ford Explorer! It Was Just Clicking And No Turning Over! Put A Starter On! Still Clicking! Was Told To Peplace The Starter...
Asked by
estroud06
·
4 ANSWERS
1 IMAGE
1997
FORD EXPLORER
1991 Ford Explorer No Power To Starter
Good Day I Bought The Vehicle Last Oct, And Was Told Then That There Might Be A Wiring Problem, Improper Ground Somewhere, And The Rear...
Asked by
John MacLean
·
5 ANSWERS
1991
FORD EXPLORER
Starter Running After Key Is Taken Out Of Ignition
Greeting's- I Have A 96' Ford Explorer With About 160,000 Miles And A V-6 Engine. The Other Day I Went To Start It And The Starter Kept...
Asked by
freiburg8
·
1 ANSWER
FORD EXPLORER
No Power To Starter
1992 Ford Explorer, V6 4.0l, 225,367 Miles Replaced The Battery, Starter/solenoid, And Alternator, All Were Bad. The Old Alternator...
Asked by
sven
·
3 ANSWERS
FORD EXPLORER
VIEW MORE
Ask a Car Question. It's Free!
Starter Replacement
Starter Motor Replacement
Starter Motor Replacement