Hello, please I need the electrical diagram of the Eagle Vision (Chrysler) 3.5 CC. V6 1994, thanks.

Tiny
HUGH7001
  • MEMBER
  • 1994 EAGLE VISION
  • 11,500 MILES
(sensor wires and cables disconnected electric fan), please I need the electrical diagram of the eagle vision (Chrysler) 3.5 cc. V6 1994, thanks.
Saturday, May 12th, 2012 AT 11:56 PM

1 Reply

Tiny
DRCRANKNWRENCH
  • MECHANIC
  • 3,380 POSTS
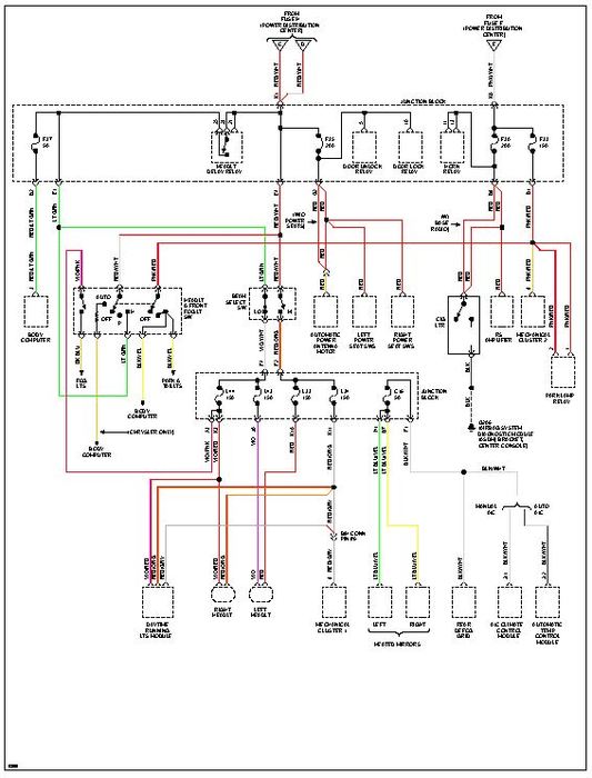
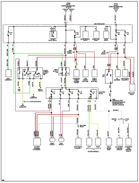
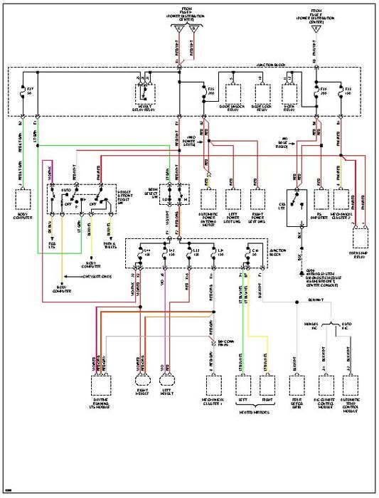
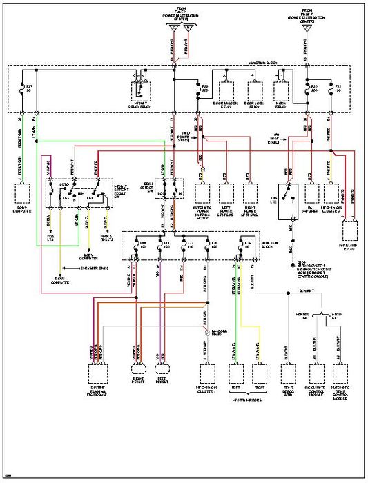
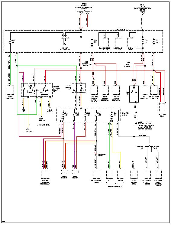
I am attaching 2 engine diagrams and 3 power distribution diagrams. They are labeled in order and can be laid out left to right. This should get you everything you need. Check out the diagrams (Below). Please let us know if you need anything else to get the problem fixed.
Was this
answer
helpful?
Yes
No
-1
Sunday, May 13th, 2012 AT 4:19 AM

Please login or register to post a reply.

Related General Content