HOME
ASK A QUESTION
REPAIR GUIDES
BECOME A MEMBER
LOG IN
Login with Facebook
OR
Remember me
NOT A MEMBER?
FORGOT PASSWORD?
CONTACT US
PRIVACY POLICY
TERMS AND CONDITIONS
☰
Home
Dodge
Caravan
General
Fan motor diagram 1994 Dodge Caravan
BOBG
MEMBER
1994 DODGE CARAVAN
175,000 MILES
I need diagram of the plug connection to test fan motor.
Wednesday, October 5th, 2011 AT 3:14 PM
4 Replies
DAN_K
MECHANIC
213 POSTS
Which fan? Electric cooling system fan? Climate control blower motor fan?
Was this
answer
helpful?
Yes
No
Wednesday, October 5th, 2011 AT 3:33 PM
BOBG
MEMBER
2 POSTS
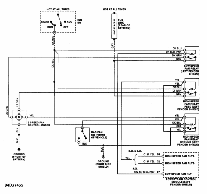
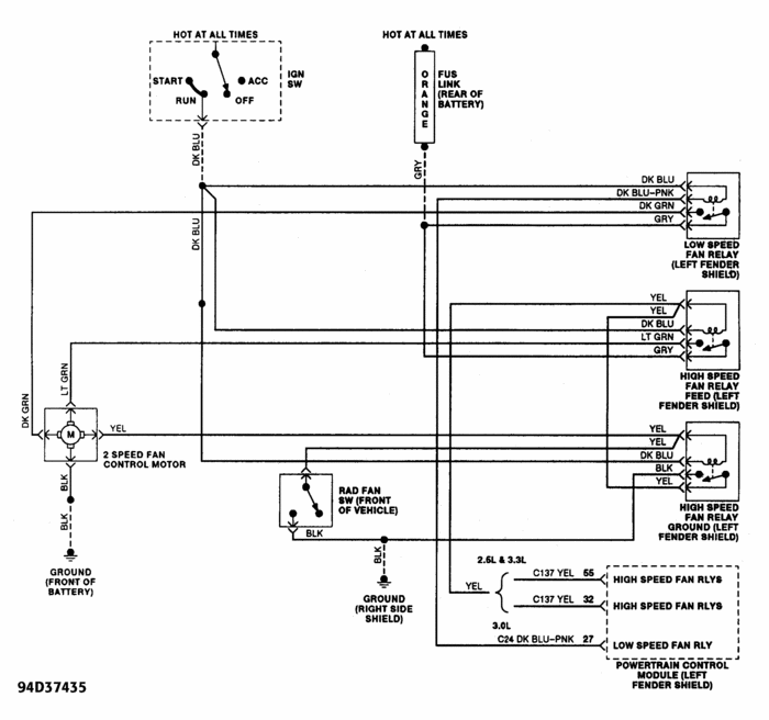
Radiator fan motor wiring diagram
Was this
answer
helpful?
Yes
No
+1
Wednesday, October 5th, 2011 AT 3:54 PM
DAN_K
MECHANIC
213 POSTS
I hope the attached diagram will help.
Image (Click to make bigger)
Was this
answer
helpful?
Yes
No
-1
Wednesday, October 5th, 2011 AT 4:35 PM
DAN_K
MECHANIC
213 POSTS
See attached image.
Image (Click to make bigger)
Was this
answer
helpful?
Yes
No
-1
Wednesday, October 5th, 2011 AT 4:38 PM
Please
login
or
register
to post a reply.
Related General Content
GUIDE
Inquire Here
Ask a Car Question. It's Free!
Avoiding Car Repair Fraud
Ten Questions to Ask a Repair Shop
Car Maintenance and Service Procedures