Tuesday, May 27th, 2014 AT 9:19 AM
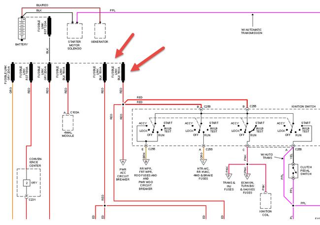
I have a 1994 ck/1500. I found to wires cut on the under dashlights and think they might have touched to cause a short. I installed a aftermarket stereo and it worked fine until I think the wires touched. It caused my stereo to stop working and my under dash lights and my dome light to stop working

