Saturday, September 3rd, 2011 AT 11:41 PM
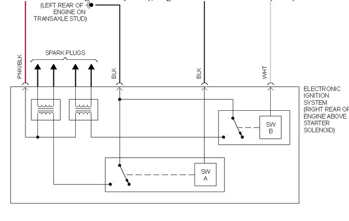
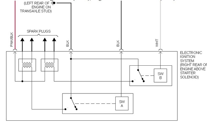
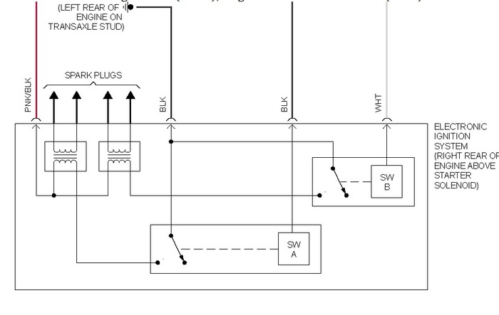
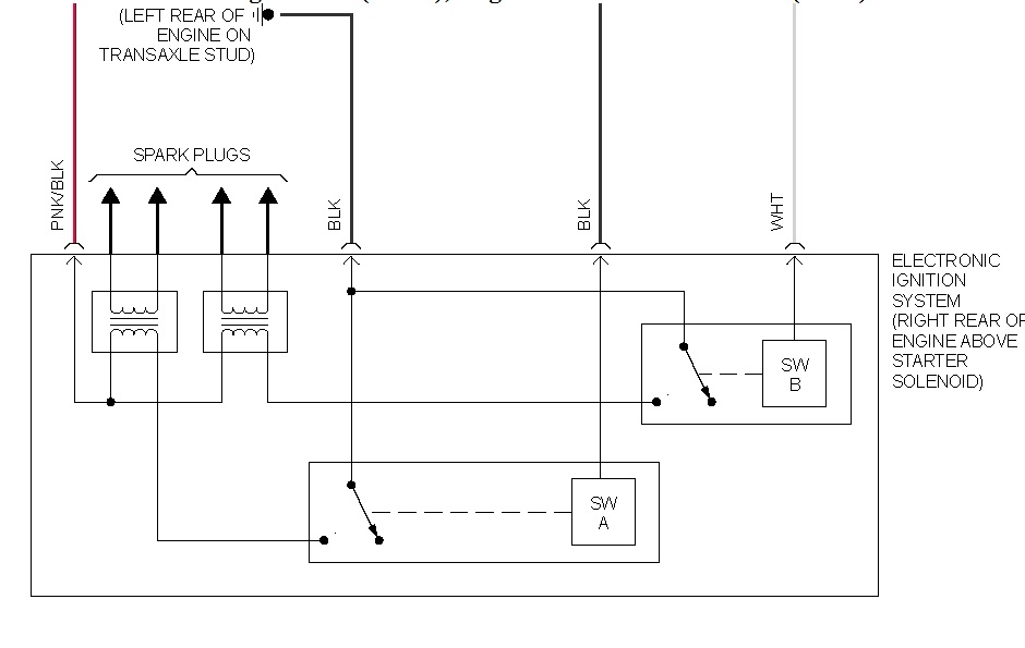
1994 Cavalier 2.2, 4 cylinder. The problem started out as just a rough idle but over the last 5mo has turned into way worse problems. On cold start car is going through phases of delayed starting, needing starter fluid to start, using the fuel pump test wire to start and sometimes it will start on its own. None of these methods consistently start the car. One might work one time and you may have to use a different way the next. Once started it will usually jump***** and die at least one time. Usually re-starting it, it will stay running. It has developed into a problem that when driving with no or low throttle it will do the jumping******** and die thing (rarely dies). When in park the idle sometimes drops so low it almost dies but then catches up again. It almost sounds like its dropping a cylinder. When driving on the interstate you can feel the idle drop down and feel like it will die. It has extreme deep hesitation on take off and when you re-accelerate but if you ease the gas pedal it seems like it's not as deep and doesn't last as long. We have a day here or there where the car has it's rough idle but doesn't do any of the other major symptoms I have described(but those days are few). The current OBD1 GM codes are 35(improper idle possible IAC problem)We have replaced the IAC with no changes. Next code 19 (crank sensor fault)We put a brand new cps sensor still no changes. Next code 32 (EGR system problems)Replaced with brand new EGR valve still no changes. This is our only vehicle and my wife has a good job that we dont want her to loose. We would be grateful any help.I have wondered if it was a fuel pump problem but am not sure how any of these codes would relate to a fuel pump. We cannot afford to just throw parts at the car so we are trying to do the smart thing and try to go with the codes but they are getting us nowhere.



