Wednesday, July 27th, 2011 AT 2:13 PM
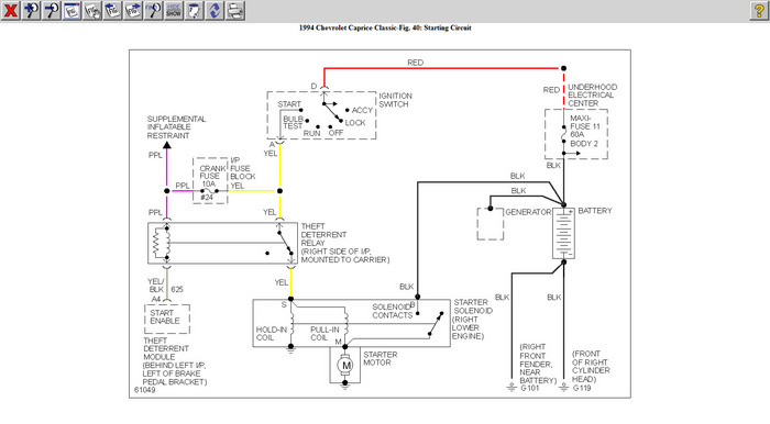
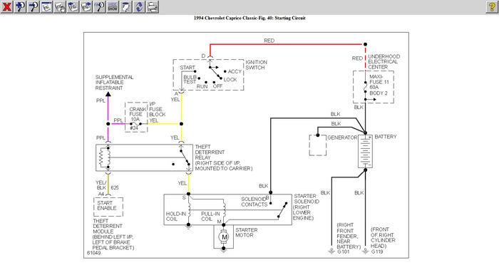
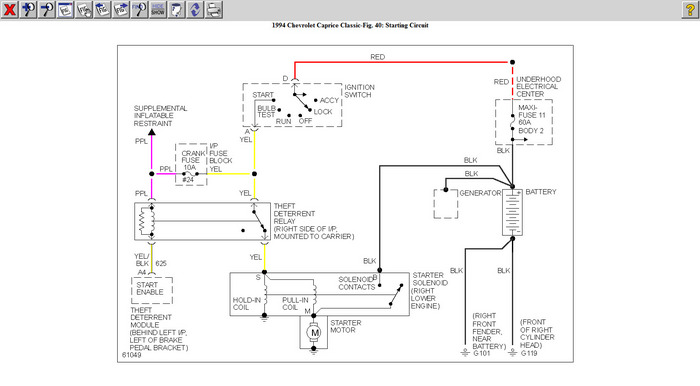
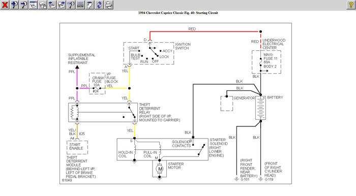
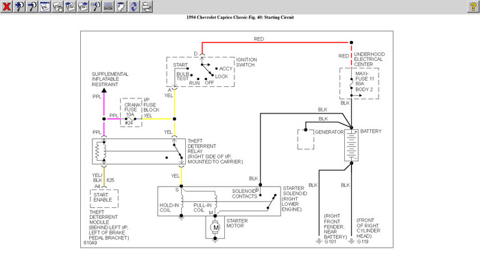
I have a 1994 chevy caprice, the wife drove it yesterday and ran out of gas. I put gas in there, but when I attempt to turn the key, nothing happens, its a smooth turn, no noise and no resistance, its not the battery all lights come on. I'm thinking the ignition key lock could be broke, because not catching when I turn the key. Any suggestions, how much will it cost to replace the key ignition lock.



