Power trunk opens by itself

Tiny
BIGCHAD
  • MEMBER
  • 1994 CADILLAC SLS
  • 130,000 MILES
I have a 1994 Cadillac seville SLS, and my question is, what would make my power trunk open, inside lights come on, and doors unlock on their on, and this happened twice today. I have owned yhis car over 10 years and it has never did this. No work has been done, all happened today for the first time ever.

Please help.
Thursday, December 22nd, 2011 AT 6:30 AM

2 Replies

Tiny
RASMATAZ
  • MECHANIC
  • 75,992 POSTS
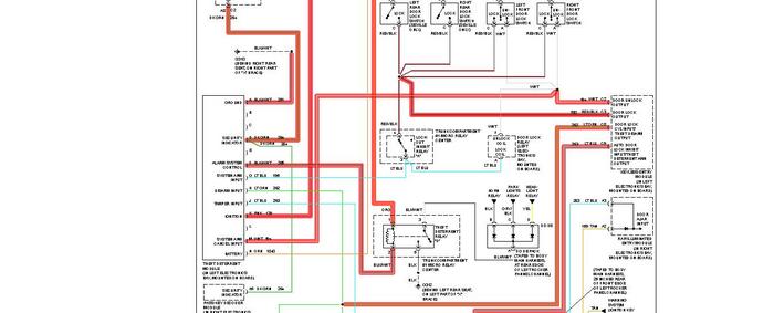
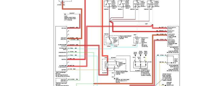
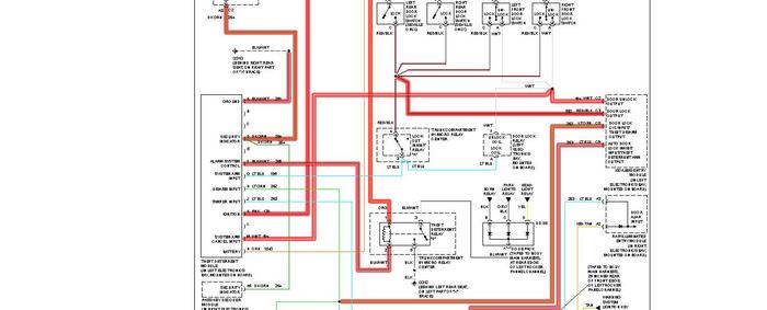
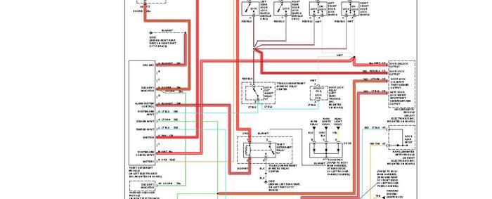
Check and test the theft deterrent relay D in the trunk compartment no.1 micro relay center could be sticking, also the theft deterrent and keyless entry module.
Was this
answer
helpful?
Yes
No
Thursday, December 22nd, 2011 AT 6:47 AM
Tiny
CADIEMAN
  • MECHANIC
  • 3,544 POSTS
If the trunk wont pull down replace the pull down switch. Check your cpu for codes. Push off and warmer buttons on the a/c panel. When u see all segments light release. The codes are on the fuel panel. Ty for using 2carpros
Was this
answer
helpful?
Yes
No
Thursday, December 22nd, 2011 AT 10:23 PM

Please login or register to post a reply.