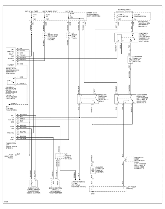
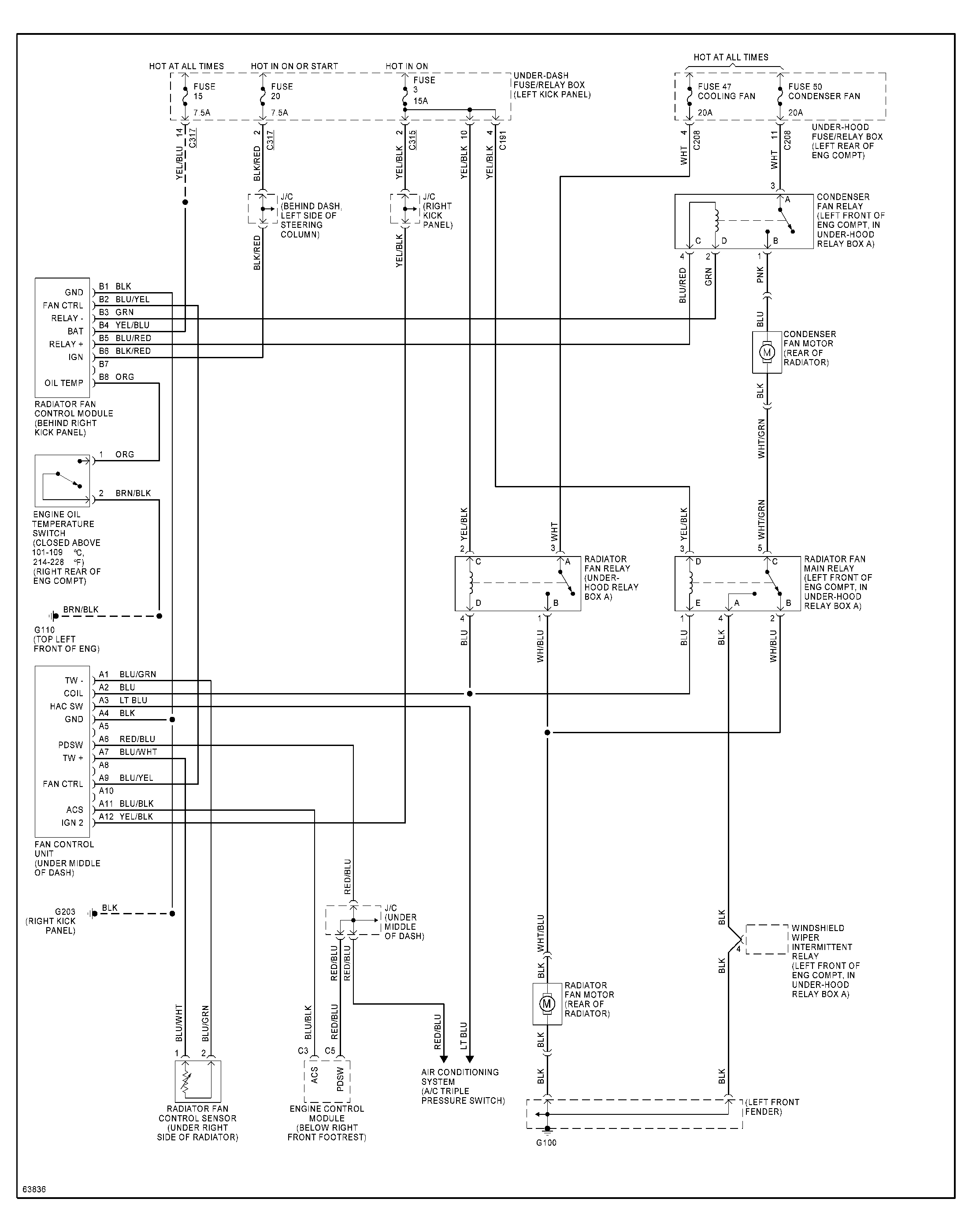
Tuesday, November 27th, 2012 AT 11:14 PM
I changed the radiator and made sure all electrical is reconnected, also I get good heat and the temp gage is normal. The fans won't come on and it bubbles back over into the overflow tank after I stop. I changed the tempt senor checked fuses. Don't know what else to get fans to kick in.



