Wednesday, June 26th, 2024 AT 1:51 PM
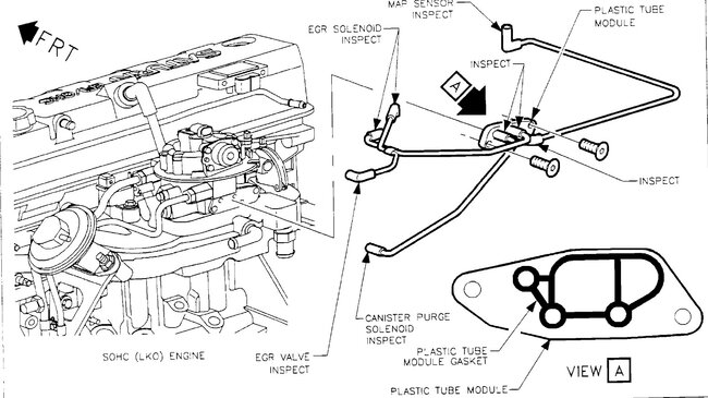
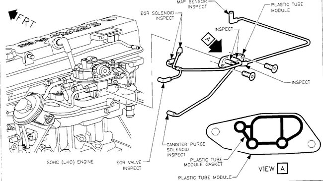
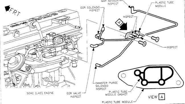
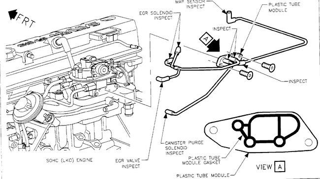
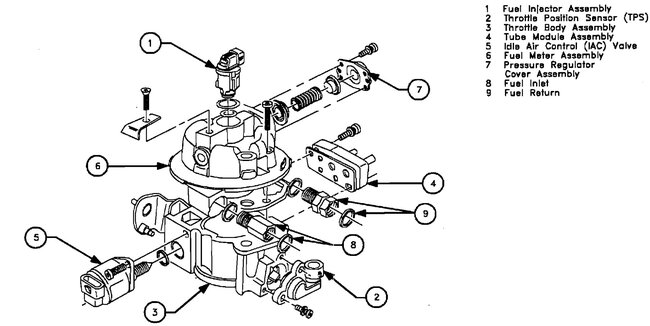
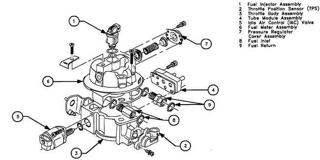
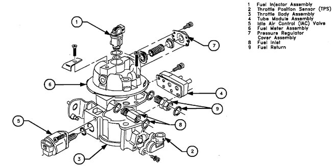
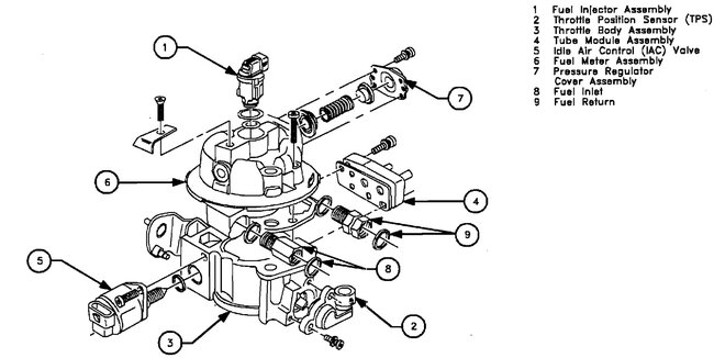
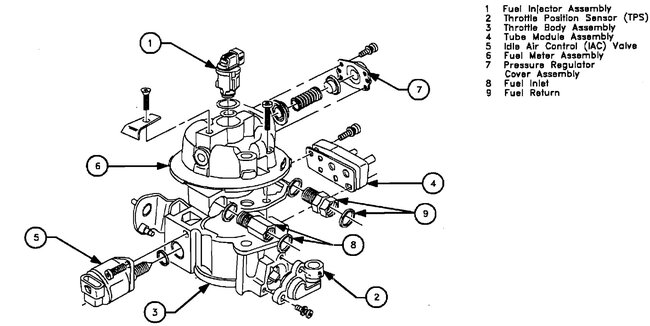
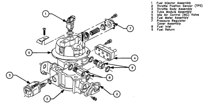
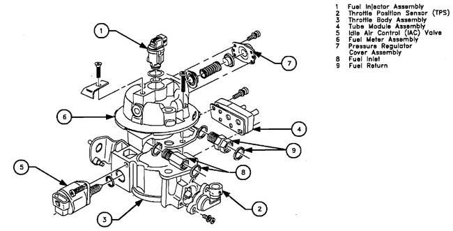
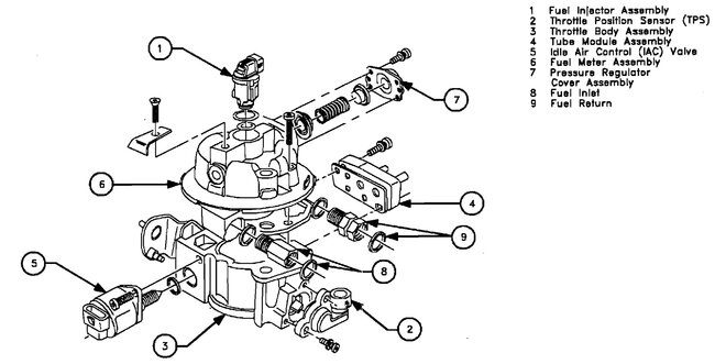
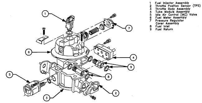
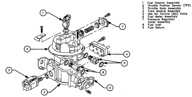
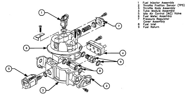
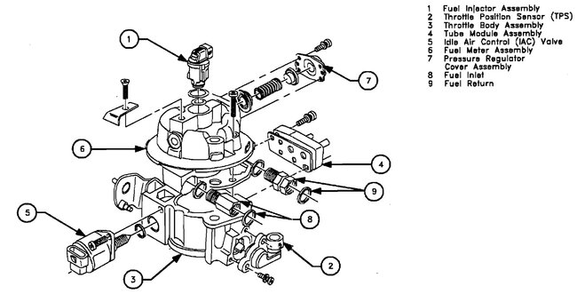
I am trying to remove a PCM module on my grandson's vehicle listed above and need to know where it is under the dash. It is idling very high, and this is the only thing I can come up with. It has been on the scanner and hours spent so if you can tell me where it is because I know I will break the clips when I remove them, not sure if it is on the left or right. Thank you- a very tired grandmom.















