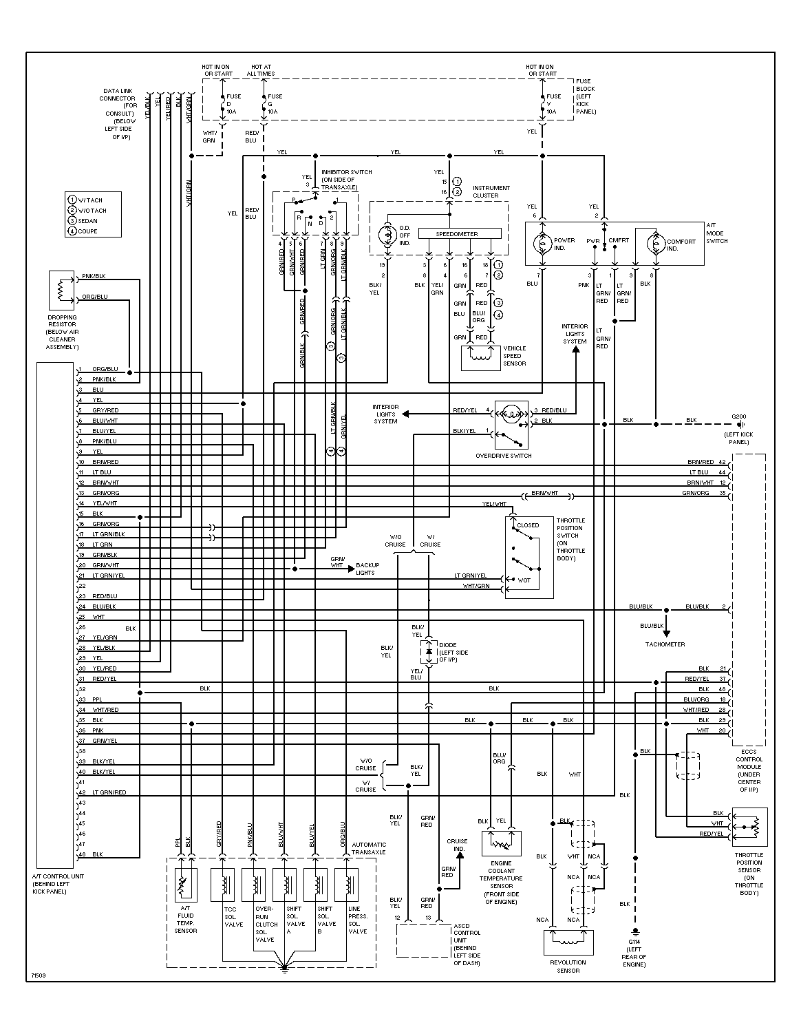
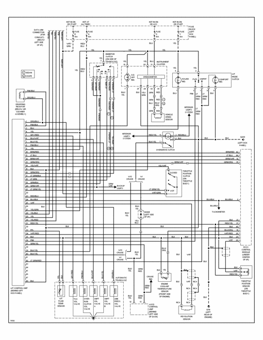
Where does the speed sensor plug into?

Tiny
DGRAGG
  • MEMBER
  • 1993 NISSAN SENTRA
  • 110 MILES
Found speed sensor and the wire is just hanging to the side not plugged into anything, my speedometer and odometer do not work and I think this may be the cause
Wednesday, February 1st, 2012 AT 12:23 AM

16 Replies

Tiny
CJ MEDEVAC
  • MECHANIC
  • 11,005 POSTS
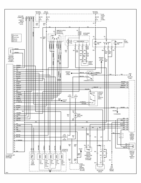
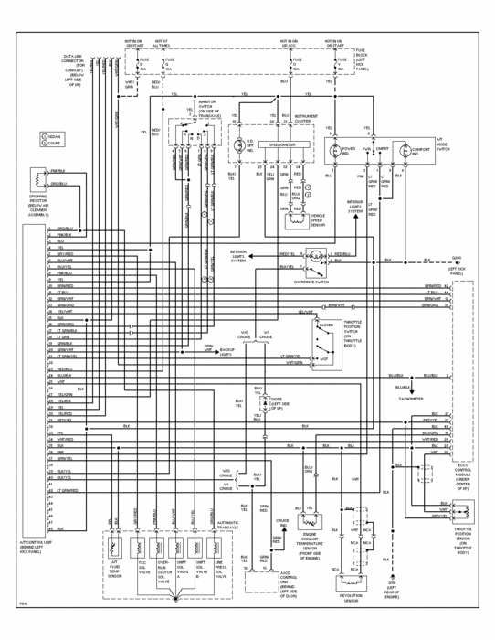
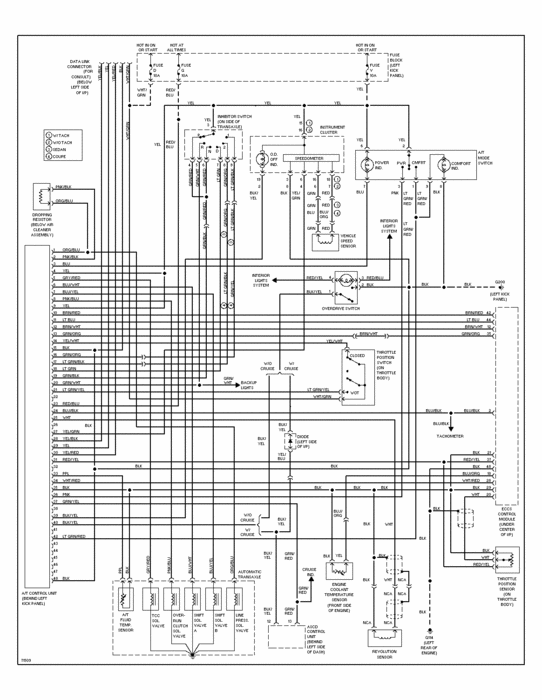
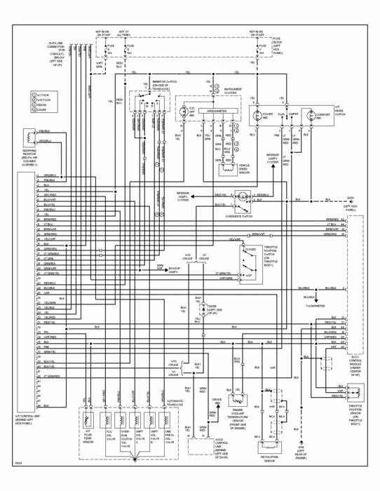
OK GOTCHA 2 DIAGRAMS

1ST IS FOR AN ANALOG SYSTEM

2ND IS FOR A DIGITAL SYSTEM

UNFORTUNATELY THEY ARE DIAGRAMS AND NOT PICS

I ALSO "READ" 2 LOCATIONS WHERE THE VEHICLE SPEED SENSOR IS LOCATED, ONE SAID ON TRANSAXLE, THE OTHER SAID ON THE TRANSMISSION.I RECKON THEY MEANT THE SAME THING

IMMA JEEP CJ KINDA GUY AND THAT'S THE BEST I CAN DO FOR YOU, THESE CYBER CARS BLOW MY MIND!

IF YOU CANNOT READ THESE DIAGRAMS (AND WANT TO!) LET ME KNOW, I CAN HELP YOU IN THAT DEPT.

THE SPEED SENSOR IS AT THE TOP END OF BOTH DIAGRAMS

THE MEDIC
Was this
answer
helpful?
Yes
No
Wednesday, February 1st, 2012 AT 1:29 AM
Tiny
FIXITMR
  • MECHANIC
  • 9,990 POSTS
Found speed sensor or speed sensor wire?
Was this
answer
helpful?
Yes
No
+1
Wednesday, February 1st, 2012 AT 1:35 AM
Tiny
DGRAGG
  • MEMBER
  • 8 POSTS
@fixitmr found the speed sensor on top of the tranny and the wire just hangs off of it not connected to anything
Was this
answer
helpful?
Yes
No
+1
Wednesday, February 1st, 2012 AT 4:01 AM
Tiny
DGRAGG
  • MEMBER
  • 8 POSTS
@CJ MEDEVAC yea definitely need help with those lol I cant read what anything is, but if you aren't sure what it plugs into could you point me to where I may be able to find the info? Would a Chilton or similar manual be able to tell me? And does it sound like this is the cause of my speedometer and odometer not working? Thanks for the help I really appreciate it
Was this
answer
helpful?
Yes
No
Wednesday, February 1st, 2012 AT 4:05 AM
Tiny
CJ MEDEVAC
  • MECHANIC
  • 11,005 POSTS
IF YOU WILL--(GIVE ME A LITTLE TIME)---GO TO THE TOP OF THIS OR ANY PAGE, WHEN YOU ARE NOTIFIED OF A MESSAGE FROM ME (SOON)....CLICK ON YOUR NAME....LOOK SORTA LEFT FOR THE LINK TO MESSAGES

IN THERE, YOUR EMAIL ADDRESS IS SAFE, I CAN SEND YOU THE DIAGRAMS

THIS IS MY STAND ON MANUALS---I LIKE PAPER BEST---ALWAYS ABLE TO ACCESS, RIGHT THERE AT THE JOB, KEEP 'EM IN YOUR RIG FOR HELP--I KEEP 'EM IN GIANT ZIP-LOCK BAGS...I FEEL PRETTY SURE, WHAT YOU NEED, IS IN EITHER A CHILTON'S OR A HAYNE'S MANUAL

https://www.2carpros.com/questions/2007-ford-taurus-tune-up

THE DIAGRAMS SHOW WHAT IT HOOKS INTO, IT'S 2 DIMENSIONAL AND MILES OF WIRING COULD BE OMITTED...THE ACTUAL PLUG IS NOT SHOWN...SO BASICALLY YOU WILL SEE WHERE IT GOES, JUST NOT HOW IT GETS THERE!

IN THE PRIMITIVE DIY WORLD, ONE MIGHT STRADDLE A DITCH AND CRAWL UNDER W/ A STRONG FLASHLIGHT....JACK STANDS IS THE MOST PREFERRED WAY TO GET IT UP...USED ON A HARD SURFACE....I HATE RAMPS! YOU CAN DRIVE TOO FAR ON THEM, THEY SLIDE ON CONCRETE, SINK IN THE YARD...WHEN THEY GET BENT, THEY CAN COLLAPSE......BE SAFE!!!!

NEXT TIME THERE IS A TRAVELING TOOL SALE IN TOWN, OR A STORE LIKE HARBOR FREIGHT NEARBY...."DECENT" JACK STANDS ARE SORTA INEXPENSIVE.

MESSAGE WILL ARRIVE SOON

THE MEDIC
Was this
answer
helpful?
Yes
No
Wednesday, February 1st, 2012 AT 4:34 AM
Tiny
FIXITMR
  • MECHANIC
  • 9,990 POSTS
I would think the plug should be near by? A nearby wire harness? Do you know how this happened?
Was this
answer
helpful?
Yes
No
Wednesday, February 1st, 2012 AT 6:25 PM
Tiny
DGRAGG
  • MEMBER
  • 8 POSTS
@ fixitmr that's what I would think too but so far I cant find anything. As far as how it happened I have no idea I just bought the car recently and have no idea what the previous owner may have done
Was this
answer
helpful?
Yes
No
Wednesday, February 1st, 2012 AT 6:49 PM
Tiny
DGRAGG
  • MEMBER
  • 8 POSTS
@ CJ MEDEVAC thanks for the diagrams from what I can tell it goes directly to the speedometer? So now I just gota find what it plugs into from the speed sensor, any tips? Too broke to by a chilton/haynes manual
Was this
answer
helpful?
Yes
No
Wednesday, February 1st, 2012 AT 8:39 PM
Tiny
FIXITMR
  • MECHANIC
  • 9,990 POSTS
Any possibility dealer nearby to ask or foreign auto repair shop? Or locate another car like yours and check it out like in salvage yard?
Was this
answer
helpful?
Yes
No
Wednesday, February 1st, 2012 AT 10:13 PM
Tiny
CJ MEDEVAC
  • MECHANIC
  • 11,005 POSTS
I AIN'T SCARED!

I'VE CHECKED AT USED CAR LOTS, CONVENIENCE STORES, AND WALMART.

MOST PEOPLE WILL LET YOU LOOK AS LONG AS YOU ARE NOT DRESSED LIKE A "HOOLAGAN"

THE MEDIC
Was this
answer
helpful?
Yes
No
Wednesday, February 1st, 2012 AT 11:58 PM
Tiny
DGRAGG
  • MEMBER
  • 8 POSTS
Lol damn the luck im always dressed like a hoolagan, well im getting a tranny inspection tomorrow so hopefully they can shed some light on what is going on with it. If not ill see about about finding another one that I can look at and thank you both for all the advise and help
Was this
answer
helpful?
Yes
No
Thursday, February 2nd, 2012 AT 6:06 AM
Tiny
DGRAGG
  • MEMBER
  • 8 POSTS
Well after taking it to a transmission specialist I have learned that the speed sensor is the least of my worries and that the transmission needs to be replaced or rebuilt so the sensor is no longer an issue but thank you again for all the time and help you both have given me
Was this
answer
helpful?
Yes
No
Thursday, February 2nd, 2012 AT 4:38 PM
Tiny
FIXITMR
  • MECHANIC
  • 9,990 POSTS
So did they connect speed sensor up? I DONT TRUST transmission places. All you said was wrong was speedometer? But it's your money.
Was this
answer
helpful?
Yes
No
Thursday, February 2nd, 2012 AT 5:12 PM
Tiny
CJ MEDEVAC
  • MECHANIC
  • 11,005 POSTS
I'M WITH YOU fixitmr

I WENT TO FOUR DIFFERENT ONES REGARDING A C-5 IN A 1982 MUSTANG W/ 200 CID

THREE OF THEM SAID THE TRANNY NEEDED A COMPLETE OVERHAUL (OVER $1000) THE FOURTH (A SMALL 2 MAN OPERATION) SAID THE LOCK-UP TORQUE CONVERTED HAD LOCKED AND NEVER RELEASED. HE THEN GAVE ME ALL OF HIS REASONS. TO INCLUDE, TWO SITTING IN THE FLOOR AT THE BACK OF THE SHOP.

HE THEN HOOKED ME UP W/ A NEW CONVERTER, THIS ONE WAS THE REPLACEMENT AND DID NOT HAVE THE LOCKING FEATURE. $99 AND I DID IT DIY.

NEVER-THE-LESS, THIS MAN IS WHO I TOOK WIFEY'S FORD ESCAPE TO LAST YEAR WHEN "I" SHELLED THE TRANNY OUT. JUST TO FEEL GOOD, I DID TAKE IT TO 2 OTHER SHOPS FOR AN ESTIMATE.

ALL WERE IN AGREEMENT THAT IT NEEDED AN OVERHAUL. 1ST TWO WERE HITTIN' ALL AROUND $2500. OLD FAITHFUL CAME IN AT $1400, AND I TIPPED HIM ANOTHER $100! THIS KINDA MAKES ME SPECIAL IN HIS EYES, HE ALSO AIDED ME WITH A GLITCH IN MY CJ 5 TRANNY FOR FREE!

DO YOU HAVE OTHER PLACES TO CHECK. TALKING TO SEVERAL SMALL TIME AUTO SALVAGE YARDS ABOUT "LITTLE COMPETENT TRANNY SHOPS", MAY YIELD YOU "MY TRANNY MAN'S TWIN"!

JUST TRYING TO GIVE YOU AN OPTION, BEFORE YOU COMMIT.

THE MEDIC
Was this
answer
helpful?
Yes
No
Thursday, February 2nd, 2012 AT 5:42 PM
Tiny
DGRAGG
  • MEMBER
  • 8 POSTS
Well the speedo/odometer weren't the only problems it has also been slipping when shifting into 3rd and 4th gears and the transmission has a leak, I was hoping it was just because the guy I bought it from had way overfilled the tranny fluid and getting that drained to a normal level would solve the problem but so far it hasn't. The speedometer and odometer just seemed like a more urgent issue and something that I would be able to do myself relatively easily but if your interested in a comprehensive list of problems the engine is also leaking oil the power steering seems to be leaking the transmission also squeals sometimes when shifting, the drivers side door doesn't unlock from the outside, the radiator fluid doesn't stay filled and it gets poor gas millage for a 1.6 liter. Im contemplating just selling it to a junk yard at this point to recover some of the money that I put into it. I also believe the guy I bought it from may have done something to it between the time I initially looked at it and when I picked it up as it had none of the major problems aside from the speedo/odometer not working. Any advise is always helpful and appreciated
Was this
answer
helpful?
Yes
No
Thursday, February 2nd, 2012 AT 7:31 PM
Tiny
FIXITMR
  • MECHANIC
  • 9,990 POSTS
Ok
Was this
answer
helpful?
Yes
No
Thursday, February 2nd, 2012 AT 9:00 PM

Please login or register to post a reply.