Off and on power to the injectors?

Tiny
TURBAN6
  • MEMBER
  • 1993 JEEP WANGLER YJ
  • 10,000 MILES
Jeep is hard to start sometimes will start great other times just cranks I am getting off and on power to the injectos I belive I have tested everything have changed every sensor even the ecu still having same problem plz help
Thursday, October 6th, 2011 AT 12:30 AM

2 Replies

Tiny
JACOBANDNICKOLAS
  • MECHANIC
  • 110,194 POSTS
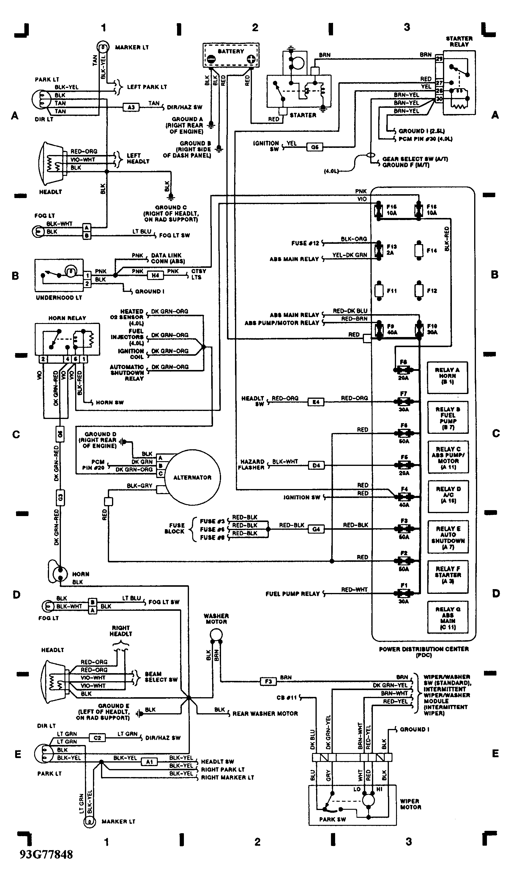
Check the wiring from the ECU to the injectors for continunity. Move the wires around to see if there are any breaks that can't be seen.
Was this
answer
helpful?
Yes
No
Thursday, October 6th, 2011 AT 1:37 AM
Tiny
CJ MEDEVAC
  • MECHANIC
  • 11,005 POSTS
I KINDA DON'T KNOW MUCH ABOUT YOUR RIG

I MESS WITH "REAL JEEPS" (CJS!)

'COURSE I'VE BEEN WANTING SOMETHING CLOSE, WITH SOME A/C IN THE SUMMER. NOT IN THE WINTER!

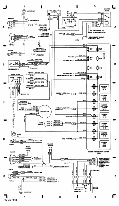
WITHOUT SPECIFICS OF YOUR VEHICLE LIKE "ENGINE" OR A "SUB MODEL", I JUST SORTA GUESSED AND PULLED UP A FEW DIAGRAMS FOR YOU.

I WAS A PAID "US ARMY AIRBORNE RANGER" '82-'87---ALWAYS WILL HOLD THE TITLE, JUST NOT PAID ANYMORE!

BEING THAT WE ARE SUPERB NAVIGATORS, GIVE US A MAP, AND WE'VE ALREADY BEEN THERE, BEFORE WE JUMPED IN!

SO.I'M GIVING YOU 2 MAPS, LET ME KNOW IF THEY ARE RIGHT, IF NOT, GIVE ME ALL OF YOUR CORRECT INFO, I WILL SEE IF I CAN GET THE RIGHT ONES

I NEVER KNOW HOW THEY LOOK "ON SITE" UNTIL I POST 'EM.I CAN READ 'EM WELL, THEY ARE "CRISP" IN MY DOWNLOADS, EVEN BLOWN UP.

THE 1ST ONE MAY BE OF LITTLE HELP, BUT I THREW IT IN AS A PACKAGE DEAL!

SHOULD THIS FIX YOU UP, I WON'T CHARGE YOU FOR THE DIAGRAMS, YOU'LL JUST OWE ME BREAKFAST! LOL!

IF YOU CANNOT SEE 'EM WELL, LET ME KNOW, I INITIATE A SAFE WAY TO GET THEN TO YOU, WITHOUT YOU "BLURTING OUT" YOUR EMAIL ON OPEN FORUM.

I WAS WONDERING HOW YOU CAME TO THE CONCLUSION/ HOW YOU WERE TESTING. YOUR INJECTORS WERE GOING OFF AND ON? CARBS ARE SO MUCH EZer!

SURE IT'S NOT THE FUEL PUMP? IGNITION SWITCH. JUST SHOOTING IN THE DARK, I DID WELL AT NIGHT FIRES!

LET ME KNOW ABOUT THE MAPS, THEY ARE EZ TO READ, AND MAY SHED LIGHT ON SOMETHING YOU HAVE OVERLOOKED.

THERE ARE STILL SOME CJs OUT THERE, WAITING FOR ADOPTION!

THE MEDIC
Was this
answer
helpful?
Yes
No
Thursday, October 6th, 2011 AT 3:10 AM

Please login or register to post a reply.