93 Festiva fuel problem, changed pump, relay and computer. Inertia switch isn't tripped. What next?

Tiny
BRONCBUSTER2
  • MEMBER
  • 1993 FORD FESTIVA
  • 10,000 MILES
No power to the new pump
changed relay and computer
what am I missing?
Sunday, January 22nd, 2012 AT 9:39 PM

11 Replies

Tiny
FIXITMR
  • MECHANIC
  • 9,990 POSTS
Have you actually checked for power and ground? Do you have power at relay? Does relay energize?
Was this
answer
helpful?
Yes
No
+2
Sunday, January 22nd, 2012 AT 10:24 PM
Tiny
BRONCBUSTER2
  • MEMBER
  • 6 POSTS
No power to relay, only energizes with engine cranking
Was this
answer
helpful?
Yes
No
+2
Tuesday, January 24th, 2012 AT 10:49 PM
Tiny
FIXITMR
  • MECHANIC
  • 9,990 POSTS
So none of the socket pins have 12v with key on?
Was this
answer
helpful?
Yes
No
-2
Wednesday, January 25th, 2012 AT 5:14 AM
Tiny
BRONCBUSTER2
  • MEMBER
  • 6 POSTS
No none.
I ran a jumper to the relay and pump started running.
Was this
answer
helpful?
Yes
No
+1
Friday, January 27th, 2012 AT 12:24 AM
Tiny
HOMER1967
  • MECHANIC
  • 875 POSTS
Have you checked for a fuel pump fuse?
Was this
answer
helpful?
Yes
No
-1
Monday, January 30th, 2012 AT 12:22 AM
Tiny
BRONCBUSTER2
  • MEMBER
  • 6 POSTS
Have just about taken all of the wiring apart, haven't found a fuse as of yet
Was this
answer
helpful?
Yes
No
-1
Monday, January 30th, 2012 AT 10:28 PM
Tiny
HOMER1967
  • MECHANIC
  • 875 POSTS
The fuse, if there is one would be in the fuse box.
Was this
answer
helpful?
Yes
No
-1
Monday, January 30th, 2012 AT 11:42 PM
Tiny
BRONCBUSTER2
  • MEMBER
  • 6 POSTS
No fuse for the fuel system in the fuse block.
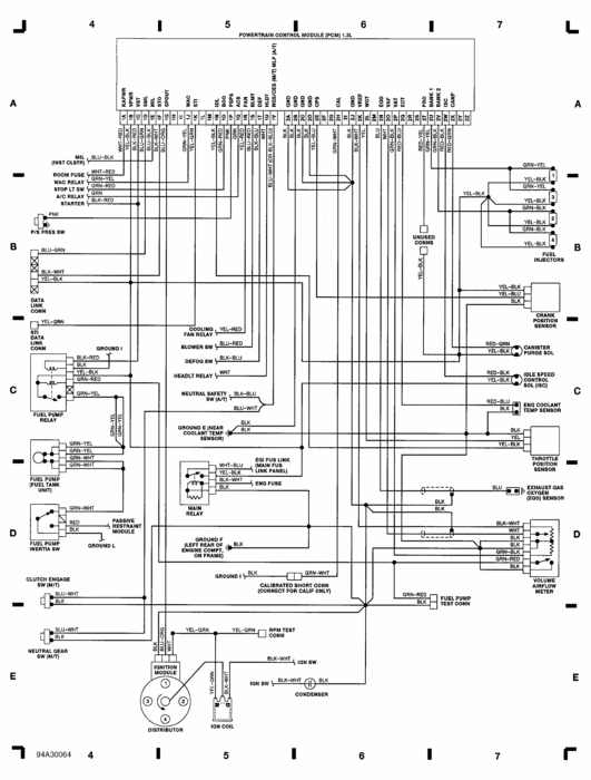
Am now investigating the main relay.
Still no power to the computer and fuel relay
Was this
answer
helpful?
Yes
No
-1
Tuesday, January 31st, 2012 AT 11:04 PM
Tiny
FIXITMR
  • MECHANIC
  • 9,990 POSTS
Looks like power originates at starter terminal. Maybe fusible link there?
Was this
answer
helpful?
Yes
No
Wednesday, February 1st, 2012 AT 6:36 PM
Tiny
BRONCBUSTER2
  • MEMBER
  • 6 POSTS
Didn't find a fuseible link, only 2 wires at the starter.
Main relay is rusted really bad inside, as is the headlight relay.
Was this
answer
helpful?
Yes
No
-1
Friday, February 3rd, 2012 AT 12:45 AM
Tiny
WRENCHTECH
  • MECHANIC
  • 20,761 POSTS
[quote]only energizes with engine cranking[/quote]

If that is true, it's acting exactly the way it's supposed to. It only energizes for 2 seconds when the key is turned on and then shuts off until the computer sees cranking.
Was this
answer
helpful?
Yes
No
Friday, February 3rd, 2012 AT 12:51 AM

Please login or register to post a reply.