1993 Ford Explorer headlights

Tiny
DAWNMICHELLE
  • MEMBER
  • 1993 FORD EXPLORER
  • 6 CYL
  • 4WD
  • AUTOMATIC
  • 150,000 MILES
My head lights keep going on and off after they have been on about 20 minutes, I've tried a new dimmer switch that wasn't it
Wednesday, September 23rd, 2015 AT 4:47 PM

4 Replies

Tiny
CJ MEDEVAC
  • MECHANIC
  • 11,005 POSTS
I'M INVESTIGATING THE SAME THING ON MY '77 JEEP CJ-5

I'VE HAD NOTHING BUT CJs SINCE I WAS ALLOWED ON THE ASPHALT IN 1981

EVERY TIME THIS HAS HAPPENED (LIKE 6 FOR ME, 10 OR MORE WITH OTHERS I'VE HELPED), IT WAS ALWAYS THE WIRES/ CONNECTOR AT THE FLOOR DIMMER SWITCH. A LOOSE "FEMALE" IN THE PLASTIC CONNECTOR USUALLY GOT HOT AND WOULD SLIGHTLY MELT THE CONNECTOR AND AN INCH OR SO OF THE INSULATION OF THE WIRE IT WAS ON.

THE 1ST TIME IT EVER HAPPENED TO ME, I UNPLUGGED THE DIMMER AND PLUGGED IT BACK IN (NAIVE!) WHAT HAPPENED IN THAT SCENARIO WAS I SHOVED THE "MESSED UP" FEMALE OUT OF THE BACK OF THE CONNECTOR. TOOK ME A WHILE, BUT I FIGGERED IT ALL OUT!

ANYMORE, IT'S ALWAYS BEEN A NEW CONNECTOR AND A NEW DIMMER SWITCH! I ALWAYS USE DIELECTRIC GREASE ON ALL CONNECTIONS.

THIS TIME THAT DID NOT WORK./ ALL WAS FINE IN THE FLOOR

I PULLED MY SEALED BEAM HEADLIGHTS AND CHECKED THE CONNECTORS. THEY WERE LOOSER THAN I THOUGHT THEY SHOULD BE, SO I REPLACED THEM.

NO DICE!

STILL RANDOM OFF/ ONs, SOMETIMES FOR LONG PERIODS OF TIME

I JUST CAME IN FROM MY LAST INVESTIGATION. LOOKS LIKE JUST THE RIGHT LIGHT "SHAKE" OF THE WIRES GOING INTO MY HEADLIGHT SWITCH IS THE CAUSE.

KINDA LATE NOW, I'M BANKING ON THE CONNECTOR TO THE LIGHT SWITCH AS BEING THE ISSUE OR POSSIBLY THE HEADLIGHT SWITCH ITSELF

TOMORROW I'LL SNATCH IT OUT AND LOOK FOR MELTING SPADES OR FEMALES,

I'M DEFINITELY IN THE CORRECT LOCATION NOW.

SEE IF A LITTLE SHAKING NEAR YOUR SWITCH WORKS

IF NOTHING ELSE, I MAY CAN GET YOU A WIRING DIAGRAM OUT OF "PRODEMAND" FOR YOUR EXPLODER, THERE MIGHT BE MORE GOODIES IN YOUR SYSTEM THAT COULD GO WRONG. LET ME KNOW IF YOU WANT ME TO TRY

THE MEDIC
Was this
answer
helpful?
Yes
No
Wednesday, September 23rd, 2015 AT 6:35 PM
Tiny
DAWNMICHELLE
  • MEMBER
  • 1 POST
Thanks, that would be great. We were wondering if there might be an in line relay possibly.
Dawn
Was this
answer
helpful?
Yes
No
Wednesday, September 23rd, 2015 AT 7:49 PM
Tiny
CJ MEDEVAC
  • MECHANIC
  • 11,005 POSTS
JUST GOT IN

I'LL JUMP ON IT AFTER I GET SOME CHOW IN ME!

THE MEDIC
Was this
answer
helpful?
Yes
No
Thursday, September 24th, 2015 AT 5:48 PM
Tiny
CJ MEDEVAC
  • MECHANIC
  • 11,005 POSTS
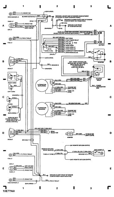
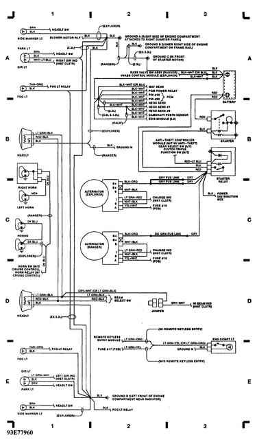
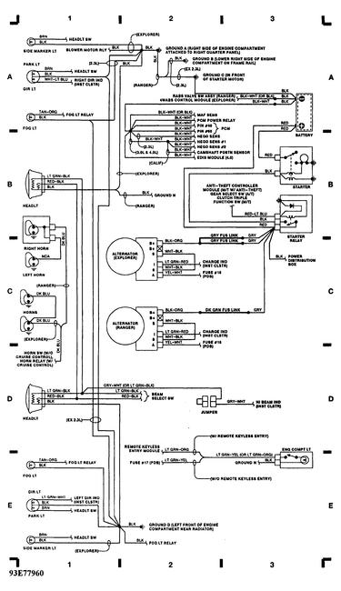
I DON'T KNOW HOW THIS IS GONNA LOOK ON 2CAR

THIS CAME FROM "PRODEMAND", IT'S NOT AS MODERNIZED AS THE DIAGRAMS FOR NEWER VEHICLES.

IF YOU CAN'T SEE IT WELL ENOUGH TO TRACE STUFF OUT,

LEMME KNOW, I'LL SEE IF I CAN GET IT TO YOU ANOTHER WAY

THE MEDIC
Was this
answer
helpful?
Yes
No
Thursday, September 24th, 2015 AT 6:44 PM

Please login or register to post a reply.