Sunday, December 16th, 2012 AT 9:56 PM
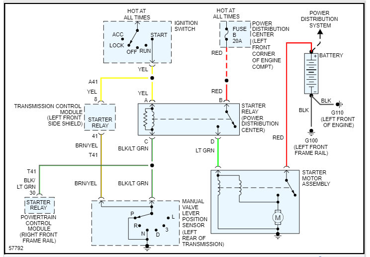
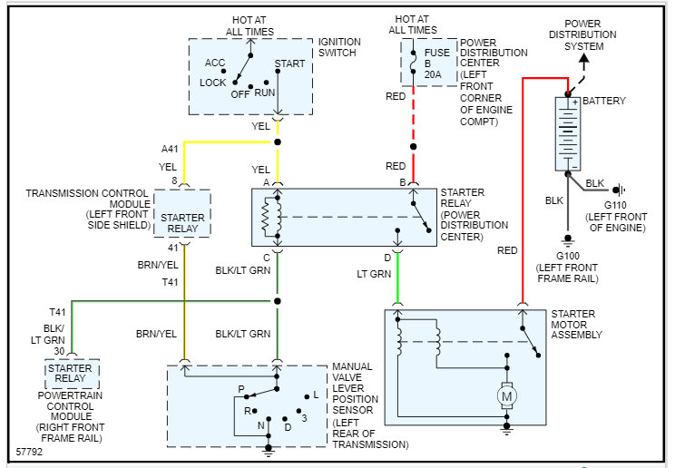
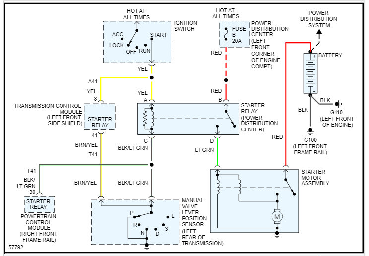
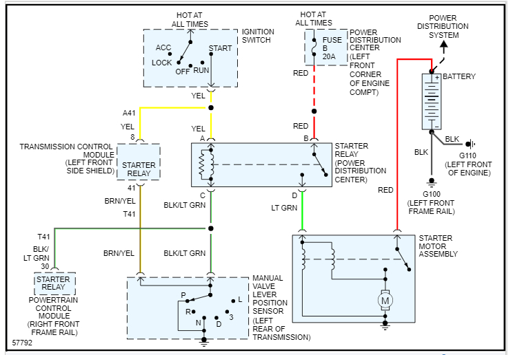
Won't start. Replaced starter and starter relay to no avail. Pulled column and cleaned ingnition switch and surrounding electronics and checked for any loose wiring. Car started for about 2 days and now won't start with same clean and check. Ambient temp outside is about 40F. Head lamps and dash lights seem to function like normal and I hear the fuel pump. Don't want to keep throwing parts at it. I'm very broke right now, sorry. Please help ! Thank you, Michael Baldwin



