Monday, September 19th, 2011 AT 9:24 AM
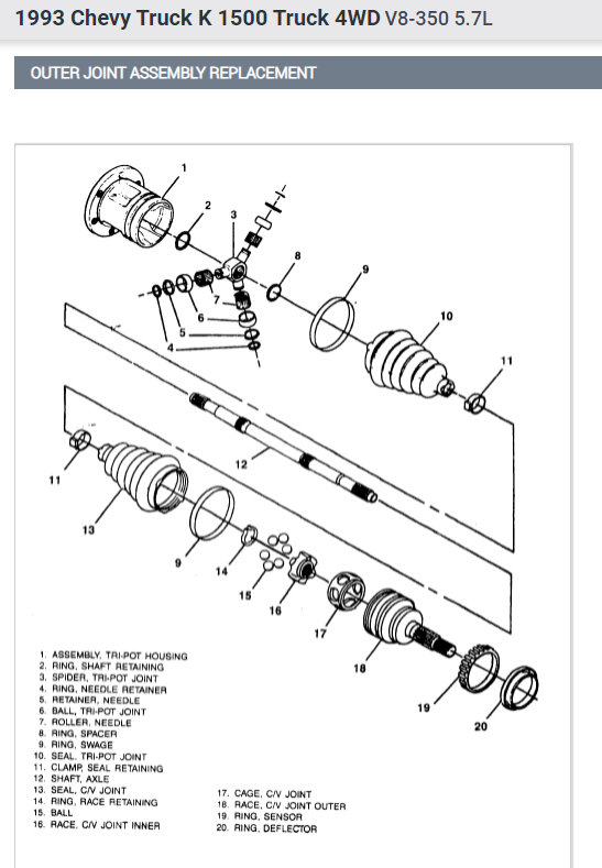
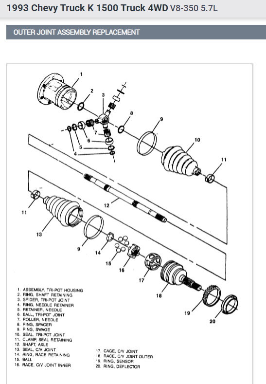
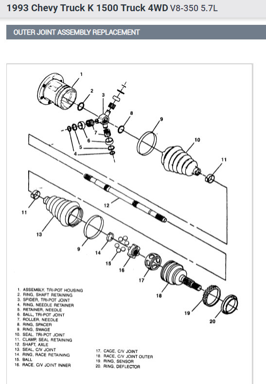
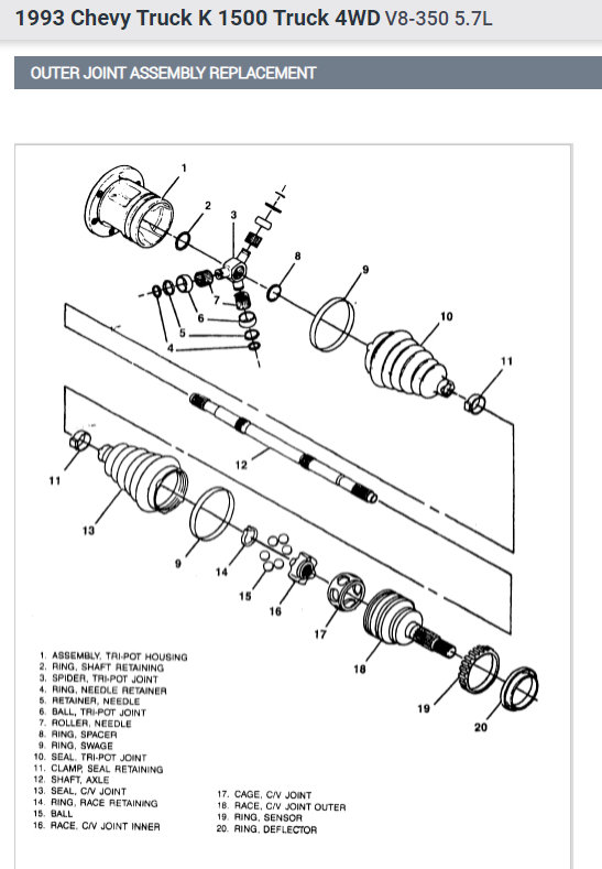
I am wondering if parts house gave me the wrong part. I installed new half shaft but it doesn't go all the way against the inside wheelbearing housing. It just doesn't look the same as the driver's side which I replaced just 3 months ago.





