93 Buick Park Avenue

Tiny
SHAKEDAMAN
  • MEMBER
  • 1993 BUICK PARK AVENUE
How to fix a water pump to a 93 buick park avenue

Wednesday, February 16th, 2011 AT 11:21 PM

1 Reply

Tiny
RASMATAZ
  • MECHANIC
  • 75,992 POSTS
Water Pump

REMOVE OR DISCONNECT

1. Negative cable at the battery.
2. Drain the cooling system.
3. Drive belt.
4. Coolant hoses at the coolant pump.
5. Coolant pump pulley bolts (long bolt removed through access hole provided in the body side rail), then remove the pulley.

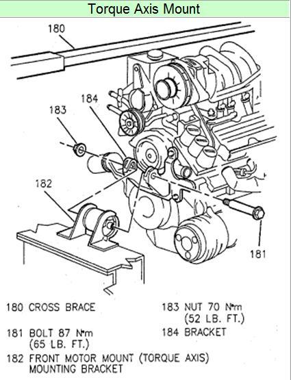
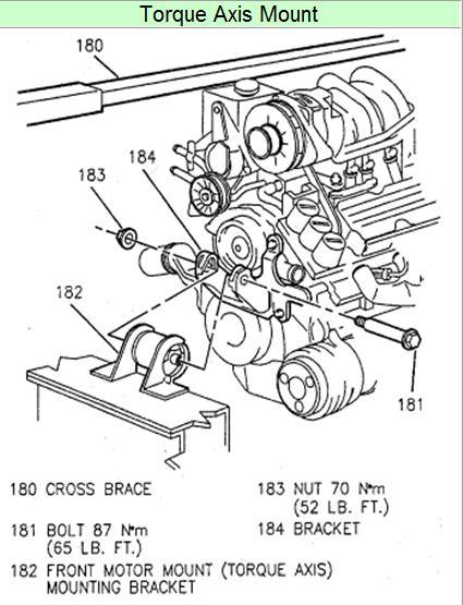
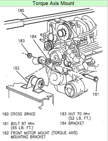
Torque Axis Mount

6. Torque axis mount. See: Engine Engine Mount Service and Repair
7. Coolant pump attaching bolts and pump.
8. Clean all gasket mating surfaces.

INSTALL OR CONNECT

1. Using a new gasket, install the coolant pump on the engine.
**Tighten long bolts to 30 Nm (22 lbs. Ft.). And short bolts to 18 Nm (13 lbs. Ft.).

Torque Axis Mount

2. Torque axis mount.
**Tighten bolt to 87 Nm (65 lbs. Ft.)
3. Coolant pump pulley.
**Tighten bolts to 15 Nm (11 lbs. Ft).
4. Coolant hoses onto the pump.
5. Drive belt.
6. Fill the cooling system.
7. Connect the battery, then start the engine
8. Check for coolant leaks.
Was this
answer
helpful?
Yes
No
-1
Thursday, March 10th, 2011 AT 10:59 PM

Please login or register to post a reply.