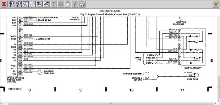
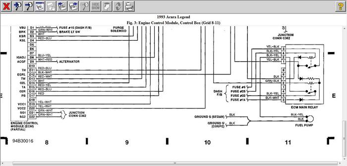
Sunday, January 29th, 2012 AT 11:35 PM
I have replaced all fuel pump components to include the PGM-FI relay, fuel pump, all filters, and fuses, last time I had this problem I took it too a mechanic who said he replaced a fuse under the dash somewhere near the steering column and it fired right up if anyone could help me I would appreciate it.



