Current cannot reach starter solenoid

Tiny
STEBO
  • MEMBER
  • 1992 TOYOTA COROLLA
  • 175,000 MILES
Current cannot reach starter solenoid
Tuesday, December 25th, 2012 AT 12:13 AM

3 Replies

Tiny
JACOBANDNICKOLAS
  • MECHANIC
  • 110,194 POSTS
Can you explain what is happening?
Was this
answer
helpful?
Yes
No
Tuesday, December 25th, 2012 AT 12:15 AM
Tiny
STEBO
  • MEMBER
  • 2 POSTS
If I starter engine nothing happened ! When I measure +ve at solenoid ( control input) there is nothing ! But then when I supply solenoid(control input) with +ve the starter kick start an engine! The car alarm is still working normally!
Was this
answer
helpful?
Yes
No
Tuesday, December 25th, 2012 AT 6:51 AM
Tiny
CJ MEDEVAC
  • MECHANIC
  • 11,005 POSTS
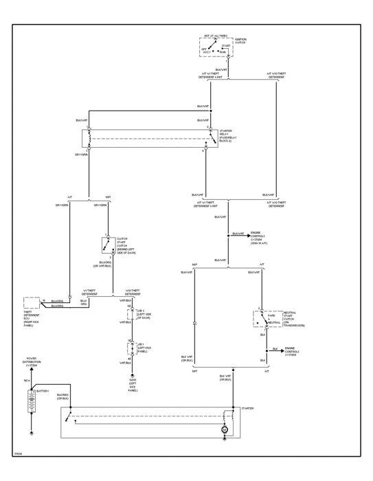
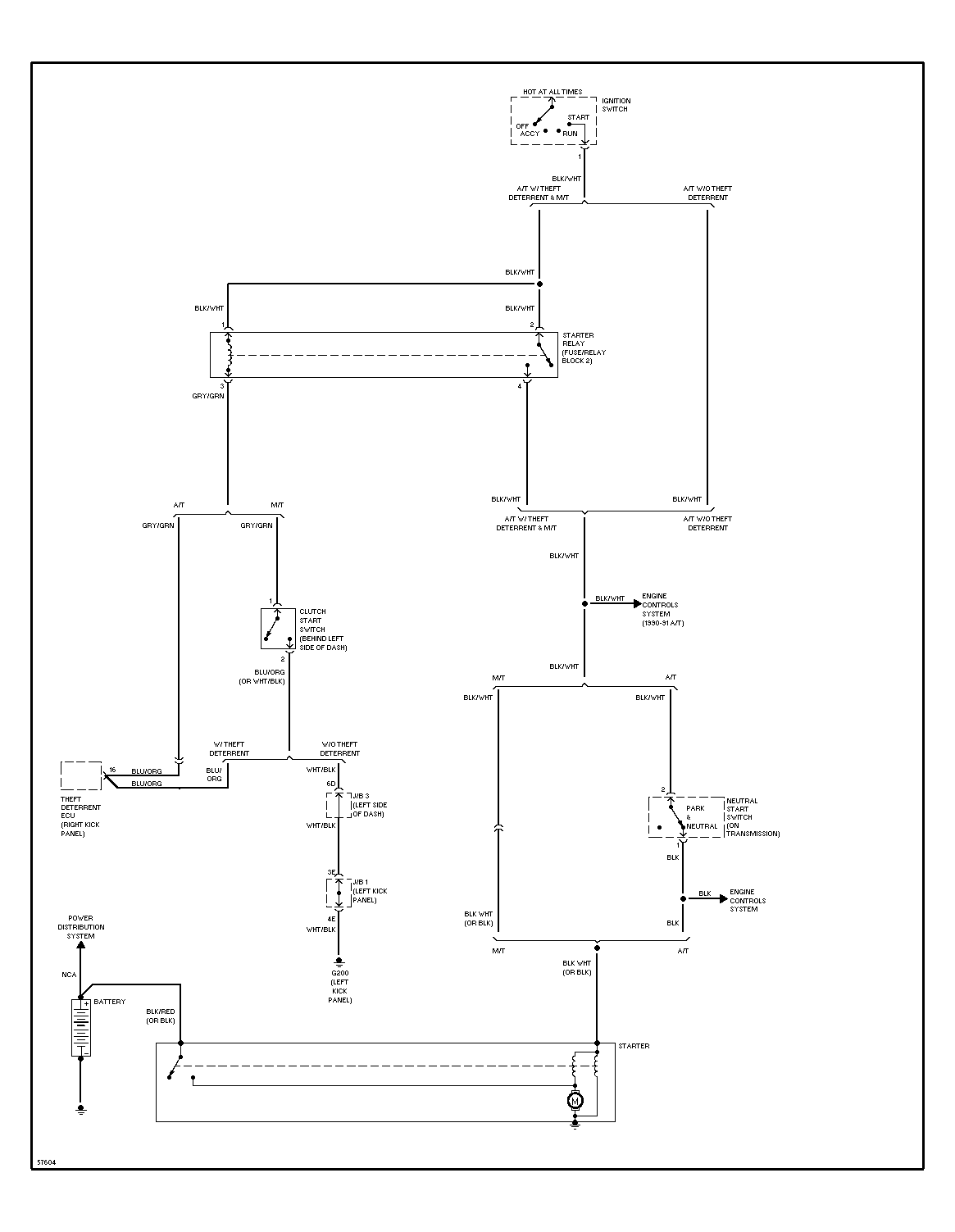
THIS "MITCHELL I" DIAGRAM SHOWS EVERYTHING IN THE STARTING SYSTEM

IT MAY HELP YOU FIND A FAULTY COMPONENT IN THE SYSTEM

ANY QUESTIONS --JUST ASK..........THE DIAGRAM IS SORTA EZ TO FOLLOW---TERMINOLOGY MAY CONFUSE YOUIT "SPLITS" IN PLACES..........SUCH AS WITH A "MANUAL" OR "AUTOMATIC" TRANSMISSION

I'M ALSO INCLUDING A "DRILL SERGEANT" KINDA LINK THAT MAY MOTIVATE YOU--IF NEED-BE!

https://www.2carpros.com/questions/1996-chevrolet-tahoe-wont-start-sounds-dead-battery-jumpbox-get-same-reults

KEEP US POSTED ON PROGRESS

'NUTHER LINK TO CONSIDER

https://www.2carpros.com/questions/2007-ford-taurus-tune-up

THE MEDIC
Was this
answer
helpful?
Yes
No
Tuesday, December 25th, 2012 AT 3:05 PM

Please login or register to post a reply.