1992 olds 3.3 won't idle

Tiny
ED LOEHNIS
  • MEMBER
  • 1992 OLDSMOBILE ACHIEVA
  • 175 MILES
Starts up and revs high and then falls flat to a rough idle and stalls. Only code is 41.
Monday, January 2nd, 2012 AT 5:44 PM

1 Reply

Tiny
HMAC300
  • MECHANIC
  • 48,601 POSTS
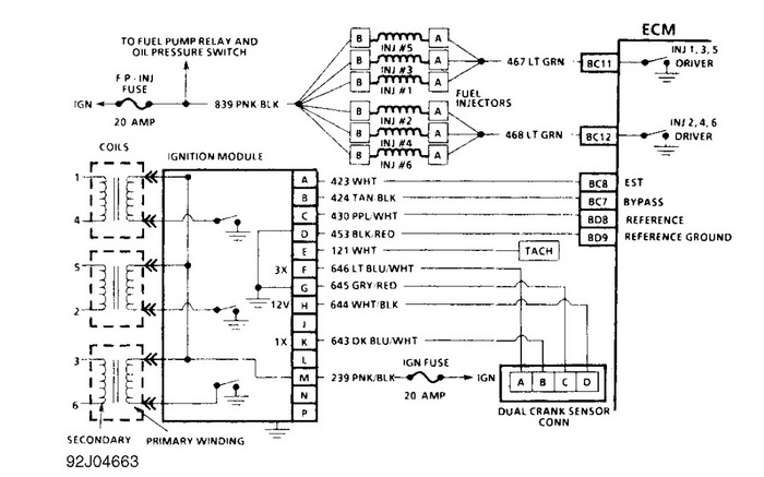
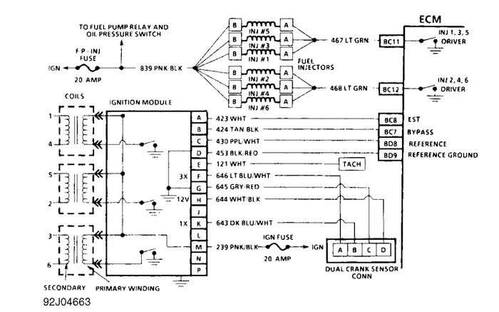
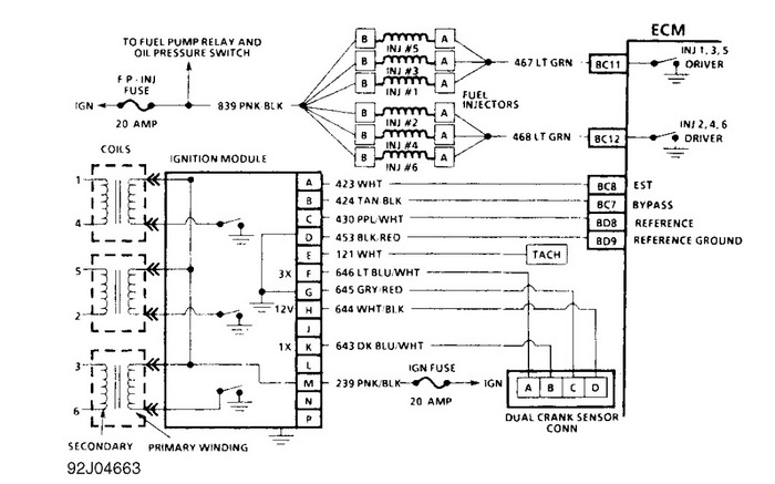
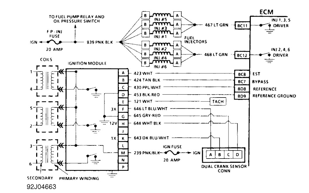
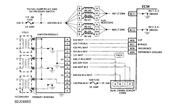
There is no code 41 it is either a 14 or a 42 the code 42 deals with the ignition system meaning module and pickup coil i'll send the way to check it. Also check for vacuum leak and fuel pump pressure 41-47 if port fuel and 9-11 if tbi.
Was this
answer
helpful?
Yes
No
Monday, January 2nd, 2012 AT 6:34 PM

Please login or register to post a reply.