Sunday, February 23rd, 2014 AT 11:44 AM
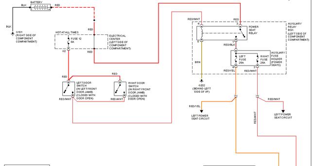
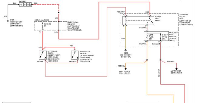
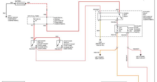
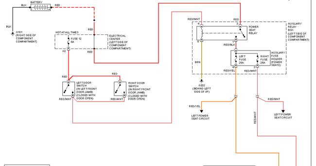
Hi I'd like to ask a question regarding my fuses on my car, I recently bought the car and had to replace the alternator so far and a few other things but some things aren't working like the passenger side window and the seat controls and a few other things. I went to take a look at the fuses but I've never seen fuses that look like that before, can you tell me how to check if the fuses are bad so I know what to look for or send me a picture of a fuse for that car that is bad so I know what it looks like, thanks.



