Engine Vacuum Lines

Tiny
STEVEANDCARON
  • MEMBER
  • 1992 MAZDA B2200
  • 233,000 MILES
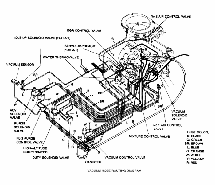
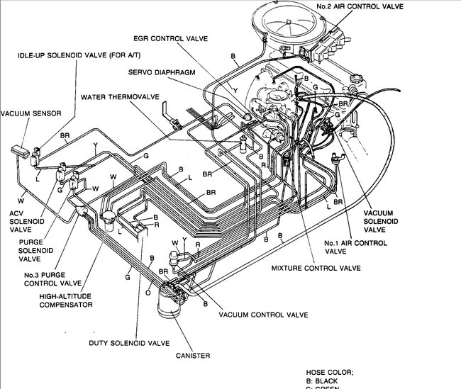
I have a 1992 Mazda B2200 and I was wondering if anyone out there could send me photos of what they are (where they are located) so I can reinstall new vacuum lines on my truck (carbureted):
Primary Main Air Bleed,
Secondary Main Air Bleed,
Idle Compensator,
Secondary Venturi,
Float Chamber

All of these are hook ups for vacuum lines. Thank you in advance!Steve
Monday, January 9th, 2012 AT 7:33 PM

3 Replies

Tiny
DOCFIXIT
  • MECHANIC
  • 18,828 POSTS
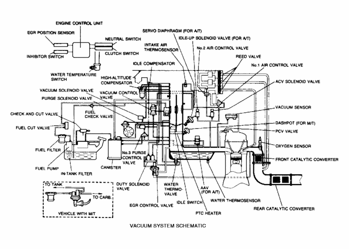
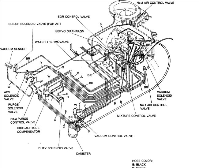
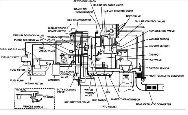
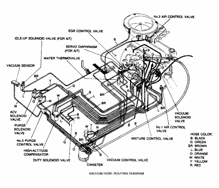
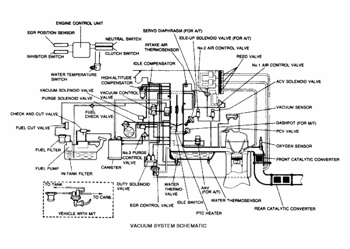
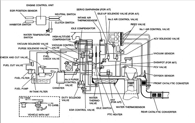
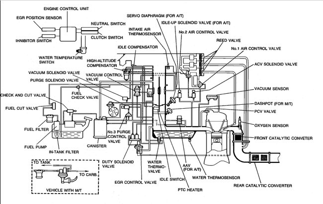
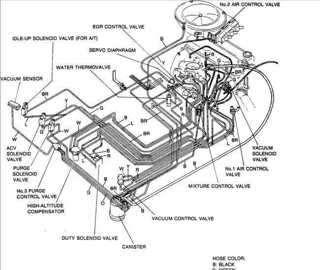
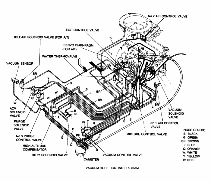
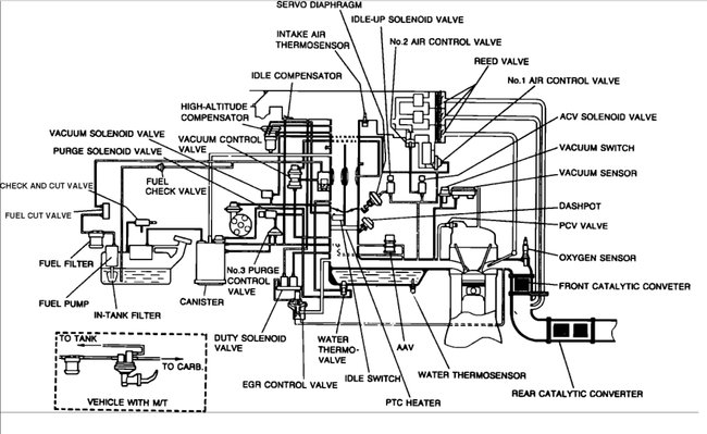
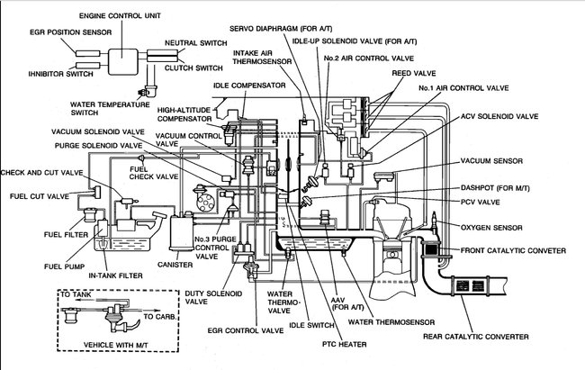
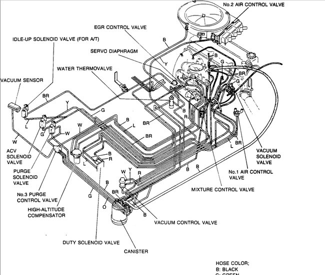
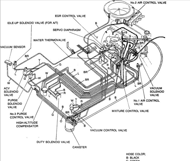
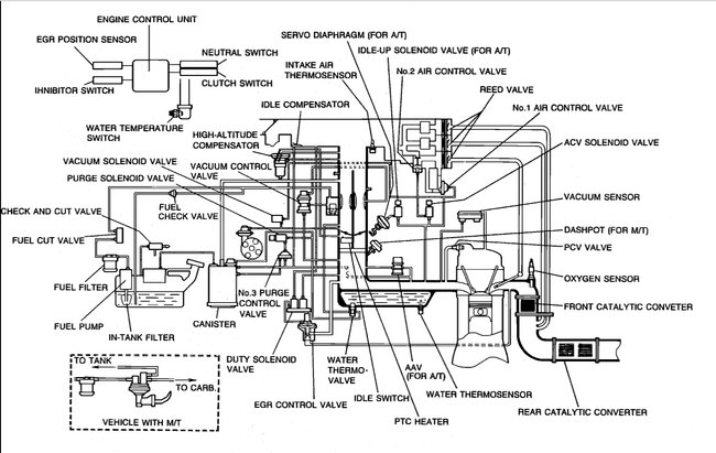
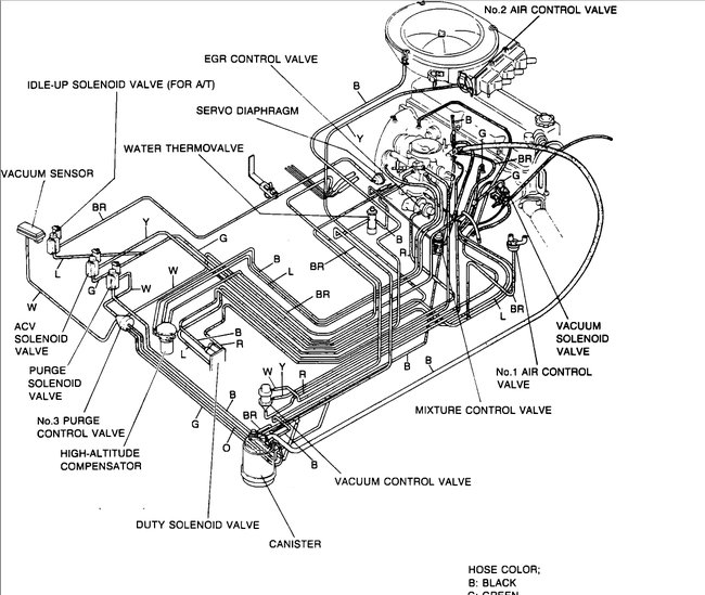
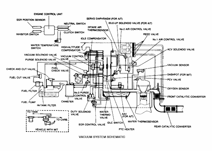
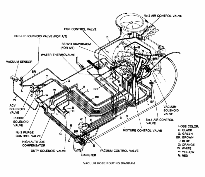
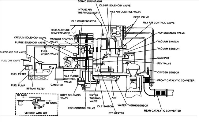
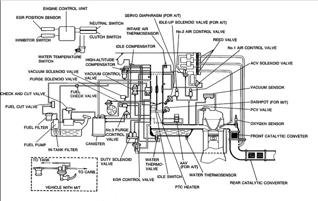
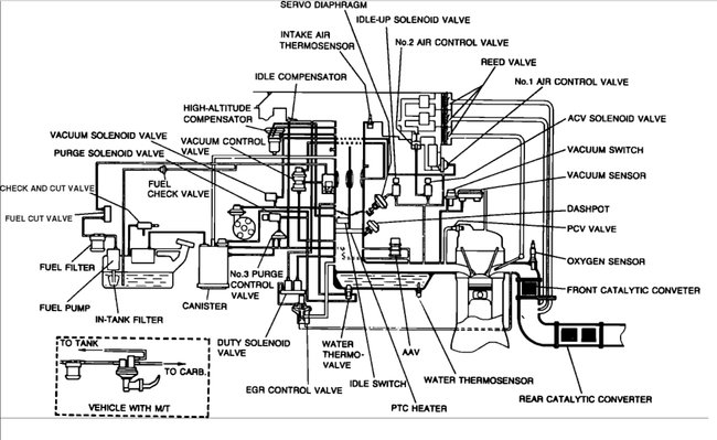
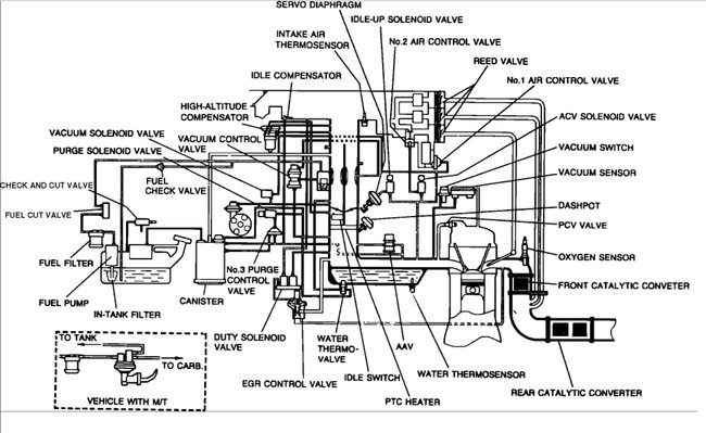
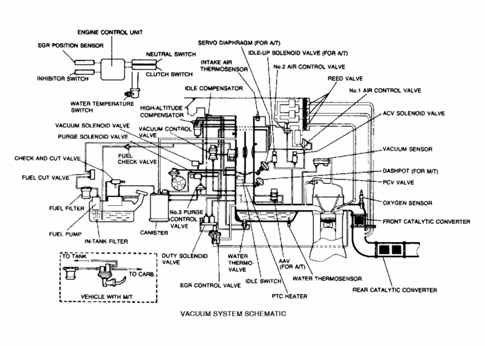
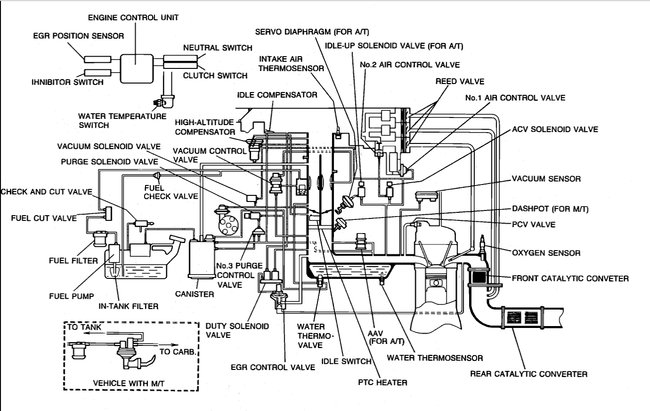
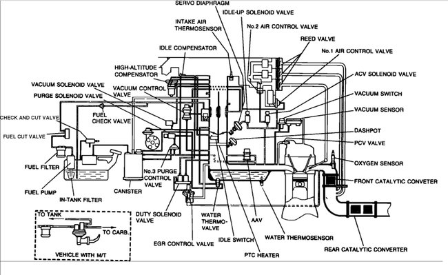
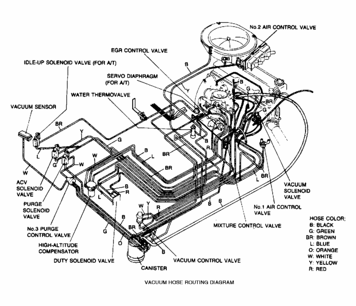
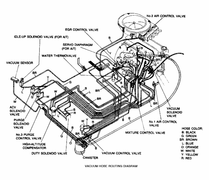
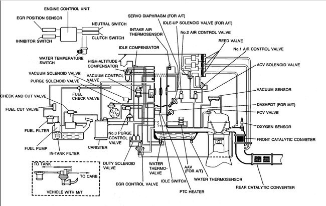
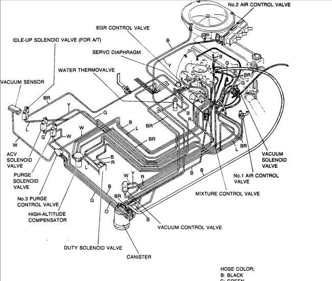
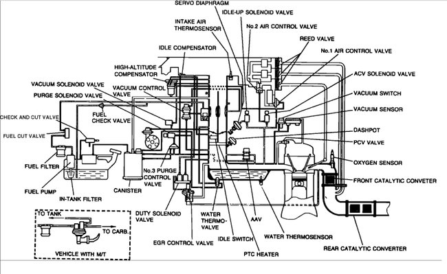
Here are the engine vacuum line diagrams below. Please let us know if you need anything else to get the problem fixed.

Cheers
Was this
answer
helpful?
Yes
No
+5
Tuesday, January 10th, 2012 AT 3:40 PM
Tiny
JIMLAW45
  • MEMBER
  • 1 POST
  • 1990 MAZDA B2200
Engine Mechanical problem
4 cyl Two Wheel Drive Manual 250000 miles

I have a 1990 Mazda B-2200 2.2L manual-5 speed and my vacuum lines on the carburator are incorrect such as Duty Solrnoid, High Altitude Compensator, Vacuum Control Valve, EGR Control Valve, ACV Solenoid Valve, Purge Solenoid Valve, No-2 Air Control Valve etc etc. And its using to much gas. I had someone put another carburator on it because the float was hanging up showing all the way to the top of the sight glass but he didnt mark the lines to hook them back right. I will send you some money for A print out or pics on getting them right Thanks:
Was this
answer
helpful?
Yes
No
-1
Tuesday, October 2nd, 2018 AT 10:09 AM (Merged)
Tiny
KEN L
  • MASTER CERTIFIED MECHANIC
  • 55,450 POSTS
Hello,

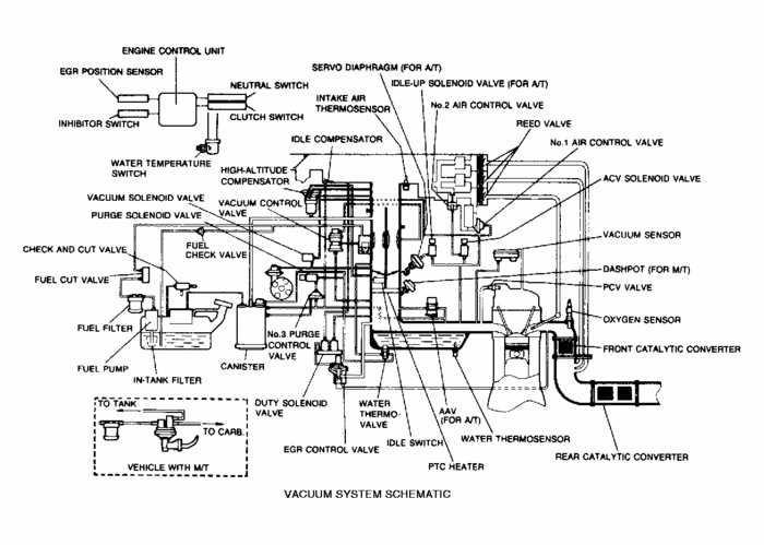
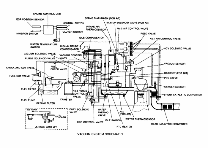
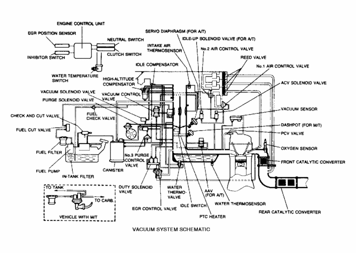
Here are the engine carburetor and emission vacuum line diagrams to help you get the truck back on the road. (Below)

Please let us know if you need anything else to get the problem fixed.

Cheers, Ken
Was this
answer
helpful?
Yes
No
Tuesday, October 2nd, 2018 AT 10:09 AM (Merged)

Please login or register to post a reply.