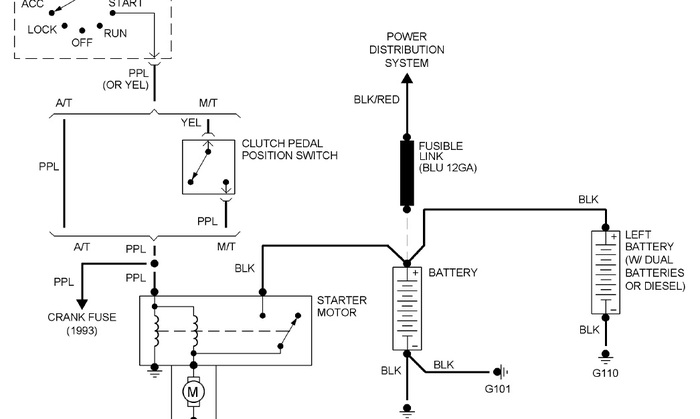
Saturday, September 15th, 2012 AT 1:22 AM
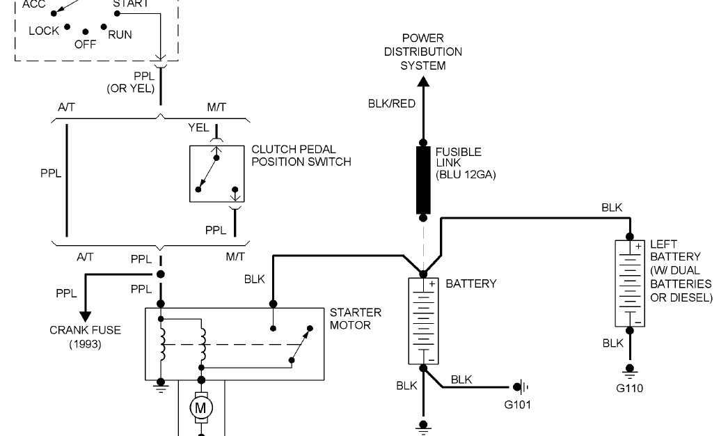
Hit a big mud puddle in 92 suburban c1500 and it died, while rolling put it in neutral and it was turning over but not starting, after it stopped rolling put it in park and tried to start it again but now dash lights come on and when you turn key it just gives one click and nothing, no turning over or anything? Have had starter issues with this in the past but it now has a brand new one that is only about a month old. Plz help


