1992 Ford F-150 Clutch interlock switch

Tiny
MATTHEWKFAHEY
  • MEMBER
  • 1992 FORD F-150
  • 4.9L
  • 6 CYL
  • 4WD
  • MANUAL
  • 219,000 MILES
I got this truck and I am in the process of fixing it up. There are 6 wires hanging from under the dash which I believe is the clutch interlock switch wires. There are 2 green wires, 2 red/lt blue wires, 1 gray/yellow and 1 blue/yellow. How do reconnect these to make the truck start? When the 2 red/lt blue are connected the truck does crank but no start.
Saturday, August 29th, 2015 AT 5:16 PM

9 Replies

Tiny
CJ MEDEVAC
  • MECHANIC
  • 11,005 POSTS
I'M MORE OF A CARBURETED JEEP CJ KINDA GUY

THIS NEWER STUFF IS JUST TOO OVER-ENGINEERED TO EXCITE ME. I KINDA LIKE LOCKING AND UNLOCKING DOORS MYSELF AS WELL AS REMEMBERING TO TURN ON MY HEADLIGHTS AND TURNING THEM OFF, JUST AS SIMPLE AS PUSHING A BUTTON IN. MY '77 CJ-5 SEAT BELT IS, WELL, MY WIFE! ON THE '46 WILLYS, I HAVE TO REMIND RIDERS, THERE ISN'T AND NEVER WAS ANY SEAT BELTS, IT'S 100% LEGAL TO NOT HAVE 'EM.

AS FAR AS YOUR RIG

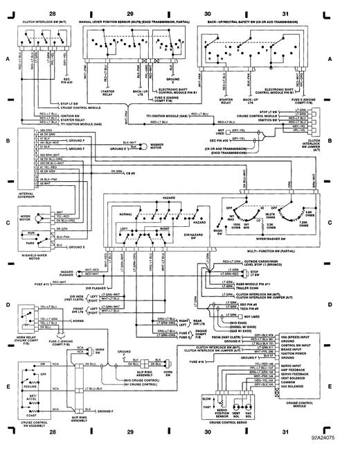
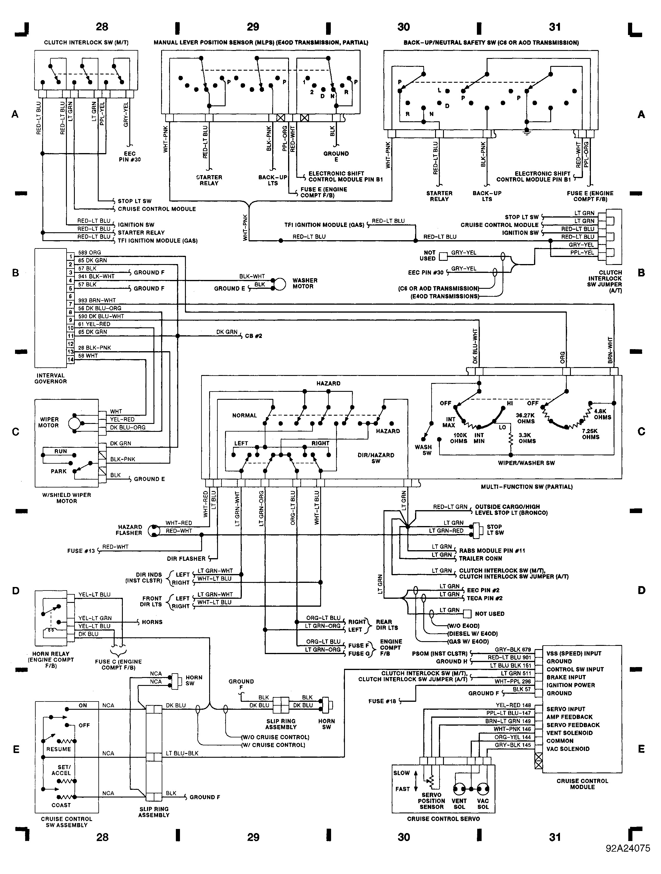
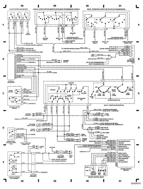
I BOUNCED AROUND IN "PRODEMAND" AND FOUND 2 DIAGRAMS THAT MIGHT AID YOU,

ONE) SIMPLIFIED "STARTING SYSTEM" (BASICALLY THE CRANKING END OF IT-NOT THE RUNNING END)

TWO) A DIAGRAM WITH THE INTERLOCK SYSTEM AND OTHER STUFF

GONNA HAVE TO CONSIDER SOME STUFF, NOT GET ALL LOCKED IN ON A SPECIFIC THING.

DO THE DANGLING WIRES ALL BELONG TO THE SAME MISSING ITEM?

BEINGS THAT YOU GOTTA PUSH THE BRAKE PEDAL OR CLUTCH PEDAL TO GET THIS SYSTEM TO WORK, WHEN YOU LET OFF OF THE PEDALS, THE CIRCUIT(S) IS BROKEN.

MAKES ONE WONDER WHAT HAPPENS IF THEY ARE "HARD WIRED" PERMANENTLY? IS OTHER STUFF LIKE SWITCHES AND RELAYS AFFECTED, AFFECTING OTHER STUFF?
MAYBE PUTTING IT BACK TO IT'S REGULAR STATUS MIGHT BE BEST.

EVEN ALL FIXED BACK LIKE IT WAS OR YOU WANT IT, WITH THESE WIRES,

HOW DO YOU KNOW THAT THERE IS NOT ANOTHER ISSUE PREVENTING IT FROM "BUSTING OFF", SUCH AS AN IGNITION OR FUEL ISSUE AND NOT THE MYSTERY WIRES?

THE MEDIC
Was this
answer
helpful?
Yes
No
Saturday, August 29th, 2015 AT 7:16 PM
Tiny
MATTHEWKFAHEY
  • MEMBER
  • 5 POSTS
Hey CJ! Thanks for the reply. Funny thing is I have either owned Jeeps or F150s since I was 19! Cool. Anyway, here's the story. I got this truck from my brother in law (air wing marine corps). He used it as a beater. I'm fixing it up with my 15 year old son for his 16th. It always started but was pretty ugly. We worked on it replacing stuff and fixing stuff up mostly from junkyard, eBay, but the only electrical stuff we did was wire the license plate lights (brown and black) and install a radio (wires were hanging out there too but everything was as diagrammed and it installed fairly simply). So we were getting around to swapping the pedals and I noticed what I remember to be 6 wires (as described) all twisted together and taped coming out of conduit. I pulled the g
Was this
answer
helpful?
Yes
No
Saturday, August 29th, 2015 AT 7:31 PM
Tiny
MATTHEWKFAHEY
  • MEMBER
  • 5 POSTS
Gaggle apart and tested with my multimeter and figured out which was power etc. However after that it no longer started. So that's where I'm at. Battery is good and when it cranks it cranks strong. I know I have fuel (smell and plugs are wet
Was this
answer
helpful?
Yes
No
Saturday, August 29th, 2015 AT 7:33 PM
Tiny
CJ MEDEVAC
  • MECHANIC
  • 11,005 POSTS
SO YOU THINK THAT 2nd DIAGRAM IS GONNA HELP Y'ALL FIGGER IT OUT?

IS THE "NOW UN-WIRED COMPONENT" STILL HOOKED TO THE PEDALS?

SEE-UNS HOW THIS IS IN THE "DASH AREA", SURELY THERE CAN'T BE MORE THAN 400 OR MORE WIRES UP THAT WAY!

ARE YOU SURE A JEEP WOULDN'T EASE THE PAIN? (AFTER CJ-5 #1, MY 1st RIDE IN 1981, 2-7 JUST SEEMED LIKE THE SENSIBLE THING TO DO THROUGHOUT THE YEARS

THE MEDIC
Was this
answer
helpful?
Yes
No
Saturday, August 29th, 2015 AT 7:56 PM
Tiny
MATTHEWKFAHEY
  • MEMBER
  • 5 POSTS
No nothing's hooked to the pedals now. Switch is there just no connector. One funny thing was when I was "experimenting" I had the green wires connected to the red/lt blue and could turn it over by pressing the brake pedal. So I figured the brake light switch and ign/starter power. And hey Airborne, I knew it would take a paratrooper to square me away! I was stationed at Bragg from 93-00. I was in the 503rd Mp Bn.
Was this
answer
helpful?
Yes
No
Saturday, August 29th, 2015 AT 8:12 PM
Tiny
MATTHEWKFAHEY
  • MEMBER
  • 5 POSTS
I just tried to read that diagram and I see the interlock switch but I can't read the wires. Is there a way to send it bigger?
Was this
answer
helpful?
Yes
No
Saturday, August 29th, 2015 AT 8:14 PM
Tiny
CJ MEDEVAC
  • MECHANIC
  • 11,005 POSTS
THIS SITE HAS "MORPHED" SEVERAL TIMES SINCE I STARTED HERE

USED TO I COULD CONTACT OTHERS IN MESSAGES AND GET EMAIL INFO ETC.

THEN IT CHANGED TO THE OTHER FELLER HAD TO HAVE "X" MANY RESPONSES BEFORE HE COULD USE MESSAGES.

BEEN A LONG TIME SINCE I TRIED TO SEE WHAT THE DEAL IS

I WILL TRY TO CONTACT YOU IN "MESSAGES" (YOU SHOULD GET NOTIFIED-MAYBE) YOU CAN FIND MESSAGES BY CLICKING ON YOUR NAME AT THE TOP OF THE PAGE (OR CLICK THE LINK YOU GET IN EMAIL)

I WAS IN 1ST BAT '82-'87, HUNTER ARMY AIRFIELD, SAVANNAH, GA (WHEN WE WERE THERE!)

I JUST SENT YOU A MESSAGE-LEMME KNOW IF IT ARRIVES

THE MEDIC
Was this
answer
helpful?
Yes
No
Saturday, August 29th, 2015 AT 8:33 PM
Tiny
MATTHEWKFAHEY
  • MEMBER
  • 5 POSTS
I got it and replied. Thank you Ranger and Lead the way! I'm going to go back to the junk yard and see if I can get the "original" set-up from a similar model and just put my truck back to standard issue. I'll keep you posted.
Was this
answer
helpful?
Yes
No
Sunday, August 30th, 2015 AT 5:11 AM
Tiny
CJ MEDEVAC
  • MECHANIC
  • 11,005 POSTS
YOU OUGHTTA GET YOUR DIAGRAM AT MAIL CALL

THE MEDIC
Was this
answer
helpful?
Yes
No
Sunday, August 30th, 2015 AT 10:29 AM

Please login or register to post a reply.