Monday, September 26th, 2011 AT 9:15 PM
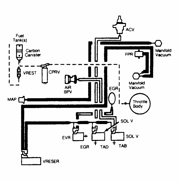
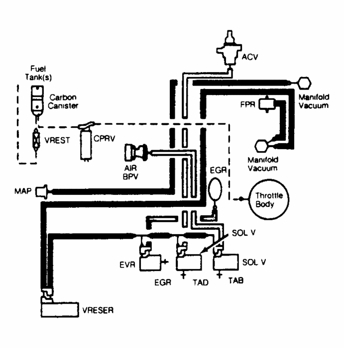
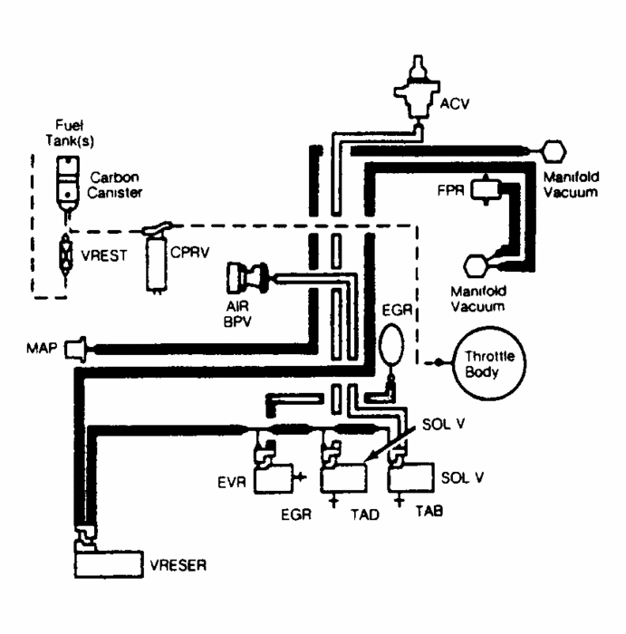
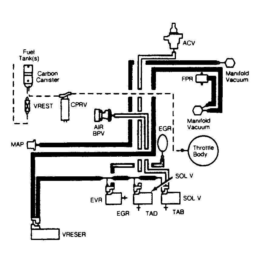
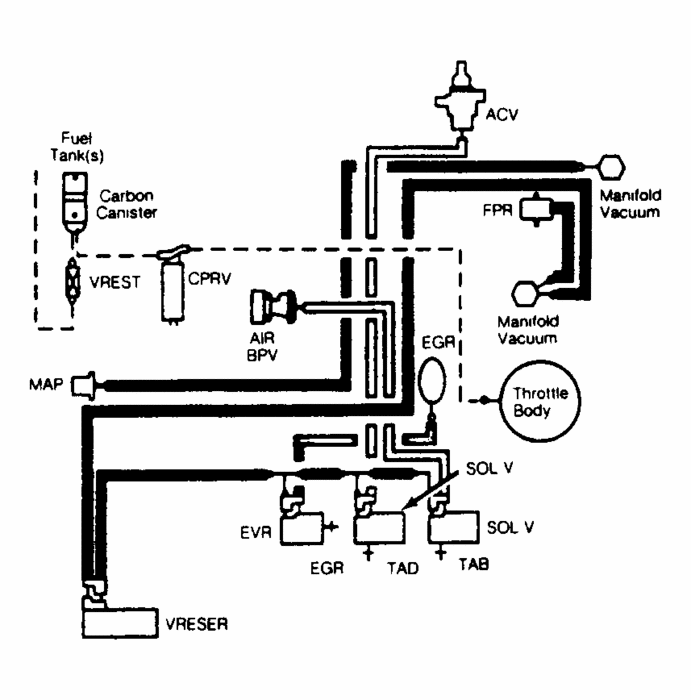
I have replaced EGR Sensor (voltage output now has wider range over its travel than with old sensor.) And vacuum solenoid (I think the old one was fine, but needed to eliminate a variable). EGR valve works well when I manually suck on vacuum port (engine dies at idle when EGR opens.) When I removed the EGR it seals well when closed. Cannot suck any air through it when closed. Not frozen. Moves and seals freely. It has about 40,000 miles on it. When I drive at 75 mph I get no vacuum past solenoid. I get full vacuum to upstream side of solenoid, but solenoid will not open. Ever. I checked with a vacuum gauge while flying down freeway. Solenoid has 12v present with key on, engine off. When I reset codes, the codes return before engine leaves the idle position, which leads me to believe it set codes without even giving the EGR system a chance to fail. Help.
