Friday, December 28th, 2012 AT 1:14 AM
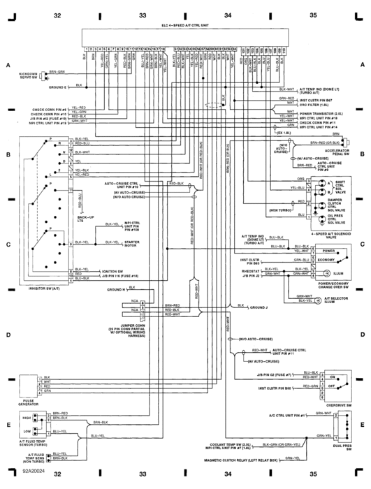
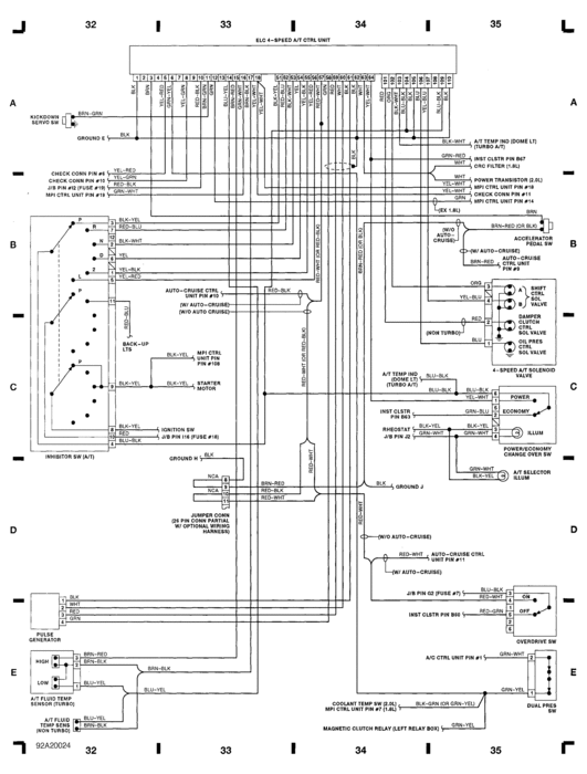
I have a 1992 Eagle talon that today on the way into work dropped out of O/D and would not go back in. I was on the freeway and tried manually engaging it with the switch on the shifter and changing between power and economy modes to no effect. There were no other issues before this happened and the transmission went through an complete rebuild a little over 20000 miles ago to include a rebuild on the TCU. Any Ideas what to look for or where to start?
