1992 Chevrolet Cavalier Fuse

Tiny
YEYO8702
  • MEMBER
  • 1992 CHEVROLET CAVALIER
  • 3.1L
  • AUTOMATIC
My car fans are not working, and I think its the fuse for the fans. Does anyone have a picture of the fuse box diagram?
My car does not have it and I would really appreciate it if someone could help me out please
Tuesday, December 8th, 2015 AT 2:25 PM

1 Reply

Tiny
JACOBANDNICKOLAS
  • MECHANIC
  • 110,192 POSTS
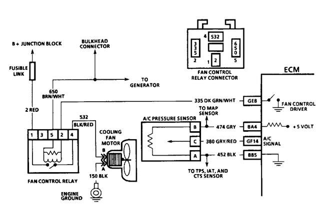
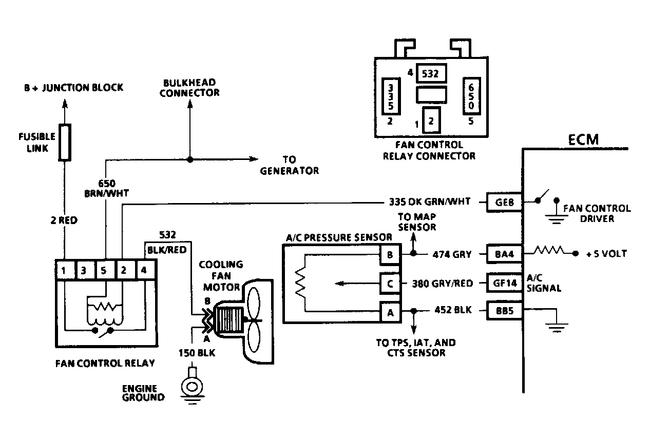
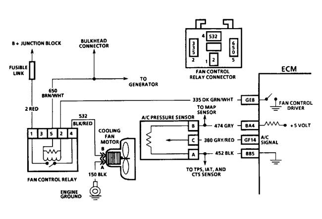
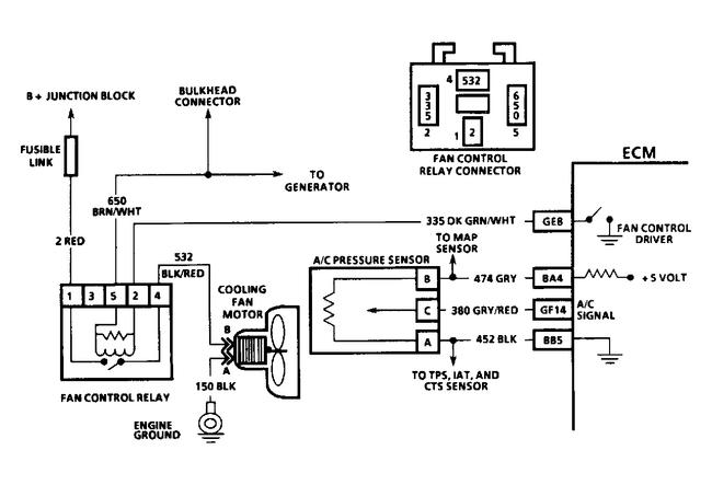
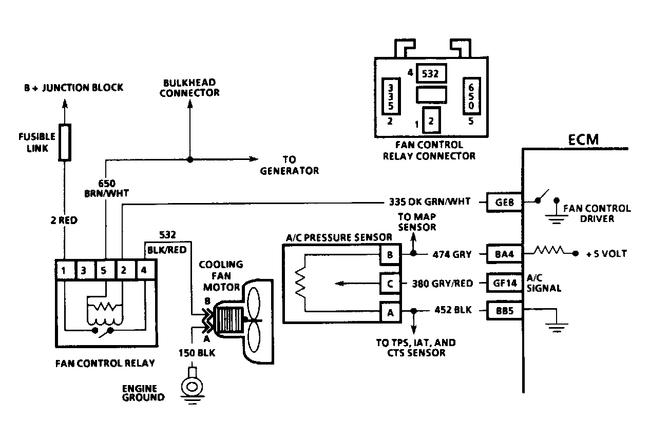
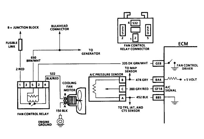
You don't have a fuse for the fans. There is a fusible link that supplies power to the fan relay located under the hood. See attached pic. Also, I provided a schematic of the fan's electrical system. Let me know if it helps. NOTE: The fan relay is located under the hood in the relay box. See attached pic #8.
Was this
answer
helpful?
Yes
No
Tuesday, December 8th, 2015 AT 6:39 PM

Please login or register to post a reply.