Why does blower stay on high with the key off

Tiny
WASKELLJAY
  • MEMBER
  • 1992 CADILLAC SEVILLE
Changed climate control mod
Monday, September 5th, 2011 AT 6:17 PM

6 Replies

Tiny
JDL
  • MECHANIC
  • 16,098 POSTS
Maybe something wrong with relay?
Was this
answer
helpful?
Yes
No
+1
Monday, September 5th, 2011 AT 6:53 PM
Tiny
RASMATAZ
  • MECHANIC
  • 75,992 POSTS
The blower motor relay is sticking
Was this
answer
helpful?
Yes
No
Monday, September 5th, 2011 AT 7:02 PM
Tiny
JDL
  • MECHANIC
  • 16,098 POSTS
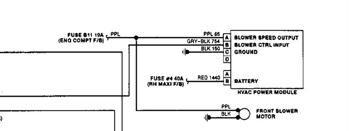
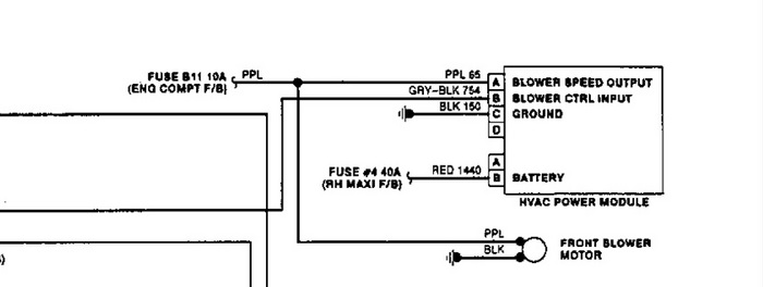
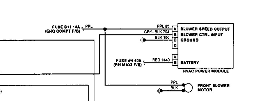
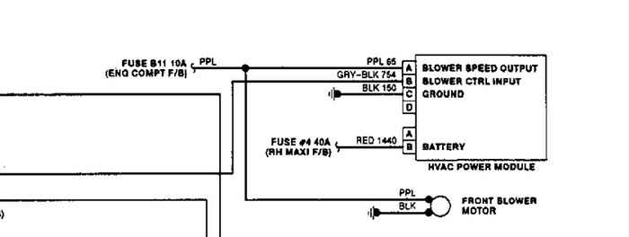
With automatic hvac, no relay. Check fuse B 11-- 10 amp for voltage. Check fuses in diagram, below.
Was this
answer
helpful?
Yes
No
Monday, September 5th, 2011 AT 7:06 PM
Tiny
CADIEMAN
  • MECHANIC
  • 3,544 POSTS
If this happens. The a/c module is bad. Thanks for using 2 carpros
Was this
answer
helpful?
Yes
No
Monday, September 5th, 2011 AT 9:35 PM
Tiny
WRENCHTECH
  • MECHANIC
  • 20,761 POSTS
Let me see if I can make this clearer for you.
I see you change the "Climate Control Module". I assume you meant the Control Head which in this car they refer to it as the Programmer. What you needed to change was the blower motor speed control module which is referred to in this car as the HVAC Power module.

It's located in the engine compartment
Was this
answer
helpful?
Yes
No
+1
Monday, September 5th, 2011 AT 10:18 PM
Tiny
CADIEMAN
  • MECHANIC
  • 3,544 POSTS
Thats the baby havc power module. The wire on the module goes directly to the blower motor. Good job on the pic wrenchtech. Thank for using 2carpros.
Was this
answer
helpful?
Yes
No
+1
Monday, September 5th, 2011 AT 10:38 PM

Please login or register to post a reply.